一、良性间叶组织肿瘤
这类肿瘤的分化成熟程度高、其组织结构、细胞形态、硬高及颜色等均与其发源的正常组织相似。肿瘤生长慢,呈膨胀性长长,一般都具有包膜。现分述其中比较常见的类型:
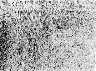
1.纤维瘤(fibroma)瘤组织内的胶原纤维排成束状,互相编织,纤维间含有细长的纤维细胞(图7-15)。外观呈结节状,与周围组织分界明显,有包膜。切面灰白色,可见编织状的条纹,质地韧硬,常见于四肢及躯干的皮下。此瘤生长缓慢,手术摘除后不再复发。
瘤样纤维组织增生:纤维结缔组织呈肿瘤样增生,形成瘤样肿块,又称纤维瘤病(fibromatosis)。它包括的种类繁多,约有十多种。常见的有结节性筋膜炎、增生性筋膜炎、增生性肌炎和带状瘤等。瘤样纤维组织增生与纤维瘤不同之处在于局部呈浸润性生长,没有包膜。除见纤维母细胞外,尚见大量的肌纤维母细胞,有时纤维母细胞增生较活跃,细胞丰富,核肥大甚至具有轻度异型性和少数正常的核分裂像,切除不完全时可以多次复发但不转移。最重要的是不要将其误诊为恶性肿瘤。此种病损根据类型的不同,可见于婴儿、儿童和成人,可发生于任何部位的软组织,但以发生在四肢及腹壁的皮下、筋膜、肌肉等处较为多见。
2.脂肪瘤(lipoma)最常见的部位为背、肩、颈及四肢近端的皮下组织。外观为扁圆形或分叶状,有包膜,质地柔软,切面色淡黄,似正常的脂肪组织。肿瘤大小不一,直径由数厘米至数十厘米不等,常为单发性,亦可为多发性。镜下结构与正常脂肪组织的主要区别在于有包膜。瘤组织分叶大小不规则,并有不均等的纤维组织间隔存在。脂肪瘤一般无明显症状,但也有引起在局部疼痛者,很少恶变,手术易切除。

图7-15 纤维瘤
瘤组织由分化良好的纤维细胞构成,呈编织状排列,有丰富的胶原纤维
3.脉管瘤可分为血管瘤(hemangioma)及淋巴管瘤(lymphangioma)两类。其中以血管瘤最为常见,多为先天性发生,故常见于儿童。血管瘤可以生在任何部位,但以皮肤为多见。一般分为毛细血管瘤(由增生的毛细血管构成)(图7-16)、海绵状血管瘤(由扩张的血窦构成)及混合型血管瘤(即二种改变并存)三种。肉眼上无包摸,呈浸润性生长。在皮肤或粘膜可呈突起的新鲜红肿块,或仅呈暗红或紫红色斑。内脏血管瘤多呈结节状。发生于肢体软组织的弥漫性海绵状血管瘤可引起肢体肥大。血管瘤一般随身体的发育而长大,成年后即停止发展,甚至可以自然消退。

图7-16 毛细血管瘤
瘤组织主由大量增生的毛细血管构成,部分毛细血管腔内可见红细胞
淋巴管瘤由增生的淋巴管构成,内含淋巴液。淋巴管可呈囊性扩大并互相融合,内含大量淋巴液,称为囊状水瘤,此瘤多见于小儿。
4.平滑肌瘤(leiomyoma)最多见于子宫,其次为胃肠。瘤组织由形态比较一致的梭形平滑肌细胞构成。细胞排列成束状,互相编织,核呈长杆状,两端钝圆,同一束内的细胞核有时排列成栅状,核分裂像少见。
5.骨瘤(osteoma)本瘤好发于头面骨及颌骨,也可累及四肢骨,形成局部隆起。镜下见主要由成熟的骨质组成,但失去正常骨质的结构和排列方向。骨瘤发生在颅骨内板者可凸向颅腔,引起颅神经压迫症状;发生于眼眶、鼻窦或颌骨者可引起相应部位压迫症状。
6.软骨瘤(chondroma)自软骨膜发生者,称外生性软骨瘤;发生于手足短骨和四肢长骨等骨干的骨髓腔内者称为内生性软骨瘤。内眼观,前者自骨表面突起,常分叶;后者使骨膨胀,外有薄骨壳。切面呈淡蓝色或银白色,半透明,可有钙化或囊性变,内含粘液。镜下见瘤组织由成熟的透明软骨组成,呈不规则分叶状,每一小叶由疏松的纤维血管间质包绕。肿瘤位于盆骨、胸骨、肋骨、四肢长骨或椎骨时易恶变;发生在指(趾)骨者极少恶变。
二、恶性间叶组织肿瘤
恶性间叶组织肿瘤统称为肉瘤。肉瘤比癌少见,多发生于青少年。内眼观呈结节状或分叶状。由于其发生较快,除浸润生长外,也可挤压周围组织形成假包膜。肉瘤体积常较大,质软,切面多呈灰红色,均质性,湿润,外观多呈鱼肉状,故称为肉瘤。肉瘤易发生出血、坏死、囊性变等继发性改变。镜下,肉瘤细胞大多弥漫排列,不形成细胞巢,与间质分界不清,网状纤维染色可见肉瘤细胞间存在网状纤维。肿瘤间质的结缔组织少,但血管较丰富,故肉瘤多先由血道转移。上述各点均与癌的特点有所不同(表7-3)。正确掌握癌与肉瘤的特点,对临床诊断和治疗均有实际意义。
表7-3 癌与肉瘤的区别
| 癌 | 肉瘤 | |
| 组织来源 | 上皮组织 | 间叶组织 |
| 发病率 | 较常见,约为肉瘤的9倍,多见于40岁以上成人 | 较少见,大多见于青少年 |
| 大体特点 | 质较硬、色灰白、较干燥 | 质软、色灰红、湿润、鱼肉状 |
| 组织学特点 | 多形成癌巢,实质与间质分界清楚,纤维组织每有增生 | 肉瘤细胞多弥漫分布,实质与间质分界不清,间质内血管丰富,纤维组织少 |
| 网状纤维 | 癌细胞间多无网状纤维 | 肉瘤细胞间多有网状纤维 |
| 转移 | 多经淋巴道转移 | 多经血道转移 |
【常见的肉瘤有以下几种:】
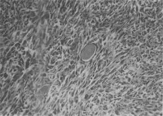
1.纤维肉瘤(fibrosarcoma) 是肉瘤中常见的一种,其发生部位与纤维瘤相似,以四肢皮下组织为多见。分化好的纤维肉瘤细胞多呈梭形,异型性小,与纤维瘤有些相似;分化差的纤维肉瘤则有明显的异型性(图7-17)。纤维肉瘤分化好者生长慢,转移及复发较少见;分化差者生长快,易发生转移,切除后易复发。

图7-17 纤维肉瘤
瘤细胞呈梭形,体积较大,核大,核分裂像较多,具明显的异型性
2.恶性纤维组织细胞瘤(malignant fibrous histiocytoma)这是近年来才受到重视的一种恶性肿瘤,为老年人最常见的软组织肉瘤。本瘤好发于下肢,其次是上肢的深部组织和腹膜后等处,也可发生于内脏器官,但较为少见。肿瘤细胞可有多种类型,电镜下,肿瘤细胞类型的多样性理更为明显,主要为纤维母细胞和组织细胞,此外尚见原始间叶细胞、肌纤维母细胞、黄色瘤细胞和多核瘤巨细胞。异型性往往十分明显,核分裂像多见。绝大多数肿瘤可见中等量到多量的慢性炎性细胞浸润。有的区域见纤维母细胞可呈束状交织排列和(或)排列成辐状,后者被认为有一定诊断价值;有的区域多形性明显,见多肿瘤细胞混杂分布,无一定排列形式而且异型性十分突出,可见形态坚异具有丰富嗜伊红胞浆的瘤巨细胞;有的区域粘液变性明显。关于此瘤的组织发生,有研究认为是由原始间叶细胞向不同方向分化所成。此瘤的恶性程度较高,切除后易复发和转移。
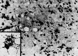
3.脂肪内瘤(liposarcoma) 为肉瘤中较常见的一种类型,多发生于大腿及腹膜后的软组织深部。来自原始间叶组织,极少从皮下脂肪层发生,与脂肪瘤的分布相反。这说明脂肪肉瘤极少是由脂肪瘤恶变而来,而是一开始即具恶性特征。本瘤多见于40岁以上成人,极少见于青少年。肉眼观,大多数肿瘤呈结节状或分叶状,表面常有一层假包膜,可似一般的脂肪瘤,亦可呈粘液性外观,或均匀一致呈鱼肉样。本瘤的瘤细胞形态多种多样,可见分化差的星形、梭形、小圆形或呈明显异型性和多形性的脂肪母细胞,胞浆内可见多少和大小不等的脂滴空泡(图7-18),也可见分化成熟的脂肪细胞,并常以某种细胞成分为主。间质有明显粘液性和大量血管网形成者,称为粘液样型脂肪肉瘤。当以分化差的小圆形脂肪母细胞为主(圆形细胞型脂肪肉瘤)或以多形性脂肪母细胞为主时(多形性脂肪肉瘤),恶性程度高,易有复发和转移。

图7-18 脂肪肉瘤
瘤细胞分散,胞浆内含大小不等的脂肪空泡。瘤细胞间有多量粘液性基质(图中呈灰色),并见瘤巨细胞(插入图)
4.横纹肌肉瘤(rhabdomyosarcoma)是较常见而且恶性程度很高的肉瘤。肿瘤由不同分化阶段的横纹肌母细胞组成。分化较高者红染的胞浆内可见纵纹和横纹,用磷钨酸苏木素染色更显而易见。根据瘤细胞的分化程度、排列结构和大体特点可分为三种类型:
(1)胚胎性横纹肌肉瘤:是最常见的一类,主要发生于10岁以下的婴幼儿和儿童。最好发的部位为头(眼眶、鼻腔、鼻咽部、中耳等处)、颈、泌尿生殖道及腹膜后。镜下见肿瘤由未分化和低分化的小圆或卵圆细胞、梭形或带状的横纹肌母细胞组成。以葡萄状息肉样肿物突出于粘膜为特点的葡萄状肉瘤(sarcoma botryoides)亦属此类型;
(2)腺泡状横纹肌肉瘤:常见于10~25岁的青少年,发生于四肢者较为多见。镜下特点为低分化的圆形或卵圆形瘤细胞形成不规则腺泡腔,在腺泡腔可偶见分化较高的横纹肌母细胞和多核瘤巨细胞。
(3)多形性横纹肌肉瘤:多见于成年人,好发于四肢的大肌肉,特别在大腿更为多见。镜下见瘤细胞呈明显异型性,可出现多种形态怪异的横纹肌母细胞,胞浆丰富红染,可见纵纹和横纹,核分裂像甚多(图7-2)。
各型横纹肌肉瘤均生长迅速,易早期发生血道转移,如不及时诊断治疗,预后极差,患者约90%以上在五年内死亡。
5.平滑肌肉瘤(leimyosarcoma)较多见于子宫及胃肠,偶可见于腹膜后、肠系膜、大网膜及皮下软组织。患者多为中老年人。平滑肌肉瘤的瘤细胞呈轻重不等的异型性,核分裂像的多少对判断其恶性程度有重要意义。恶性程度高者,手术后易复发,可经血道转移至肺、肝及其他器官。
6.血管肉瘤(hemangiosarcoma) 血管肉瘤起源于血管内皮细胞,可发生于各器官和软组织,发生于软组织者多见于皮肤,尤以头面部为多见。肿瘤多隆起于皮表,呈丘疹或结节状,暗红或灰白色。肿瘤内部易有坏死出血。有扩张的血管时,切面可呈海绵状。镜下,在分化较好者,瘤组织内血管腔形成明显,大小不一,形状不规则,被覆血管腔的内皮细胞大多有不同程度的异型性,可见核分裂像。分化差的血管肉瘤,细胞常呈片团状增生,形成不明显、不典型血管腔或仅呈裂隙状。瘤细胞异型性明显,核分裂像多见。血管肉瘤的恶性程度一般较高,常在淋巴结及肝、肺、骨等处形成转移。
7.骨肉瘤(osteosarcoma)和软骨肉瘤(chondrosarcoma)骨肉瘤起源于骨母细胞,软骨肉瘤起源于软骨细胞, 均为常见的骨恶性肿瘤(详见第十七章)。