三、脂肪组织
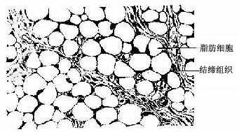
脂肪组织(adipose tissue)主要由大量群集的脂肪细胞构成,由疏松结缔组织分隔成小叶(图3-17)。根据脂肪细胞结构和功能的不同,脂肪组织分为两类。
1.黄(白)色脂肪组织 呈黄色 (在某些哺乳动物呈白色),即通常所说的脂肪组织。它由大量单泡脂肪细胞集聚而成,细胞中央有一大脂滴,胞质呈薄层,位于细胞周缘,包绕脂滴。在HE切片上,脂滴被溶解成一大空泡。胞核扁圆形,被脂滴推挤到细胞一侧,连同部分胞质呈新月形(图3-18)。黄色脂肪组织主要分布在皮下、网膜和系膜等处,约占成人体重的10%,是体内最大的贮能库,参与能量代谢,并具有产生热量、维持体温、缓冲保护和支持填充等作用。

图3-17 脂肪组织

图3-18 单泡脂肪细胞和多泡脂肪细胞超微结构模式图
2.棕色脂肪组织 呈棕色,其特点是组织中有丰富的毛细血管,脂肪细胞内散在许多小脂滴,线粒体大而丰富,核圆形,位于细胞中央。这种脂肪细胞称为多泡脂肪细胞(图3-18)。
棕色脂肪组织在成人极少,新生儿及冬眠动物较多,在新生儿主要分布在肩胛间区、腋窝及颈后部等处。棕色脂肪组织的主要功能是,在寒冷的刺激下,棕色脂肪细胞内的脂类分解、氧化,散发大量热能,而不转变为化学能。这一功能受交感神经调节。


