第三节 磷脂测定
磷脂(PL)并非单一的化合物,其分子内含有磷酸基的多种脂质,磷脂是这一类物质的总称。血中PL包括:①卵磷脂占60%和溶血卵磷脂占2%~10%;②磷脂酰乙醇胺等,占2%;③鞘磷脂,占20%。
血清PL定量方法包括测定无机磷的化学法和酶法两大类。
1.化学测定法过程包括:①抽提分离;②灰化;③显色、比色的三个阶段。
2.酶测定法
可分别利用磷脂酶A、B、C、D等4种酶作用,加水分解,测定其产物,对PL进行定量。一般多采用磷脂酶D(PL-D)进行定量。PL-D可作用于含有卵磷脂、溶血卵磷脂和鞘磷脂以及含胆碱的磷脂,这三种磷脂约占血清总磷脂的95%。本法快速准确,便于自动生化分析仪器进行批量检测。
1.原理
以有机混合试剂(无水乙醇、乙醇)抽提血清中磷脂,再用浓硫酸和过氯酸消化抽提液中的脂类和其他有机化合物,用硝酸盐与磷反应生成有色化合物,比色定量。本法可用组织细胞磷脂的抽提定量。
2.试剂组成
| 代号 | 种类 | 浓度 | 组成 | 贮2~8℃ | 有效时间 | 
| R-1 | 抽提液 | 无水乙醇:乙醇=3:1 | |||
| R-2 | 消化液 | 用1L密器,加水约500ml,置冷水中缓缓加浓硫酸280ml到水中,冷却后加过氯酸(70%,AR)65ml,混匀,加蒸馏水至1000ml | |||
| R-3 | 显色剂 | 钼酸铵(A.R)2.5g+无水醋酸钠8.2g,加蒸馏水溶解并稀释至1L,监用时取此液体9份加新配的VitC液(10%)1份,混合即可 | |||
| R-4 | 参考液(贮存液)1mg/L | 称干燥KH2PO(A.R)0.4393g,溶于蒸馏水中,转移至100ml的容量中,用蒸馏水加至刻度。 | 冷藏 | ||
| R-5 | 参考应用液 | 0.04mg/ml | 取贮存液2ml加至50ml容量中,加水至刻度 | 冷藏 | 
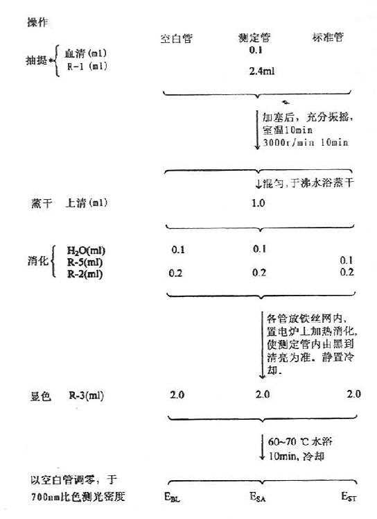
3.操作
按图15-5操作。
4.计算
血清脂性磷浓度=ESA/EST×10(mg/dl)
血清磷脂(以卵磷脂计)=ESA/EST×10×0.3229(mmol/L)

图15-5 血清磷脂测定(消化法)操作图*采用带塞玻璃试管
1.原理
磷脂酶D因特异性不高,能水解血清中卵磷脂,溶血卵磷脂和神经磷脂(三者占血清总磷脂的95%),释放出胆碱,胆碱在胆碱氧化酶作用下生成甜菜碱和H2O2,在过氧化物酶作用下,H2O2,4-氨基安替比林、酚发生反应生成红色醌亚胺化合物,其颜色深浅与这三种磷脂的含量成正比,在500nm波长下比色计算结果为:
2.试剂
(1)酶应用液(参考配方):每100mlTris-His缓冲液(50mmol/L,pH7.8)中含:
| 磷脂酶D | 45U | 
| 胆碱氧化酶 | 100U | 
| 过氧化物酶 | 220U | 
| 4-氨基安替比林 | 12mg | 
| 酚 | 20mg | 
| CaCl2·2H2O | 8mg | 
| TritonX-100 | 0.2g | 
(2)标准液:纯卵磷脂,临用前配制,5mg/2.5ml蒸馏水(含TritonX-1000.5%)
3.操作
(1)标本采集:空腹12h抽静脉血,不抗凝,分离血清或抗凝血分离血浆。
(2)在3.0ml酶应用液中加入血清(浆)20μl,标准管加标准液20μl,空白管加水20μl,放置37℃水浴10min后,波长500nm,比色,空白管液调零。
4.计算
血清磷脂(mg/dl)=TA/SA×200
血清磷脂(mmol/L)=血清磷脂(mg/dl)×0.01292
《动脉粥样硬化》相关章节:
- ……
 - 第四节 低密度脂蛋白受体基因表达的抑扬
 - (抑扬基因表达对脂蛋白代谢及动脉粥样硬化的影响)参考文献
 - 第十五章 血清脂类测定
 - 第一节 胆固醇测定
 - 第二节 甘油三酯测定
 - 第三节 磷脂测定(当前内容)
 - 第四节 非酯化脂肪酸测定
 - (血清脂类测定)参考文献
 - 第十六章 血浆脂蛋白的分离纯化及定量
 - 第一节 脂蛋白分离的方法学评价
 - ……
 



