2 附录XIX A 药品质量标准分析方法验证指导原则
药品质量标准分析方法验证的目的是证明采用的方法适合于相应检测要求。在建立药品质量标准时,分析方法需经验证;在药品生产工艺变更、制剂的组分变更、原分析方法进行修订时,则质量标准分析方法也需进行验证。方法验证理由、过程和结果均应记载在药品质量标准起草说明或修订说明中。
需验证的分析项目有:鉴别试验、杂质定量检查或限度检查、原料药或制剂中有效成分含量测定,以及制剂中其他成分(如防腐剂等)的测定。药品溶出度、释放度等检查中,其溶出量等的测试方法也应做必要验证。
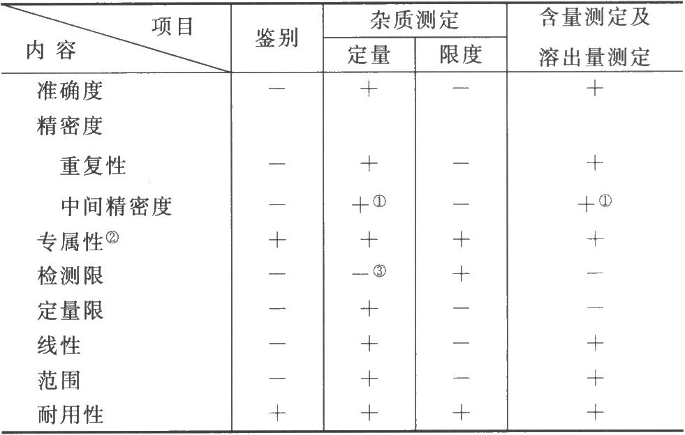
验证内容有:准确度、精密度(包括重复性、中间精密度和重现性)、专属性、检测限、定量限、线性、范围和耐用性。视具体方法拟订验证的内容。附表中列出的分析项目和相应的验证内容可供参考。
2.1 一、准确度
准确度系指用该方法测定的结果与真实值或参考值接近的程度,一般用回收率(%)表示。准确度应在规定的范围内测试。
原料药可用已知纯度的对照品或供试品进行测定,或用本法所得结果与已知准确度的另一个方法测定的结果进行比较。
制剂可用含已知量被测物的各组分混合物进行测定。如不能得到制剂的全部组分,可向制剂中加入已知量的被测物进行测定,或用本法所得结果与已知准确度的另一个方法测定结果进行比较。
如该分析方法已经测试并求出了精密度、线性和专属性,在准确度也可推算出来的情况下,这一项可不必再做。
2.杂质定量测定的准确度
可向原料药或制剂中加入已知量杂质进行测定。如不能得到杂质或降解产物,可用本法测定结果与另一成熟的方法进行比较,如药典标准方法或经过验证的方法。在不能测得杂质或降解产物的响应因子或不能测得对原料药的相对响应因子的情况下,可用原料药的响应因子。应明确表明单个杂质和杂质总量相当于主成分的重量比(%)或面积比(%)。
3.数据要求
在规定范围内,至少用9个测定结果行评价。例如,设计3个不同浓度,每个浓度各分别制备3供试品溶液,进行测定。应报告已知加入量的回收率(%),或测定结果平均值与真实值之差及其相对标准偏差或可信限。
2.2 二、精密度
精密度系指在规定的测试条件下,同一个均匀供试品,经多次取样测定所得结果之间的接近程度。精密度一般用偏差、标准偏差或相对标准偏差表示。
在相同条件下,由同一个分析人员测定所得结果的精密度称为重复性;在同一个实验室,不同时间由不同分析人员用不同设备测定结果之间的精密度,称为中间精密度;在不同实验室由不同分析人员测定结果之间的精密度,称为重现性。
1.重复性
在规定范围内,至少用9个测定结果进行评价。例如,设计3个不同浓度,每个浓度各分别制备3份供试品溶液,进行测定,或将相当于100%浓度水平的供试品溶液,用至少测定6次的结果进行评价。
2.中间精密度
为考察随机变动因素对精密度的影响,应设计方案进行中间精密度试验。变动因素为不同日期、不同分析人员、不同设备。
3.重现性
法定标准采用的分析方法,应进行重现性试验。例如,建立药典分析方法时,通过协同检验得出重现性结果。协同检验的目的、过程和重现性结果均应记载在起草说明中。应注意重现性试验用的样品本身的质量均匀性和贮存运输中的环境影响因素,以免影响重现性结果。
4.数据要求
均应报告标准偏差、相对标准偏差和可信限。
2.3 三、专属性
专属性系指在其他成分(如杂质、降解产物、辅料等)可能存在下,采用的方法能正确测定出被测物的特性。鉴别反应、杂质检查和含量测定方法,均应考察其专属性。如方法不够专属,应采用多个方法予以补充。
1.鉴别反应
应能与可能共存的物质或结构相似化合物区分。不含被测成分的供试品,以及结构相似或组分中的有关化合物,应均呈负反应。
2.含量测定和杂质测定
色谱法和其他分离方法,应附代表性图谱,以说明方法的专属性,并应标明诸成分在图中的位置,色谱法中的分离度应符合要求。
在杂质可获得的情况下,对于含量测定,试样中可加入杂质或辅料,考察测定结果是否受干扰,并可与未加杂质或辅料的试样比较测定结果。对于杂质测定,也可向试样中加入一定量的杂质,考察杂质之间能否得到分离。
在杂质或降解产物不能获得的情况下,可将含有杂质或降解产物的试样进行测定,与另一个经验证了的方法或药典方法比较结果。用强光照射、高温、高湿、酸(碱)水解或氧化的方法进行加速破坏,以研究可能的降解产物和降解途径。含量测定方法应比对二法的结果,杂质检查应比对检出的杂质个数,必要时可采用光二极管阵列检测和质谱检测,进行峰纯度检查。
2.4 四、检测限
检测限系指试样中被测物能被检测出的最低量。药品的鉴别试验和杂质检查方法,均应通过测试确定方法的检测限。常用的方法如下。
1.非仪器分析目视法
用已知浓度的被测物,试验出能被可靠地检测出的最低浓度或量。
2.信噪比法
用于能显示基线噪声的分析方法,即把已知低浓度试样测出的信号与空白样品测出的信号进行比较,算出能被可靠地检测出的最低浓度或量。一般以信噪比为3:1或2:1时相应浓度或注入仪器的量确定检测限。
3.数据要求
应附测试图谱,说明测试过程和检测限结果。
2.5 五、定量限
定量限系指试样中被测物能被定量测定的最低量,其测定结果应具一定准确度和精密度。杂质和降解产物用定量测定方法研究时,应确定方法的定量限。
常用信噪比法确定定量限。一般以信噪比为10:1时相应浓度或注入仪器的量确定定量限。
2.6 六、线性
线性系指在设计的范围内,测试结果与试样中被测物浓度直接呈正比关系的程度。
应在规定的范围内测定线性关系。可用一贮备液经精密稀释,或分别精密称样,制备一系列供试样品的方法进行测定,至少制备5份供试样品。以测得的响应信号作为被测物浓度的函数作图,观察是否呈线性,再用最小二乘法进行线性回归。必要时,响应信号可经数学转换,再进行线性回归计算。
2.7 七、范围
范围系指能达到一定精密度、准确度和线性,测试方法适用的高低限浓度或量的区间。
范围应根据分析方法的具体应用和线性、准确度、精密度结果和要求确定。原料药和制剂含量测定,范围应为测试浓度的80%~120%;制剂含量均匀度检查,范围应为测试浓度的70%~130%,根据剂型特点,如气雾剂和喷雾剂,范围可适当放宽;溶出度或释放度中的溶出量测定,范围应为限度的±20%,如规定了限度范围,则应为下限的-20%至上限的+20%;杂质测定,范围应根据初步实测,拟订为规定限度的±20%。如果含量测定与杂质检查同时进行,用百分归一化法,则线性范围应为杂质规定限度的-20%至含量限度(或上限)的+20%。
2.8 八、耐用性
耐用性系指在测定条件有小的变动时,测定结果不受影响的承受程度,为使方法可用于常规检验提供依据。开始研究分析方法时,就应考虑其耐用性。如果测试条件要求苛刻,则应在方法中写明。典型的变动因素有:被测溶液的稳定性、样品的提取次数、时间等。液相色谱法中典型的变动因素有:流动相的组成和pH值、不同厂牌或不同批号的同类型色谱柱、柱温、流速等。气相色谱法变动因素有:不同厂牌或批号的色谱柱、固定相、不同类型的担体、柱温、进样口和检测器温度等。
经试验,应说明小的变动能否通过设计的系统适用性试验,以确保方法有效。

3 附录XIX B 药物制剂人体生物利用度和生物等效性试验指导原则
生物利用度是指制剂中的药物被吸收进入血液的速率和程度。生物等效性是指一种药物的不同制剂在相同的试验条件下,给以相同的剂量,反映其吸收速率和程度的主要动力学参数没有明显的统计学差异。
口服或其他非脉管内给药的制剂,其活性成分的吸收受多种因素的影响。包括制剂工艺、药物粒径、晶型或多晶型,处方中的赋形剂、黏合剂、崩解剂、润滑剂、包衣材料、溶剂、助悬剂等。生物利用度是保证药品内在质量的重要指标,而生物等效性则是保证含同一药物的不同制剂质量一致性的主要依据。生物利用度与生物等效性概念虽不完全相同,但试验方法基本一致。为了控制药品质量,保证药品的有效性和安全性,特制定本指导原则。何种药物制剂需要进行生物等效性或生物利用度试验,可根据有关部门颁布的法规要求进行。
进行药物制剂人体生物利用度和生物等效性试验的临床实验室和分析实验室,应提供机构名称以及医学、科学或分析负责人的姓名、职称和简历。
3.1 一、生物样品分析方法的基本要求
生物样品中药物及其代谢产物定量分析方法的专属性和灵敏度,是生物利用度和生物等效性试验成功的关键。首选色谱法,如HPLC、GC以及GC-MS、LC-MS、LC-MS-MS联用技术,一般应采用内标法定量。必要时也可采用生物学方法或生物化学方法。
由于生物样品取样量少、药物浓度低、内源性物质(如无机盐、脂质、蛋白质、代谢物)及个体差异等多种因素影响生物样品测定,所以必须根据待测物的结构、生物介质和预期的浓度范围,建立适宜的生物样品分析方法,并对方法进行验证。
1.专属性
必须证明所测定的物质是原形药物或特定的活性代谢物,内源性物质和相应的代谢物不得干扰样品的测定。对于色谱法至少要提供空白生物样品色谱图、空白生物样品外加对照物质色谱图(注明浓度)及用药后的生物样品色谱图。对于复方制剂应特别加强专属性研究,以排除可能的干扰。对于LC-MS和LC-MS-MS方法,应着重考察基质效应。
2.标准曲线与线性范围
根据所测定物质的浓度与响应的相关性,用回归分析方法获得标准曲线。标准曲线高低浓度范围为线性范围,在线性范围内浓度测定结果应达到试验要求的精密度和准确度。必须用至少6个浓度建立标准曲线,应使用与待测样品相同的生物介质,线性范围要能覆盖全部待测浓度,不允许将线性范围外推求算未知样品的浓度。标准曲线不包括零点。
要求选择3个浓度的质控样品同时进行方法的精密度和准确度考察。低浓度接近定量下限(LLOQ),在LLOQ的3倍以内;高浓度接近于标准曲线的上限;中间选一个浓度。每一浓度至少测定5个样品。
精密度用质控样品的日内和日间相对标准差(RSD)表示,RSD一般应小于15%,在LLOQ附近RSD应小于20%。准确度是指用特定方法测得的生物样品浓度与真实浓度的接近程度,一般应在85%~115%范围内,在LLOQ附近应在80%~120%范围内。
4.定量下限
定量下限是标准曲线上的最低浓度点,要求至少能满足
测定3~5个半衰期时样品中的药物浓度,或Cmax的1/10~1/20时的药物浓度,其准确度应在真实浓度的80%~120%范围内,RSD应小于20%,信噪比应大于5。
5.样品稳定性
根据具体情况,对含药生物样品在室温、冰冻和冻融条件下以及不同存放时间进行稳定性考察,以确定生物样品的存放条件和时间。
6.提取回收率
应考察高、中、低3个浓度的提取回收率,其结果应一致、精密和可重现。
7.质控样品
质控样品系将已知量的待测药物加入到生物介质中配制的样品,用于质量控制。
8.质量控制
应在生物样品分析方法验证完成之后开始测试未知样品。每个未知样品一般测定一次,必要时可进行复测。生物样品每个分析批测定时应建立新的标准曲线,并随行测定高、中、低3个浓度的质控样品,每个浓度多重样本。每个分析批质控样品数不得少于未知样品数的5%,且不得少于6个。质控样品测定结果的偏差一般应小于15%,低浓度点偏差一般应小于20%。最多允许33%的质控样品结果超限,且不得均在同一浓度。如不合格,则该分析批样品测试结果作废。
9.测试结果
应详细描述所用的分析方法,引用已有的参考文献,提供每天的标准曲线、质控样品及未知样品的结果计算过程。还应提供全部未知样品分析的色谱图,包括全部相关的标准曲线和质控样品的色谱图,以供审查。
3.2 二、普通制剂
3.2.1 (一)受试者的选择
对参加生物利用度和生物等效性研究的受试者有一些特殊的要求。
1.受试者条件
一般情况选健康男性,特殊情况说明原因,如妇科用药。儿童用药应在成人中进行。具体要求如下。
(1)性别为男性。
(2)年龄一般要求18~40岁;同一批试验受试者年龄不宜相差10岁或以上。
(3)体重与标准体重相差±10%,同一批试验受试者体重应相近,体重单位以千克(kg)计。
(4)身体健康,无心、肝、肾、消化道、神经系统疾病及代谢异常等病史,并进行健康体检(如检查心电图、血压、心率、肝功能、肾功能、肺功能和血常规等),应无异常。特殊药物还需要检查相应的其他指标,如降血糖药物应检查血糖水平。
(6)2周前至试验期间不服用其他任何药物,试验期间禁烟、酒及含咖啡因的饮料。
(7)试验单位应与志愿受试者签署知情同意书。
2.受试者的例数
受试者必须具有足够的例数,按有关规定要求18~24例,必要时可增加受试者人数。
3.2.2 (二)参比制剂
生物利用度和生物等效性研究,必须有参比制剂作对照。参比制剂的安全性和有效性应该合格,参比制剂选择的原则如下:进行绝对生物利用度研究时选用上市的静脉注射剂为参比制剂;进行相对生物利用度或生物等效性研究时,应选择国内外同类上市主导产品作为参比制剂。
3.2.3 (三)受试制剂
受试制剂应为符合临床应用质量标准的放大试验产品,应提供受试制剂和参比制剂的体外溶出度比较(n≥12)数据,以及稳定性、含量或效价等数据。个别药物尚需提供多晶型及光学异构体资料。
受试和参比制剂实测含量差异应在5%之内。
3.2.4 (四)试验设计
对于两个制剂,即一个为受试制剂,另一个为参比制剂,通常采用双周期两制剂交叉试验设计,以抵消试验周期和个体差异对试验结果的影响。即将受试者随机分成两组,一组先服用受试制剂,后服用参比制剂;另一组先服用参比制剂,后服用受试制剂。两个试验周期之间为洗净期,洗净期应不少于药物的10个半衰期,通常为1周或2周。
对于3个制剂,即两个受试制剂和一个参比制剂,此时宜采用3制剂、3周期的二重3×3拉丁方式试验设计。每个周期之间的洗净期通常为1周或2周。
取样点对试验的可靠性起着重要作用。服药前取空白血样。一个完整的血药浓度一时间曲线应包括吸收相、分布相和消除相,总采样(不包括空白)不少于12个点。取样一般持续到3~5个半衰期或血药浓度为cmax的1/10~1/20。
在不能用血药浓度测定时,可采用其他生物样品进行测定,如尿液,但试验药品与试验方案应符合生物利用度测定要求。
3.2.5 (五)服药剂量确定
进行生物利用度与生物等效性研究时,药物剂量一般应与临床用药剂量一致。受试制剂和参比制剂最好应用等剂量。如需使用不相等剂量时,应说明原因,若药物在此剂量范围内符合线性动力学规律,则计算生物利用度时应以剂量校正。
3.2.6 (六)研究过程
受试者禁食过夜(10小时以上),于次日早晨空腹服用受试制剂或参比制剂,用250ml温开水送服。服药2小时后方可饮水,4小时后进统一标准餐。受试者于服药后,按要求在不同时间取静脉血。根据需要取血样(血浆、血清或全血),并冷冻贮存,备测。受试者服药后避免剧烈活动。取血样在临床监护室中进行。如受试者有不良反应时应有应急措施,必要时应停止试验。
生物等效性首选在禁食状态下进行,但对于空腹给药生物利用度非常低或者易出现胃肠道功能紊乱等强烈副作用的药物,可改为餐后给药进行生物等效性试验。
3.2.7 (七)药物动力学分析
将所得的各受试者不同时间样品的血药浓度数据及平均值与标准差列表并作图,然后分别对各受试者进行有关药物动力学参数求算,并求出参数的平均值和标准差。主要的药物动力学参数为消除半衰期(t1/2)、峰浓度(cmax)、峰时间(tmax)和血药浓度一时间曲线下面积AUC。cmax、tmax用实测值表示,不得内推。AUC0→tn(零到t时间的血药浓度-时间曲线下面积)用梯形法或对数梯形法计算,tn是最后一次可测浓度的取样时间。AUC0→∞(零到无限大时间的血药浓度-时间曲线下面积)按下式计算,AUC0→∞=AUC0→tn+Ctn/λz。 ctn是最后一点的血药浓度,λz是末端消除速度常数。λz用对数血药浓度-时间曲线线末端直线部分的斜率求得,t1/2=0.693/λz求出。

3.2.8 (八)生物利用度计算
1.单次给药
生物利用度F应用各个受试者的AUC0→tn和AUC0→∞分别计算,并求其均值与标准差。受试制剂(T)和参比制剂(R)剂量相同时:

若受试药物具有线性药物动力学特征时,受试制剂和参比制剂也可采用不同剂量,并按下式予以校正。

式中 DR为参比制剂的给药剂量;
DT为受试制剂的给药剂量。
代谢产物数据:对于前体药物,或由于药物在体内代谢极快,无法测定血中原形药物,此时可采用相应的活性代谢物进行生物利用度研究。
生物利用度计算以AUC0→tn为主,参考AUC0→∞
2.多次给药
在下列情况下,可考虑多次给药达稳态后,用稳态血药浓度估算生物利用度:(1)药物吸收程度相差不大,但吸收速度有较大差异;(2)生物利用度个体差异大;(3)缓释、控释制剂;(4)当单次给药后原药或代谢产物浓度很低,不能用相应的分析方法准确测得。
多次给药,经等间隔(τ)给药至稳态后,在某一给药间隔时间内,多次采集样品,分析药物浓度,计算在稳态剂量间隔期间从0~τ时间的血药浓度一时间曲线下的面积(AUCSS)。当受试制剂和参比制剂剂量相等时,即可用下式求得相对生物利用度。

式中,AUCSST和AUCSSR分别代表受试制剂与参比制剂稳态条件下的AUC。
3.2.9 (九)生物等效性评价(药物动力学数据统计分析)
应对药物动力学主要参数(如AUC、cmax)进行统计分析,作出生物等效性评价。统计分析先将AUC和cmax数据进行对数转换,然后进行方差分析与双单侧t检验处理,若受试制剂和参比制剂AUC几何均值比的90%置信区间在80%~125%范围内,且cmax几何均值比的90%置信区间在75%~133%范围内,则判定受试制剂与参比制剂生物等效。tmax可用非参数法进行检验。
为了便于生物等效性比较,每一受试者服用不同制剂的药物动力学参数(AUC和cmax)应平行列表,还要列出受试制剂(T)和参比制剂(R)参数之间的比值(T/R)和比值的对数。除了计算它们的算术均值外,还应该计算几何均值,都应该包括在报告中。
3.2.10 (十)临床报告、副作用和不良反应
受试者病史、身体检查和化验结果,以及与研究相关的可能副作用和不良反应,均应报告。
3.3 三、缓释、控释制剂
缓释、控释制剂的生物利用度与生物等效性试验应在单次给药与多次给药两种条件下进行。进行该类制剂生物等效性试验的前提是应进行至少3种溶出介质的两者体外溶出行为同等性研究。
3.3.1 (一)单次给药双周期交叉试验
本试验目的是在受试者空腹条件下,比较受试制剂与参比制剂的吸收速率和吸收程度,确认受试缓释、控释制剂与参比制剂是否为生物等效,并具有缓释、控释特征。
1.受试者要求与选择标准同普通制剂。
2.参比制剂
一般应选用国内外上市的同类缓释、控释制剂主导产品为参比制剂。若系创新的缓释、控释制剂,则应选择国内外上市的同类普通制剂主导产品为参比制剂。
3.试验过程
同普通制剂单次给药。
4.提供数据
(1)列出各受试者的血药浓度一时间数据、血药浓度平均值与标准差,列表并作图。
(2)计算各受试者药物动力学参数并求平均值与标准差。cmax、tmax、AUC0→tn、AUC0→tn和F;尽可能提供其他参数如平均滞留时间(MRT)等。
5.生物等效性评价
若受试缓释、控释制剂与参比缓释、控释制剂比较,AUC、Cmax符合生物等效性要求,tmax统计上应无显著差异,则认为两种制剂生物等效。若受试缓释、控释制剂与普通制剂比较,AUC符合生物等效性要求(同普通制剂AUC生物等效性评价),则认为吸收程度生物等效;若cmax有所降低,tmax有所延长,并按“二、普通制剂(九)”进行统计分析,其结果至少有一项指标不符合生物等效时,则表明受试制剂有缓释或控移特征。
3.3.2 (二)多次给药双周期交叉试验
本试验目的是研究受试缓释、控释制剂与参比制剂多次给药达稳态的速率与程度以及稳态血药浓度的波动情况。
1.受试者要求及选择标准
同单剂量项下,可继续用单剂量的受试者。受试者至少为18~24例,必要时可以适当增加。参比制剂同单次给药。
2.试验设计及过程
采用随机交叉试验设计方法,多次服用受试制剂与参比制剂。对于受试制剂,用拟定的用药剂量和方案。每日1次用药的制剂,受试者应在空腹10小时以后晨间服药,服药后继续禁食2~4小时;每日2次的制剂,首剂应空腹10小时以后服药,服药后继续禁食2~4小时,第二次应在餐前或餐后2小时服药,服药后继续禁食2小时。每次用250ml温开水送服,一般要求服药1~2小时后,方可再饮水。以普通制剂为参比制剂时,按常规用药剂量与方法,但应与缓释、控释受试制剂每日总剂量相等。
3.取样点的设计
连续服药时间至少经过7个消除半衰期后,连续测定3天的谷浓度(cmin),以确定血药浓度是否达稳态。取样点最好安排在不同天的同一时间(一般清晨),以抵消时辰对药物动力学的影响,且便于比较。达稳态后,在最后一剂量间隔内,参照单次给药采样时间点设计,采取足够血样点,测定该间隔内稳态血药浓度一时间数据,计算有关的药物动力学参数如峰浓度、峰时间、稳态平均血药浓度(cav)和AUCSS等。
4.药物动力学数据处理
(1)列出各受试者的血药浓度一时间数据、血药浓度平均值与标准差,列表并作图。
(2)求出各受试者的cmax、cmin、tmax、cav、AUCSS及各参数的平均值与标准差。cmax、tmax按实测值,cmin一般按最后一剂量间隔服药前与τ时间实测谷浓度的平均值计算,AUCSS按梯形法计算。
稳态平均血药浓度可用下式求出:

式中,AUCSS是在稳态剂量间隔期间从0~τ时间的血药浓度一时间曲线下的面积;τ是服药间隔时间。
(3)计算稳态时的生物利用度

(4)血药浓度的波动度DF(%)可用下式计算:
DF=(cmax-cmin)/cav×100%
式中,cmax为稳态给药期间最后一个给药剂量的实测药物峰浓度值;cmin为稳态给药期间最后一个给药剂量实测的谷浓度。当参比制剂亦为相同剂型的缓释制剂时,则受试制剂的DF/τ值应不大于参比制剂DF/τ值的143%,当参比制剂为普通制剂时,受试制剂的DF/τ值应显著小于普通制剂。
(5)统计学分析和生物等效性评价
与普通制剂的要求相同。
4 附录XIX C 原料药与药物制剂稳定性试验指导原则
稳定性试验的目的是考察原料药或药物制剂在温度、湿度、光线的影响下随时间变化的规律,为药品的生产、包装、贮存、运输条件提供科学依据,同时通过试验建立药品的有效期。
稳定性试验的基本要求是:(1)稳定性试验包括影响因素试验、加速试验与长期试验。影响因素试验用1批原料药或1批制剂进行。加速试验与长期试验要求用3批供试品进行。(2)原料药供试品应是一定规模生产的,供试品量相当于制剂稳定性试验所要求的批量,原料合成工艺路线、方法、步骤应与大生产一致。药物制剂供试品应是放大试验的产品,其处方与工艺应与大生产一致。药物制剂如片剂、胶囊剂,每批放大试验的规模,片剂至少应为10000片,胶囊剂至少应为10000粒。大体积包装的制剂如静脉输液等,每批放大规模的数量至少应为各项试验所需总量的10倍。特殊品种、特殊剂型所需数量,根据情况另定。(3)供试品的质量标准应与临床前研究及临床试验和规模生产所使用的供试品质量标准一致。(4)加速试验与长期试验所用供试品的包装应与上市产品一致。(5)研究药物稳定性,要采用专属性强、准确、精密、灵敏的药物分析方法与有关物质(含降解产物及其他变化所生成的产物)的检查方法,并对方法进行验证,以保证药物稳定性试验结果的可靠性。在稳定性试验中,应重视降解产物的检查。(6)由于放大试验比规模生产的数量要小,故申报者应承诺在获得批准后,从放大试验转入规模生产时,对最初通过生产验证的3批规模生产的产品仍需进行加速试验与长期稳定性试验。
本指导原则分两部分,第一部分为原料药,第二部分为药物制剂。
4.1 一、原料药
原料药要进行以下试验。
4.1.1 (一)影响因素试验
此项试验是在比加速试验更激烈的条件下进行。其目的是探讨药物的固有稳定性、了解影响其稳定性的因素及可能的降解途径与降解产物,为制剂生产工艺、包装、贮存条件和建立降解产物分析方法提供科学依据。供试品可以用1批原料药进行,将供试品置适宜的开口容器中(如称量瓶或培养皿),摊成≤5mm厚的薄层,疏松原料药摊成≤10mm厚的薄层,进行以下试验。当试验结果发现降解产物有明显的变化,应考虑其潜在的危害性,必要时应对降解产物进行定性或定量分析。
(1)高温试验 供试品开口置适宜的洁净容器中,60℃温度下放置10天,于第5天和第10天取样,按稳定性重点考察项目进行检测。若供试品含量低于规定限度则在40℃条件下同法进行试验。若60℃无明显变化,不再进行40℃试验。
(2)高湿度试验 供试品开口置恒湿密闭容器中,在25℃分别于相对湿度90%±5%条件下放置10天,于第5天和第10天取样,按稳定性重点考察项目要求检测,同时准确称量试验前后供试品的重量,以考察供试品的吸湿潮解性能。若吸湿增重5%以上,则在相对湿度75%±5%条件下,同法进行试验;若吸湿增重5%以下,其他考察项目符合要求,则不再进行此项试验。恒湿条件可在密闭容器如干燥器下部放置饱和盐溶液,根据不同相对湿度的要求,可以选择NaCl饱和溶液(相对湿度75%±1%,15.5~60℃),KNO3饱和溶液(相对湿度92.5%,25℃)。
(3)强光照射试验 供试品开口放在装有日光灯的光照箱或其他适宜的光照装置内,于照度为4500lx±500lx的条件下放置10天,于第5天和第10天取样,按稳定性重点考察项目进行检测,特别要注意供试品的外观变化。
关于光照装置,建议采用定型设备“可调光照箱”,也可用光橱,在箱中安装日光灯数支使达到规定照度。箱中供试品台高度可以调节,箱上方安装抽风机以排除可能产生的热量,箱上配有照度计,可随时监测箱内照度,光照箱应不受自然光的干扰,并保持照度恒定,同时防止尘埃进入光照箱内。
此外,根据药物的性质必要时可设计试验,探讨pH值与氧及其他条件对药物稳定性的影响,并研究分解产物的分析方法。创新药物应对分解产物的性质进行必要的分析。
4.1.2 (二)加速试验
此项试验是在加速条件下进行。其目的是通过加速药物的化学或物理变化,探讨药物的稳定性,为制剂设计、包装、运输、贮存提供必要的资料。供试品要求3批,按市售包装,在温度40℃±2℃、相对湿度75%±5%的条件下放置6个月。所用设备应能控制温度±2℃、相对湿度±5%,并能对真实温度与湿度进行监测。在试验期间第1个月、2个月、3个月、6个月末分别取样一次,按稳定性重点考察项目检测。在上述条件下,如6个月内供试品经检测不符合制订的质量标准,则应在中间条件下即在温度30℃±2℃、相对湿度65%±5%的情况下(可用Na2CrO4饱和溶液,30℃,相对湿度64.8%)进行加速试验,时间仍为6个月。加速试验,建议采用隔水式电热恒温培养箱(20~60℃)。箱内放置具有一定相对湿度饱和盐溶液的干燥器,设备应能控制所需温度,且设备内各部分温度应该均匀,并适合长期使用。也可采用恒湿恒温箱或其他适宜设备。
对温度特别敏感的药物,预计只能在冰箱中(4~8℃)保存,此种药物的加速试验,可在温度25℃±2℃、相对湿度60%±10%的条件下进行,时间为6个月。
4.1.3 (三)长期试验
长期试验是在接近药物的实际贮存条件下进行,其目的是为制定药物的有效期提供依据。供试品3批,市售包装,在温度25℃±2℃,相对湿度60%±10%的条件下放置12个月,或在温度30℃±2℃、相对湿度65%±5%的条件下放置12个月,这是从我国南方与北方气候的差异考虑的,至于上述两种条件选择哪一种由研究者确定。每3个月取样一次,分别于0个月、3个月、6个月、9个月、12个月取样按稳定性重点考察项目进行检测。12个月以后,仍需继续考察,分别于18个月、24个月、36个月,取样进行检测。将结果与0个月比较,以确定药物的有效期。由于实验数据的分散性,一般应按95%可信限进行统计分析,得出合理的有效期。如3批统计分析结果差别较小,则取其平均值为有效期,若差别较大则取其最短的为有效期。如果数据表明,测定结果变化很小,说明药物是很稳定的,则不作统计分析。
对温度特别敏感的药物,长期试验可在温度6℃±2℃的条件下放置12个月,按上述时间要求进行检测,12个月以后,仍需按规定继续考察,制订在低温贮存条件下的有效期。
长期试验采用的温度为25℃±2℃、相对湿度为60%±10%,或温度30℃±2℃、相对湿度65%±5%,是根据国际气候带制定的。国际气候带见下表。
表 国际气候带

①记录温度;
②MKT为平均动力学温度。
温带主要有英国、北欧、加拿大、俄罗斯;亚热带有美国、日本、西欧(葡萄牙-希腊);干热带有伊朗、伊拉克、苏丹;湿热带有巴西、加纳、印度尼西亚、尼加拉瓜、菲律宾。中国总体来说属亚热带,部分地区属湿热带,故长期试验采用温度为25℃±2℃、相对湿度为60%±10%,或温度30℃±2℃、相对湿度65%±5%,与美、日、欧国际协调委员会(ICH)采用条件基本是一致的。
原料药进行加速试验与长期试验所用包装应采用模拟小桶,但所用材料与封装条件应与大桶一致。
4.2 二、药物制剂
药物制剂稳定性研究,首先应查阅原料药稳定性有关资料,特别了解温度、湿度、光线对原料药稳定性的影响,并在处方筛选与工艺设计过程中,根据主药与辅料性质,参考原料药的试验方法,进行影响因素试验、加速试验与长期试验。
4.2.1 (一)影响因素试验
药物制剂进行此项试验的目的是考察制剂处方的合理性与生产工艺及包装条件。供试品用1批进行,将供试品如片剂、胶囊剂、注射剂(注射用无菌粉末如为西林瓶装,不能打开瓶盖,以保持严封的完整性),除去外包装,置适宜的开口容器中,进行高温试验、高湿度试验与强光照射试验,试验条件、方法、取样时间与原料药相同,重点考察项目见附表。
4.2.2 (二)加速试验
此项试验是在加速条件下进行,其目的是通过加速药物制剂的化学或物理变化,探讨药物制剂的稳定性,为处方设计、工艺改进、质量研究、包装改进、运输、贮存提供必要的资料。供试品要求3批,按市售包装,在温度40℃±2℃、相对湿度75%±5%的条件下放置6个月。所用设备应能控制温度±2℃、相对湿度±5%,并能对真实温度与湿度进行监测。在试验期间第1个月、2个月、3个月、6个月末分别取样一次,按稳定性重点考察项目检测。在上述条件下,如6个月内供试品经检测不符合制订的质量标准,则应在中间条件下即在温度30℃±2℃、相对湿度65%±5%的情况下进行加速试验,时间仍为6个月。溶液剂、混悬剂、乳剂、注射液等含有水性介质的制剂可不要求相对湿度。试验所用设备与原料药相同。
对温度特别敏感的药物制剂,预计只能在冰箱(4~8℃)内保存使用,此类药物制剂的加速试验,可在温度25℃±2℃、相对湿度60%±10%的条件下进行,时间为6个月。
乳剂、混悬剂、软膏剂、乳膏剂、糊剂、凝胶剂、眼膏剂、栓剂、气雾剂、泡腾片及泡腾颗粒宜直接采用温度30℃±2℃、相对湿度65%±5%的条件进行试验,其他要求与上述相同。对于包装在半透性容器中的药物制剂,例如低密度聚乙烯制备的输液袋、塑料安瓿、眼用制剂容器等,则应在温度40℃±2℃、相对湿度25%±5%的条件(可用CH3COOK·1.5H2O饱和溶液)进行试验。
4.2.3 (三)长期试验
长期试验是在接近药品的实际贮存条件下进行,其目的是为制订药品的有效期提供依据。供试品3批,市售包装,在温度25℃±2℃、相对湿度60%±10%的条件下放置12个月,或在温度30℃±2℃、相对湿度65%±5%的条件下放置12个月,这是从我国南方与北方气候的差异考虑的,至于上述两种条件选择哪一种由研究者确定。每3个月取样一次,分别于0个月、3个月、6个月、9个月、12个月取样,按稳定性重点考察项目进行检测。12个月以后,仍需继续考察,分别于18个月、24个月、36个月取样进行检测。将结果与0个月比较以确定药品的有效期。由于实测数据的分散性,一般应按95%可信限进行统计分析,得出合理的有效期。如3批统计分析结果差别较小,则取其平均值为有效期限。若差别较大,则取其最短的为有效期。数据表明很稳定的药品,不作统计分析。
对温度特别敏感的药品,长期试验可在温度6℃±2℃的条件下放置12个月,按上述时间要求进行检测,12个月以后,仍需按规定继续考察,制订在低温贮存条件下的有效期。
25℃±2℃、相对湿度40%±5%,或30℃±2℃、相对湿度35%±5%的条件进行试验,至于上述两种条件选择哪一种由研究者确定。
稳定性重点考察项目
原料药及主要剂型的重点考察项目见附表,表中未列入的考察项目及剂型,可根据剂型及品种的特点制订。
稳定性重点考察项目 | |
原料药 | |
性状、均匀性、含量、粒度、有关物质 | |
性状、均匀性、含量、粒度、有关物质、分层现象 | |
性状、均匀性、含量、粒度、有关物质 | |
如为溶液,应考察性状、可见异物、含量、pH值、有关物质;如为混悬液,还应考察粒度、再分散性;洗眼剂还应考察无菌,眼丸剂应考察粒度与无菌 | |
性状、含量、有关物质、溶散时限 | |
性状、含量、澄清度、有关物质 |
注:有关物质(含降解产物及其他变化所生成的产物)应说明其生成产物的数目及量的变化,如有可能应说明有关物质中何者为原料中的中间体,何者为降解产物,稳定性试验重点考察降解产物。
5 附录XIX D 缓释、控释和迟释制剂指导原则
缓释、控释制剂与普通制剂比较,药物治疗作用持久、毒副作用低、用药次数减少。由于设计要求,药物可缓慢地释放进入体内,血药浓度“峰谷”波动小,可避免超过治疗血药浓度范围的毒副作用,又能保持在有效浓度范围(治疗窗)之内以维持疗效。缓释、控释制剂也包括眼用、鼻腔、耳道、阴道、直肠、口腔或牙用、透皮或皮下、肌内注射及皮下植入,使药物缓慢释放吸收,避免门肝系统的“首过效应”的制剂。迟释制剂系指在给药后不立即释放药物的制剂,如避免药物在胃内灭活或对胃的刺激,而延迟到肠内释放或在结肠定位释放的制剂,也包括在某种条件下突然释放的脉冲制剂。
缓释、控释、迟释制剂的释药原理主要有控制溶出、扩散、溶蚀或扩散与溶出相结合,也可利用渗透压或离子交换机制。释放过程可以用不同方程进行曲线拟合,如一级方程、Higuchi方程、零级方程等。缓释与控释的主要区别在于缓释制剂是按时间变化先多后少地非恒速释放,而控释制剂是按零级速率规律释放,即其释药是不受时间影响的恒速释放,可以得到更为平稳的血药浓度,“峰谷”波动更小,直至基本吸收完全。通常缓释、控释制剂中所含的药物量比相应一次剂量的普通制剂多,工艺也较复杂。为了既能获得可靠的治疗效果又不致引起突然释放(突释)所带来毒副作用的危险性,必须在设计、试制、生产等环节避免或减少突释。缓释、控释、迟释制剂体外、体内的释放行为应符合临床要求,且不受或少受生理与食物因素的影响。所以应有一个能反映体内基本情况的体外释放度实验方法,以控制制剂质量,保证制剂的安全性与有效性。
本指导原则的缓释、控释、迟释制剂以口服为重点,也可供其他给药途径的参考。
5.1 一、缓释、控释、迟释制剂的定义
1.缓释制剂
系指在规定释放介质中,按要求缓慢地非恒速释放药物,其与相应的普通制剂比较,给药频率比普通制剂减少一半或给药频率比普通制剂有所减少,且能显著增加患者的依从性的制剂。
2.控释制剂
系指在规定释放介质中,按要求缓慢地恒速释放药物,其与相应的普通制剂比较,给药频率比普通制剂减少一半或给药频率比普通制剂有所减少,血药浓度比缓释制剂更加平稳,且能显著增加患者的依从性的制剂。
3.迟释制剂
迟释制剂系指在给药后不立即释放药物的制剂,包括肠溶制剂、结肠定位制剂和脉冲制剂等。
肠溶制剂系指在规定的酸性介质中不释放或几乎不释放药物,而在要求的时间内,于pH6.8磷酸盐缓冲液中大部分或全部释放药物的制剂。
结肠定位制剂系指在胃肠道上部基本不释放、在结肠内大部分或全部释放的制剂,即在规定的酸性介质与pH6.8磷酸盐缓冲液中不释放或几乎不释放,而在要求的时间内,于pH7.5~8.0磷酸盐缓冲液中大部分或全部释放的制剂。脉冲制剂系指不立即释放药物,而在某种条件下(如在体液中经过一定时间或一定pH值或某些酶作用下)一次或多次突然释放药物的制剂。
5.2 二、体外药物释放度试验
本试验是在模拟体内消化道条件下(如温度、介质的pH值、搅拌速率等),对制剂进行药物释放速率试验,最后制订出合理的体外药物释放度,以监测产品的生产过程与对产品进行质量控制。
1.仪器装置
除另有规定外,缓释、控释、迟释制剂的体外药物释放度试验可采用溶出度测定仪进行。
贴剂可采用释放度测定法(2010年版药典二部附录Ⅹ D 第三法)检查,应符合规定。
2.温度控制
缓释、控释、迟释制剂模拟体温应控制在37℃±0.5℃,但贴剂应在32℃±0.5℃模拟表皮温度。
3.释放介质
以脱气的新鲜纯化水为常用释放介质,或根据药物的溶解特性、处方要求、吸收部位,使用稀盐酸(0.001~0.1mol/L)或pH3~8的磷酸盐缓冲液,对难溶性药物不宜采用有机溶剂,可加少量表面活性剂(如十二烷基硫酸钠等)。
释放介质的体积应符合漏槽条件。
除迟释制剂外,体外释放速率试验应能反映出受试制剂释药速率的变化特征,且能满足统计学处理的需要,释药全过程的时间不应低于给药的间隔时间,且累积释放百分率要求达到90%以上。除另有规定外,通常将释药全过程的数据作累积释放百分率一时间的释药曲线图,制订出合理的释放度检查方法和限度。
缓释制剂从释药曲线图中至少选出3个取样时间点,第一点为开始0.5~2小时的取样时间点,用于考察药物是否有突释,第二点为中间的取样时间点,用于确定释药特性,最后的取样时间点,用于考察释药是否基本完全。此3点可用于表征体外缓释制剂药物释放度。
控释制剂除以上3点外,还应增加2个取样时间点。此5点可用于表征体外控释制剂药物释放度。释放百分率的范围应小于缓释制剂。如果需要,可以再增加取样时间点。
多于一个活性成分的产品,要求对每一个活性成分均按以上要求进行释放度测定。
5.工艺的重现性与均一性试验
应考察3批以上、每批6片(粒)产品批与批之间体外药物释放度的重现性,并考察同批产品6片(粒)体外药物释放度的均一性。
6.释药模型的拟合
缓释制剂的释药数据可用一级方程和Higuchi方程等拟合,即
ln(1-Mt/M∞)=-kt(一级方程)
Mt/M∞=kt1/2(Higuchi方程)控释制剂的释药数据可用零级方程拟合,即Mt/M∞=kt(零级方程)
以上式中,Mt为t时间的累积释放量;M∞为∞时累积释放量;Mt/M∞为t时累积释放百分率。拟合时以相关系数(r)最大而均方误差(MSE)最小的为拟合结果最好。
5.3 三、缓释、控释、迟释制剂的体内试验
对缓释、控释、迟释制剂的安全性和有效性进行评价,应通过体内的药效学和药动学试验。首先对缓释、控释、迟释制剂中药物特性的物理化学性质应有充分了解,包括有关同质多晶、粒子大小及其分布、溶解性、溶出速率、稳定性以及制剂可能遇到的其他生理环境极端条件下控制药物释放的变量。制剂中药物因受处方等的影响,溶解度等物理化学特性会发生变化,应测定相关条件下的溶解特性。难溶性药物的制剂处方中含有表面活性剂(如十二烷基硫酸钠)时,需要了解其溶解特性。
关于药物的药动学性质,推荐采用该药物的普通制剂(静脉用或口服溶液,或经批准的其他普通制剂)作为参考,对比其中药物释放、吸收情况,来评价缓释、控释、迟释制剂的释放、吸收情况。当设计口服缓释、控释、迟释制剂时,测定药物在胃肠道各段(尤其是当在结肠定位释药时的结肠段)的吸收,是很有意义的。食物的影响也应进行研究。
药物的药效学性质应反映出在足够广泛的剂量范围内药物浓度与临床响应值(治疗效果或副作用)之间的关系。此外,应对血药浓度和临床响应值之间的平衡时间特性进行研究。如果在药物或药物的代谢物与临床响应值之间已经有很确定的关系,缓释、控释、迟释制剂的临床表现可以由血药浓度一时间关系的数据表示。如果无法得到这些数据,则应进行临床试验和药动学一药效学试验。
缓释、控释、迟释制剂进行的生物利用度与生物等效性试验,详见附录XIX B。
非口服的缓释、控释、迟释制剂还需对其作用部位的刺激性和(或)过敏性等进行试验。
5.4 四、体内一体外相关性
5.4.1 (一)关于体内-体外相关性的方法
体内-体外相关性,指的是由制剂产生的生物学性质或由生物学性质衍生的参数(如tmax、cmax或AUC),与同一制剂的物理化学性质(如体外释放行为)之间,建立了合理的定量关系。
缓释、控释、迟释制剂要求进行体内外相关性的试验,它应反映整个体外释放曲线与血药浓度一时间曲线之间的关系。只有当体内外具有相关性,才能通过体外释放曲线预测体内情况。
体内外相关性可归纳为三种:①体外释放曲线与体内吸收曲线(即由血药浓度数据去卷积而得到的曲线)上对应的各个时间点应分别相关,这种相关简称点对点相关,表明两条曲线可以重合。②应用统计矩分析原理建立体外释放的平均时间与体内平均滞留时间之间的相关。由于能产生相似的平均滞留时间可有很多不同的体内曲线,因此体内平均滞留时间不能代表体内完整的血药浓度一时间曲线。③将一个释放时间点(t50%、t90%等)与一个药物动力学参数(如AUC、cmax或tmax)之间单点相关,它只说明部分相关。
5.4.2 (二)本指导原则采用的方法
本指导原则缓释、控释、迟释制剂体内外相关性,系指体内吸收相的吸收曲线与体外释放曲线之间对应的各个时间点回归,得到直线回归方程的相关系数符合要求,即可认为具有相关性。
1.体内-体外相关性的建立
(1)体外累积释放百分率-时间的体外释放曲线
如果缓释、控释、迟释制剂的释放行为随外界条件变化而变化,就应该另外再制备两种试品(一种比原制剂释放更慢,另一种更快),研究影响其释放快慢的外界条件,并按体外释放度试验的最佳条件,得到体外累积释放百分率-时间的体外释放曲线。
根据单剂量交叉试验所得血药浓度-时间曲线的数据,对在体内吸收呈现单室模型的药物,可换算成体内吸收百分率-时间的体内吸收曲线,体内任一时间药物的吸收百分率(Fa)可按以下Wagner-Nelson方程计算:

式中ct为t时间的血药浓度;
k为由普通制剂求得的消除速率常数。
双室模型药物可用简化的Loo-Riegelman方程计算各时间点的吸收百分率。
当药物释放为体内药物吸收的限速因素时,可利用线性最小二乘法回归原理,将同批试样体外释放曲线和体内吸收相吸收曲线上对应的各个时间点的释放百分率和吸收百分率回归,得直线回归方程。
6 附录XIX E 微囊、微球与脂质体制剂指导原则
微囊、微球、脂质体制剂系指药物与适宜的辅料,通过微型包囊技术制得微囊、微球、脂质体,然后再按临床不同给药途径与用途制成的各种制剂。
药物制成微囊、微球、脂质体后,可掩盖药物的不良气味与口味,提高药物的稳定性,防止药物在胃内失活或减少对胃的刺激,可将液态药物固态化以便运输、应用与贮存,可减少复方药物的配伍变化,可使制剂具有缓释性、控释性、迟释性,有的还具有靶向性。
微囊、微球、脂质体可作为药物载体,其中具有靶向性药物载体的制剂通常称为靶向制剂。靶向制剂可使药物浓集于或接近靶细胞、靶组织、靶器官,提高疗效并显著降低对其他组织、器官及全身的毒副作用。
靶向制剂可分为三类:①一级靶向制剂,系指进入靶部位的毛细血管床释药;②二级靶向制剂,系指药物进入靶部位的特殊细胞(如肿瘤细胞)释药,而不作用于正常细胞;③三级靶向制剂,系指药物作用于细胞内的一定部位。
6.1 一、药物载体的类型
(1)微囊系指固态或液态药物被辅料包封成的微小胶囊。通常粒径在1~250μm之间的称微囊,而粒径在0.1~1μm之间的称亚微囊,粒径在10~100nm之间的称纳米囊。
(2)微球系指药物溶解或分散在辅料中形成的微小球状实体。通常粒径在1~250μm之间的称微球,而粒径在0.1~1μm之间的称亚微球,粒径在10~100nm之间的称纳米球。
(3)脂质体系指药物被类脂双分子层包封成的微小囊泡。脂质体有单室与多室之分。小单室脂质体的粒径一般在20~80nm之间,大单室脂质体的粒径在0.1~1μm之间,多室脂质体的粒径在1~5μm之间。通常小单室脂质体也可称纳米脂质体。
6.2 二、常用辅料
辅料通常可分为以下三类。
(1)在体内生物相容和可生物降解的天然材料有明胶、蛋白质、淀粉、壳聚糖、海藻酸盐、磷脂、胆固醇等。
(2)半合成材料分为在体内可生物降解与不可生物降解两类。在体内可生物降解的有氢化大豆磷脂、聚乙二醇二硬脂酰磷脂酰乙醇胺等;不可生物降解的有甲基纤维素、乙基纤维素、羧甲基纤维素盐、羟丙甲纤维素、邻苯二甲酸乙酸纤维素等。
(3)合成材料分为在体内可生物降解与不可生物降解两类。可生物降解材料应用较广的有聚乳酸、聚氨基酸、聚羟基丁酸酯、乙交酯-丙交酯共聚物等;不可生物降解的材料有聚酰胺、聚乙烯醇、丙烯酸树脂、硅橡胶等。
此外,在制备微囊、微球、脂质体时,可加入润湿剂、乳化剂、抗氧剂或表面活性剂等。
6.3 三、控制生产过程与贮藏期间应检查的项目
6.3.1 (一)有害有机溶剂的限度检查
在生产过程中引入有害有机溶剂时,应按附录Ⅷ P残留溶剂测定法测定,凡未规定限度者,可参考ICH,否则应制定有害有机溶剂残留量的测定方法与限度。
6.3.2 (二)形态、粒径及其分布的检查
1.形态观察 微囊、微球、脂质体可采用光学显微镜观察,粒径小于2μm的需用扫描或透射电子显微镜观察,均应提供照片。
2.粒径及其分布 应提供粒径的平均值及其分布的数据或图形。测定粒径有多种方法,如光学显微镜法、电感应法、光感应法或激光衍射法等。测定不少于500个的粒径,由计算机软件或下式求得算术平均径dav。
dav=∑(nd)/∑n=(n1d1+n2d2+…+nndn)/(n1+n2+…+nn)式中,n1、n2…nn为具有粒径d1、d2…dn的粒子数。微囊、微球、脂质体的粒径分布数据,常用各粒径范围内的粒子数或百分率表示;有时也可用跨距表示,跨距愈小分布愈窄,即粒子大小愈均匀。
跨距=(D90-D10)/D50
式中,D10、D50、D90分别指粒径累积分布图中10%、50%、90%处所对应的粒径。
如需作图,将所测得的粒径分布数据,以粒径为横坐标,以频率(每一粒径范围的粒子个数除以粒子总数所得的百分率)为纵坐标,即得粒径分布直方图;以各粒径范围的频率对各粒径范围的平均值可作粒径分布曲线。
6.3.3 (三)载药量或包封率的检查
微囊、微球、脂质体必须提供载药量或包封率的数据。

若得到的是分散在液体介质中的微囊、微球、脂质体,应通过适当方法(如凝胶柱色谱法、离心法或透析法)进行分离后测定,按下式计算包封率:

包封率不得低于80%。
6.3.4 (四)突释效应或渗漏率的检查
药物在微囊、微球、脂质体中的情况一般有三种,即吸附、包人和嵌入。在体外释放试验时,表面吸附的药物会快速释放,称为突释效应。开始0.5小时内的释放量要求低于40%。
若微囊、微球、脂质体产品分散在液体介质中贮藏,应检查渗漏率,可由下式计算:

6.3.5 (五)脂质体氧化程度的检查
脂质体含有的磷脂容易被氧化,这是脂质体突出的问题。在含有不饱和脂肪酸的脂质混合物中,磷脂的氧化分三个阶段:单个双键的偶合、氧化产物的形成、乙醛的形成及键断裂。因为各阶段产物不同,氧化程度很难用一种试验方法评价。本指导原则采用氧化指数为指标。
氧化指数的测定 由于氧化偶合后的磷脂在波长230nm左右具有紫外吸收峰而有别于未氧化的磷脂。测定脂质体的磷脂时,其氧化指数应控制在0.2以下。具体方法是:将磷脂溶于无水乙醇配成一定浓度的澄明溶液,分别测定在波长233nm及215nm的吸光度,由下式计算氧化指数:
氧化指数=A233nm/A215nm
6.3.6 (六)微囊、微球、脂质体制剂
应符合有关制剂通则的规定微囊、微球、脂质体制剂,除应符合本指导原则的要求外,还应分别符合有关制剂通则(如片剂、胶囊剂、注射剂、眼用制剂、鼻用制剂、贴剂、气雾剂等)的规定。
若微囊、微球、脂质体制成缓释、控释、迟释制剂,则应符合缓释、控释、迟释制剂指导原则的要求。
6.3.7 (七)靶向制剂评价
7 附录XIX F 药品杂质分析指导原则
本附录为药品质量标准中化学合成或半合成的有机原料药及其制剂杂质分析的指导原则,供药品研究、生产、质量标准起草和修订参考。
任何影响药品纯度的物质均称为杂质。药品质量标准中的杂质系指在按照经国家有关药品监督管理部门依法审查批准的规定工艺和规定原辅料生产的药品中,由其生产工艺或原辅料带入的杂质,或在贮存过程中产生的杂质。药品质量标准中的杂质不包括变更生产工艺或变更原辅料而产生的新的杂质,也不包括掺入或污染的外来物质。药品生产企业变更生产工艺或原辅料,并由此带进新的杂质对原质量标准的修订,均应依法向有关药品监督管理部门申报批准。药品中不得掺入或污染药品或其组分以外的外来物质。对于假劣药品,必要时应根据各具体情况,可采用非法定分析方法予以检测。
7.1 1.杂质的分类及其在药品质量标准中的项目名称
按化学类别和特性,杂质可分为:有机杂质、无机杂质、有机挥发性杂质。按其来源,杂质可分为:有关物质(包括化学反应的前体、中间体、副产物和降解产物等)、其他杂质和外来物质等。按结构关系,杂质又可分为:其他甾体、其他生物碱、几何异构体、光学异构体[1]和聚合物等。按其毒性,杂质又可分为:毒性杂质和普通杂质等。普通杂质即为在存在量下无显著不良生物作用的杂质,而毒性杂质为具强烈不良生物作用的杂质。由于杂质的分类方法甚多,所以,药品质量标准中检查项下杂质的项目名称,应根据国家药典委员会编写的《国家药品标准工作手册》的要求进行规范。如有机杂质的项目名称可参考下列原则选用。
(1)检查对象明确为某一物质时,就以该杂质的化学名作为项目名称,如磷酸可待因中的“吗啡”,氯贝丁酯中的“对氯酚”,盐酸苯海索中的“哌啶苯丙酮”,盐酸林可霉素中的“林可霉素B”以及胰蛋白酶中的“糜蛋白酶”等。如果该杂质的化学名太长,又无通用的简称,可参考螺内酯项下的“巯基化合物”、肾上腺索中的“酮体”、盐酸地芬尼多中的“烯化合物”等,选用相宜的项目名称。在质量标准起草说明中应写明已明确杂质的结构式。
(2)检查对象不能明确为某一单一物质而又仅知为某一类物质时,则其项目名称可采用“其他甾体”、“其他生物碱”、“其他氨基酸”、“还原糖”、“脂肪酸”、“芳香第一胺”、“含氯化合物”、“残留溶剂”或“有关物质”等。
(3)未知杂质,仅根据检测方法选用项目名称,如“杂质吸光度”、“易氧化物”、“易炭化物”、“不挥发物”、“挥发性杂质”等。
7.2 2.质量标准中杂质检查项目的确定
新原料药和新制剂中的杂质,应按国家有关新药申报要求进行研究,也可参考ICH的文本Q3A(新原料药中的杂质)和Q3B(新制剂中的杂质)进行研究,并对杂质和降解产物进行安全性评价。新药研制部门对在合成、纯化和贮存中实际存在的杂质和潜在的杂质,应采用有效的分离分析方法进行检测。对于表观含量在0.1%及其以上的杂质以及表观含量在0.1%以下的具强烈生物作用的杂质或毒性杂质,予以定性或确证其结构。对在稳定性试验中出现的降解产物,也应按上述要求进行研究。新药质量标准中的杂质检查项目应包括经研究和稳定性考察检出的,并在批量生产中出现的杂质和降解产物,并包括相应的限度,结构已知和未知的这类杂质属于特定杂质(specified impurities)。除降解产物和毒性杂质外,在原料中已控制的杂质,在制剂中一般不再控制。原料药和制剂中的无机杂质,应根据其生产工艺、起始原料情况确定检查项目,但对于毒性无机杂质,应在质量标准中规定其检查项。
在仿制药品的研制和生产中,如发现其杂质模式与其原始开发药品不同或与已有法定质量标准规定不同,需增加新的杂质检查项目的,应按上述方法进行研究,申报新的质量标准或对原质量标准进行修订,并报有关药品监督管理部门审批。共存的异构体和抗生素多组分一般不作为杂质检查项目,作为共存物质,必要时,在质量标准中规定其比例,以保证生产用的原料药与申报注册时的一致性。但当共存物质为毒性杂质时,该物质就不再认为是共存物质。单一对映体药物,其可能共存的其他对映体应作为杂质检查。消旋体药物,当已有其单一对映体药物的法定质量标准时,应在该消旋体药物的质量标准中设旋光度检查项目。单一对映体药物,其可能共存的其他对映体应作为杂质检查。消旋体药物,当已有其单一对映体药物的法定质量标准时,应在该消旋体药物的质量标准中设旋光度检查项目。[1]
残留溶剂,应根据生产工艺中所用有机溶剂及其残留情况,确定检查项目。可参考本药典关于残留溶剂的要求,或参考ICH文本Q3C(残留溶剂指导原则)。对残留的毒性溶剂,应规定其检查项目。
7.3 3.杂质检查分析方法和杂质的限度
杂质检查分析方法应专属、灵敏。杂质检查应尽量采用现代分离分析手段,主成分与杂质和降解产物均能分开,其检测限应满足限度检查的要求,对于需作定量检查的杂质,方法的定量限应满足相应的要求。
杂质检查分析方法的建立应按本药典的要求作方法验证。在研究时,应采用几种不同的分离分析方法或不同测试条件以便比对结果,选择较佳的方法作为质量标准的检查方法。杂质检查分析方法的建立,应考虑普遍适用性,所用的仪器和试材应容易获得。对于特殊试材,应在质量标准中写明。在杂质分析的研究阶段,可用可能存在的杂质、强制降解产物,分别或加入主成分中,配制供试溶液进行色谱分析,调整色谱条件,建立适用性要求,保证方法专属、灵敏。
新药研究中的杂质和降解产物,或在非新药中发现的新杂质和新降解产物,应进行分离纯化制备或合成制备,以供进行安全性和质量研究。对确实无法获得的杂质和降解产物,研制部门在申报资料和质量标准起草说明中应写明理由。
在用现代色谱技术对杂质进行分离分析的情况下,对特定杂质中的已知杂质和毒性杂质,应使用杂质对照品进行定位;如无法获得该对照品时,可用相对保留值进行定位;特定杂质中的未知杂质可用相对保留值进行定位。应使用多波长检测器研究杂质在不同波长下的检测情况,并求得在确定的一个波长下,已知杂质,特别是毒性杂质对主成分的相对响应因子。已知杂质或毒性杂质对主成分的相对响应因子在0.9~1.1范围内时,可以用主成分的自身对照法计算含量,超出0.9~1.1范围时,宜用对照品对照法计算含量。也可用经验证的相对响应因子进行校正后计算。特定杂质中未知杂质的定量可用主成分自身对照品法进行计算。非特定杂质 (unspecified impurities)的限度一般为不得超过0.10%。杂质定量计算方法应明确规定在质量标准中。一般,质量标准中还应有单个杂质限量和总杂质限量的规定。
在用薄层色谱法分析杂质时,可采用杂质对照品或主成分的梯度浓度溶液比对,对杂质斑点进行半定量评估,质量标准中应规定杂质的个数及其限度。
对于立体异构体杂质的检测广泛采用手性色谱法,尤其是手性高效液相色谱法,包括手性固定相法和手性流动相添加剂法(直接法)、手性试剂衍生化法(间接法),其中手性固定相法由于其一般不需衍生化、定量分析准确性高、操作简便等特点,在手性药物的杂质检测中应用较多,缺点是每种固定相的适用对象有限制,需根据药物的结构特征选择合适的手性柱。对于立体异构体杂质检查方法的验证,立体专属性(选择性)和手性转化是实验考察的重点;通常立体异构体杂质的出峰顺序在前,而母体药物在后,有利于两者的分离和提高检测灵敏度。另外,由于手性色谱法不能直接反映手性药物的光学活性,需要与旋光度或比旋度测定相互补充,以有效控制手性药物的质量。[1]
由于色谱法杂质限度检查受色谱参数设置值的影响较大,有关操作注意事项应在起草说明中写明,必要时,可在质量标准中予以规定。
杂质限度的制订应考虑如下因素:杂质及含一定限量杂质的药品的毒理学研究结果;给药途径;每日剂量;给药人群;杂质药理学可能的研究结果;原料药的来源;治疗周期;在保证安全有效的前提下,药品生产企业对生产高质量药品所需成本和消费者对药品价格的承受力。
8 附录XIX G 正电子类放射性药品质量控制指导原则
正电子类放射性药品系指含有发射正电子的放射性核素的药品。它一般由医疗机构或者正电子类放射性药品生产企业于临床使用前制备。发射正电子的放射性核素主要有两种来源:通过回旋加速器制备和发生器制备。本指导原则仅适用于回旋加速器制备的正电子类放射性药品的质量控制。发生器制备的正电子类放射性药品,参照《锝[99mTc]放射性药品质量控制指导原则》进行质量控制。
为保证正电子类放射性药品用药安全有效,必须依据国家药品质量标准对制备的正电子类放射性药品进行质量控制。如果某种正电子类放射性药品尚未有国家标准,制备单位应起草该药品的质量标准,并经过中国药品生物制品检定所复核,在确认后方可用于该药品的质量控制。
1.发射正电子的放射性核素物理半衰期一般很短,正电子类放射性药品的制备必须迅速。为保证操作人员免受过量的电离辐射,一般采用自动化合成系统。
2.一般于临用前由医疗机械自行制备和合成。鉴于氟[18F]的半衰期稍长,含氟[18F]的放射性药品可由附近的具有正电子类放射性药品制备资格的医疗机构或生产企业制备和供应。
3.正电子类放射性药品批量较少,一般每批仅为数剂。
鉴于正电子类放射性药品制备和质量控制的特点,临床使用前不可能对每一批正电子类放射性药品进行全项检验。为保证正电子类放射性药品的质量,确保用药安全有效,规范正电子类放射性药品的质量控制,根据《药品管理法》和《放射性药品管理办法》,制订本指导原则。
8.1 一、放射性核素的半衰期大于20分钟的正电子类放射性药品(如含氟[18F]的放射性药品)
每批药品在使用前,应对如下项目进行质量控制:
3.放射化学纯度测定
4.放射性活度或浓度测定其他项目进行追溯性检验。
8.2 二、放射性核素的半衰期小于或等于20分钟的正电子类放射性药品(如含碳[11C]、氮[13N]、氧[15O]的放射性药品)
将在同一天相同条件下制备的所有同品种制剂定义为一批,而在一天内每次制备的制剂称为亚批。将在相同条件下制备的第一个亚批用于质量控制,在制备其他亚批前,至少对如下项目进行质量检验:
3.放射化学纯度测定
4.放射性活度或浓度测定其他项目进行追溯性检验。
8.3 三、追溯性检验
正电子类放射性药品的追溯性检验,应对在同一操作规范下制备的成品进行至少连续6批样品检验。如结果均符合规定的则可定期进行抽验,但至少1个月进行1次全检。
8.4 四、检验结果
上述检验,如有一项不符合标准规定的,应立即停止制备和使用。待查明原因、合理解决,并经过3批成品验证符合规定后,方可继续制备。已用于临床的,应对患者进行跟踪随访,采取必要的措施;如发生严重不良反应的按规定向当地药品监督管理部门和卫生行政部门报告。
8.5 五、质量保证措施
1.制备正电子类放射性药品的生产企业和医疗机构,应具备与制备和检验正电子类放射性药品相适应的场所、仪器和设备。仪器设备应定期校验,确保状态正常,并有仪器设备操作和校验规程、使用和维修记录。
2.制备和检验正电子类放射性药品的生产企业和医疗机构应具有相应专业技术人员,并经过培训。质量控制人员应经过中国药品生物制品检定所或国家食品药品监督管理局授权的机构有关放射性药品检验知识的培训,并取得培训合格证书。
3.正电子类放射性药品制备和检验应制定相应的标准操作规程,并严格执行。应有制备和检验记录,记录至少保存1年。
4.确保正电子类放射性药品制备和检验所用原料、物料和试剂符合相关规定的品质要求;并制定原料、物料和试剂的订购、贮存和使用管理规定。
5.为保证自动化合成工艺的稳定,对计算机和相关自动化设备应予以控制,不得擅自改变参数。如需改变,必须经授权人员按规定进行,每次修改应予以记录和验证。
6.应定期对操作规程和控制工艺流程的计算机软件进行验证,1年至少验证1次。如变更操作规程或计算机软件,应进行重新验证,并对至少连续制备的3批成品进行检验,结果符合质量标准规定时,方可用于正电子类放射性药品的制备。
7.应定期对正电子类放射性药品制备的净化间或超净台的净化性能进行验证,确保其符合要求。
8.医疗机构首次制备的正电子类放射性药品用于临床前,需连续制备3批样品经过中国药品生物制品检定所或国家食品药品监督管理局授权的药品检验机构检验,检验结果符合规定后,方可进入临床应用。
9 附录XIX H 锝[99mTc]放射性药品质量控制指导原则
锝[ggmTc]放射性药品系指含有放射性核素锝[99mTc],用于临床诊断的药品。它包括从钼-锝发生器淋洗得到的高锝[99mTc]酸钠注射液及利用高锝[99mTc]酸钠注射液和注射用配套药盒制备得到的放射性药品。
锝[99mTc]放射性药品一般由即时标记放射性药品生产企业或具有第三类以上(包括第三类)《放射性药品使用许可证》的医疗机构,在无菌操作条件下,以高锝[99mTc]酸钠注射液和相应注射用配套药盒制备得到。锝[99mTc]放射性药品的制备涉及环节较多,除高锝[99mTc]酸钠注射液和注射用配套药盒必须符合相应的质量标准外,对最终的成品必须进行质量检验。由于锝[99mTc]的物理半衰期仅为6.02小时,为此,以其制备的药品必须在制备后数十分钟至数小时内使用,不可能在完成全部质量检验后才发货或使用。根据《放射性药品管理办法》第十六条规定,锝[99mTc]放射性药品可边检验边发货或使用。同时,一批锝[99mTc]放射性药品仅为1剂或数剂药品(一般体积仅为数毫升),对每一批锝[99mTc]放射性药品进行全部质量检验是不现实的。
鉴于锝[99mTc]放射性药品的特殊性,为了保证锝[99mTc]放射性药品质量及其用药安全有效,根据《药品管理法》和《放射性药品管理办法》,特制订本指导原则。本指导原则适用于即时标记放射性药品生产企业和自行制备锝[99mTc]放射性药品的医疗机构(具有第三类以上《放射性药品使用许可证》)对锝[99mTc]放射性药品的质量控制。
9.1 一、发货或使用前必须进行检验的质量控制项目
1.性状
将锝[99mTc]放射性药品置于铅玻璃后通过肉眼观察,不得出现与其相应的质量标准有明显区别的性状(如规定为无色澄明液体,若发现颗粒状物质、出现浑浊或颜色变化,应停止发货和使用)。
2.pH值
可用经过校正的精密pH试纸检查,其pH值应在相应法定标准规定的范围内。
3.放射化学纯度
放射化学纯度应按相应的质量标准规定的方法进行测定。鉴于有些检验方法耗时较长,为适应快速质量控制的要求,企业或医疗机构可以采用经过验证的快速测定方法进行测定。快速测定方法必须经过测定本单位配制的3批以上样品,每批样品不少于3个时间点(即制备后即刻、有效期中间点和有效期末点)的严格验证,其限值不得低于标准中的限值。在日常使用过程中,应定期对该快速测定方法进行再验证(每年至少验证1次),确保其准确有效。
4.放射性活度
放射性活度应参照本放射性药品检定法(2010年版药典二部附录XIII)的相应规定进行测定。
5.颗粒大小
凡标准中规定有颗粒大小检查项的锝[99mTc]放射性药品,在发货或使用前应按标准或放射性药品检定法(2010年版药典二部附录XIII)项下的“颗粒细度测定法”进行检查。颗粒大小应符合标准规定。
9.2 二、可以边检验边发货或使用的质量控制项目
按标准方法或参照细菌内毒素检查法(2010年版药典二部附录Ⅺ E)进行检验。含细菌内毒素量应符合规定。
2.无菌
按无菌检查法(2010年版药典二部附录Ⅺ H)进行检验。
3.生物分布
凡标准中规定生物分布试验的锝[99mTc]放射性药品,应按规定进行生物分布试验。所使用的试验动物应符合有关规定。
4.如果上述检验项目有不符合标准规定的结果时,应立即停止该批锝[99mTc]放射性药品的制备、发货或使用,并检查原因。对已用于临床的,应对患者进行跟踪随访,采取必要的预防措施,并向当地药品监督管理部门和卫生行政主管部门报告。
5.如果有足够的数据(连续6批以上)说明产品细菌内毒素、无菌和生物分布试验结果均符合规定,则细菌内毒素、无菌和生物分布试验可定期检验。间隔时间应视检验结果规定。
9.3 三、相应的质量保证措施
1.制备和检验锝[99mTc]放射性药品的生产企业和医疗机构,应具备相适应的环境、仪器和设备。仪器设备应定期校验,确保状态正常,并有仪器设备操作和校验规程、使用记录、维修记录。
2.制备和检验含锝[99mTc]放射性药品的相关人员,应具备放射性药品有关知识,并经相应的培训。质量控制人员应经中国药品生物制品检定所或国家食品药品监督管理局授权的机构有关放射性药品检验知识的培训。
3.应制定锝[99mTc]放射性药品制备和检验的标准操作规程,并严格按照操作规程实施各项操作。应有制备和检验记录,记录至少保存1年。
4.确保制备和检验含锝[99mTc]放射性药品所用有关原料药和物料符合相关规定的品质要求,并制定原料药和物料的订购、贮存和使用管理规定。
5.定期对用于含锝[99mTc]放射性药品制备的净化间或超净台的洁净性能进行验证,确保其洁净情况符合要求。
6.对即时标记放射性药品生产企业,在购进新的钼-锝发生器,用于制备含锝[99mTc]放射性药品之前,应对从其淋洗得到的高锝[99mTc]酸钠注射液按标准进行全检(核纯度项可只检验含钼[99Mo]量)。如果同一厂家生产的连续多批(6批以上)钼-锝发生器淋洗得到的高锝[99mTc]酸钠注射液的细菌内毒素和无菌检验结果均符合规定,则从该厂家生产的钼-锝发生器淋洗所得高锝[99mTc]酸钠注射液的细菌内毒素和无菌检查可定期进行。但每月至少对高锝[99mTc]酸钠注射液进行1次全检。在注射用配套药盒批号更换时,应对首批制备的锝[99mTc]放射性药品进行验证性全检。
10 附录XIX J 药物引湿性试验指导原则
药物的引湿性是指在一定温度及湿度条件下该物质吸收水分能力或程度的特性。供试品为符合药品质量标准的固体原料药,试验结果可作为选择适宜的药品包装和贮存条件的参考。具体试验方法如下:
1.取干燥的具塞玻璃称量瓶(外径为50mm,高为15mm),于试验前一天置于适宜的25℃±1℃恒温干燥器(下部放置氯化铵或硫酸铵饱和溶液)或人工气候箱(设定温度为25℃±1℃,相对湿度为80%±2%)内,精密称定重量(m1)。
2.取供试品适量,平铺于上述称量瓶中,供试品厚度一般约为1mm,精密称定重量(m2)。
3.将称量瓶敞口,并与瓶盖同置于上述恒温恒湿条件下24小时。
4.盖好称量瓶盖子,精密称定重量(m3)。

5.引湿性特征描述与引湿性增重的界定潮解:吸收足量水分形成液体。
极具引湿性:引湿增重不小于15%。
有引湿性:引湿增重小于15%但不小于2%。
略有引湿性:引湿增重小于2%但不小于0.2%。无或几乎无引湿性:引湿增重小于0.2%。
11 附录XIX K 近红外分光光度法指导原则
近红外分光光度法系通过测定物质在近红外光谱区(波长范围约在780~2500nm,按波数计约为12800~4000cm-1)的特征光谱并利用化学计量学方法提取相关信息,对物质进行定性、定量分析的一种光谱分析技术。近红外光谱主要由C-H、N-H、O-H和S-H等基团基频振动的倍频和合频组成,由于其吸收强度远低于物质中红外光谱(4000~400cm-1)的基频振动,而且吸收峰重叠严重,因此通常不能直接对其进行解析,而需要对测得的光谱数据进行数学处理后,才能进行定性、定量分析。
11.1 一、应用范围
近红外分光光度法具有快速、准确、对样品无破坏的检测特性,不仅能进行“离线”分析,还能直接进行“在线”过程控制;不仅可以直接测定原料和制剂中的活性成分,还能对药品的某些理化性质如水分、脂肪类化合物的羟值、碘值和酸值等进行分析;并能对药物辅料、中间产物以及包装材料进行定性和分级。
11.2 二、仪器装置
1.仪器
近红外分光光度计由光源、单色器(或干涉仪)、采样系统、检测器、数据处理器和评价系统等组成。常采用高强度的石英或钨灯光源,但钨灯比较稳定;单色器有声光可调型、光栅型和棱镜型;样品池、光纤探头、液体透射池、积分球是常用的采样装置;硅、硫化铅、砷化铟、铟镓砷、汞镉碲和氘代硫酸三甘肽检测器为常用的检测器。检测器和采样系统需根据供试品的类型选择。
2.仪器性能的校验与自检
为确保仪器能达到预期的应用目的,应采用标准参比物质(SRM)对仪器的性能定期进行校验,并在使用中通过自检确保仪器的适用性。近红外光谱仪的校验参数通常包括波长的准确度、吸收/反射度的精密度、线性及最大和最小光通量处的噪声。近红外光谱仪的自检通常通过比较实测光谱与校验时储存于仪器中的标准光谱的差异来实现。自检时除针对上述校验参数设计适当的指标外,还应考虑分析过程中波长的漂移和灵敏度的改变。
仪器的校验除应定期进行外,当维修光路或更换光学部件如光源或采样附件后也应进行。推荐用于药物分析的近红外光谱仪校验参数见下表。
波长准确性 | SRM1920a②在1261、1681及1935nm处有峰 |
波长允许误差 | 1200nm处±1nm或8300cm-1处±8cm-1 1600nm处±1nm或6250cm-1处±4cm-1 2000nm处±1.5nm或5000cm-1处±4cm-1 |
分别在1200nm、1600nm、2000nm处的 AOBS/AREF③,斜率1.0±0.05,截距0.0±0.05 | |
1200~2200nm (8300~4500cm-1)区间和100nm(300cm-1) | |
高光通量测定平均RMS | 应小于0.3×10-3,单个RMS测得值不得大于0.8×10-3 |
低光通量测定平均RMS | 应小于1×10-3,单个RMS测得值不得大于2.0×10-3 |
①通常在2500nm(4000cm-1)处仪器允许的最大漂移为10nm(16cm-1);
②SRM1920a是美国NIST提供的用于近红外波长校正的标准物质,通过SRM1920a对仪器1935nm处的光谱峰进行校准,来确定波长的准确性;
③AOBS指观测的吸光度,AREF指反射标准物质在3个特定波长处的吸光度。
11.3 三、测量模式
反射模式主要用于分析固体样品,近红外光可穿至样品内部1~3mm,未被吸收的近红外光从样品中反射出。分别测定样品的反射光强度(I)与参比反射表面的反射光强度(Ir),其比值为反射率R。lg(1/R)与波长或波数的函数为近红外光谱。
R=I/Ir
AR =lg(1/R)=lg(Ir/I)
固体样品的颗粒大小、形状、紧密程度及其他物理性质均会引起光谱基线的漂移,因此不是所有的固体混合物均符合比尔定律。可用数学方法减弱或消除粒度的影响。最常用的数学方法为对光谱进行导数处理。当样品量足够大时,也可用多元散射校正方法处理数据。
2.透射模式
透射模式主要用于分析液体样品,近红外光穿过样品,透射光强度(I)与波长或波数的函数为近红外光谱。测定样品时样品置于光源与检测器之间的光路上,结果直接以透光率(T)或吸光度(A)表示。
T=I/I0
A=-lgT=lg(1/T) =lg(I0/I)
式中 I0为入射光强度。
透射-反射模式为透射与反射模式的结合,将反射镜置样品的后部,光源与检测器在样品的同侧,近红外光穿过样品后经反射镜返回,因此光程增加为两倍。
11.4 四、影响近红外光谱的主要因素
环境温度、样品的光学性质、多晶型、样品的含水量和溶剂残留量、样品厚度、硬度、光洁度及样品的贮存时间等均对样品的近红外光谱有影响。液体样品对环境温度最敏感,不同晶型的样品通常具有不同的近红外光谱。
11.5 五、应用近红外分光光度法进行定性、定量分析的基本要求
11.5.1 (一)定性分析
利用近红外分光光度法进行定性分析的主要步骤包括:收集代表性样品,测定光谱,选择化学计量学方法对图谱进行预处理和降维处理,建立定性分析模型,对模型进行验证。
1.代表性样品的选择
选择适宜的代表性样品(如不同的生产工艺、物理形态、粒度发布等)建立定性分析模型。模型中各类样品的性质决定了模型的适用范围。
2.图谱预处理和降维处理
为有效地提取有用信息,排除无效信息,在建立分类或校正模型时需要对谱图进行数学预处理。归一化处理常用于消除或减弱由位置或光程变化所导致的基线平移或强度变化;导数处理可以提高谱图的分辨率,但导数处理的同时扩大了噪声,因此常辅以平滑处理来消除噪声;对固体样品,采用多元散射校正(MSC)或标准正态变量变换(SNV)校正可以消除或减弱光散射引入的基线偏移。
多元近红外光谱数据包含有大量的相关变量(共线性),建模时需要减少变量,即用一组新的不相关但包含相应信息的变量来代表所有数据的变化建立模型。常用的减少变量的方法是主成分分析(PCA)法。
3.建立定性分析模型
建立定性分析模型就是将样品的性质与光谱的变化相关联,用光谱的差异程度来区分样品的性质。定性分析中常采用模式识别的方法对具有相似特征的样品进行分组。模式识别方法包括判别分析和聚类分析。判别分析要求对样本的类别特征有明确的定义,并按定义区分样本;而聚类分析适用于仅需要对样本进行分组而不需要预先知道这些样品彼此间的确切关系。
4.模型的验证
对定性分析模型,至少应进行模型的专属性和重现性两方面的验证。
(1)专属性 模型的专属性通常用对已知样品的鉴别正确率表示。不仅需要验证真品的鉴别正确率,还需要用化学结构或性质上与模型中物质相近的样品进行挑战性验证,证明模型能区分出这些物质。
(2)耐用性 模型的耐用性系指在不改变模型参数的情况下,考查正常操作中的微小变化对模型预测结果的影响。通常包括:
①不同操作者的影响;
②环境条件(如实验室中的温度、湿度变化)的影响;
③操作(如样品在光学窗口的位置、液体探头的测量深度、包装状况)的影响;
④仪器部件的更换。
11.5.2 (二)定量分析
利用近红外分光光度法进行定量分析的主要步骤包括:收集样品并进行检验,选择代表性样品,测定光谱,选择化学计量学方法对图谱进行预处理和降维处理,建立定量分析模型,对模型进行验证。
1.代表性样品的选择
根据样品的收集及检验情况,选择能包括全部样品理化性质差异的适宜数量的样品作为建模样品。建模样本的含量范围应该宽于预测样品的范围,必要时可以通过加速实验或特殊制备的方式获得。
2.图谱预处理和降维处理参见“定性分析”。
3.建立定量分析模型
近红外光谱测量时一般不需要对样品进行预处理,但测量时可受多种因素的影响,利用单波长光谱数据很难获得准确的定量分析结果。现代近红外光谱定量分析均利用多波长光谱数据,采用多元校正的方法,如多元线性回归(MLR)、主成分回归(PCR)、偏最小二乘回归(PLSR)和人工神经网络(ANN)等建立分析模型。
近红外分光光度法定量分析的方法学验证与其他分析方法的要求相似。每个被验证参数可被接受的限度范围与该方法的应用目的有关,通常应考虑专属性、线性、准确度、精密度和重现性。
11.6 六、近红外模型的再验证
当预测物质的物理性质改变,或物质的来源改变如产品的组成、生产工艺、原(辅)料的来源或级别发生改变时,需要对已建立的定量模型进行再验证。必要时应对模型进行维护或建立新模型。
11.7 七、近红外模型的传递
近红外模型的传递表示模型在不同的近红外光谱仪中的适用情况。当近红外模型在非建模仪器中应用时,必须考虑仪器型号、数据格式、光谱范围、数据点数量、光谱分辨率等对模型的影响。用适宜的代表性样品(数量依据具体模型确定)分别在建模仪器(源机)和其他仪器扫描光谱,分别利用不同仪器上获得的光谱预测结果,并进行统计学检验,以确证该模型在其他仪器中使用是否有效。
12 附录XIX L 拉曼光谱法指导原则
拉曼光谱法是研究化合物分子受光照射后所产生的散射光与入射光能量差与化合物振动频率、转动频率间关系的分析方法。
与红外光谱类似,拉曼光谱是一种振动光谱技术。所不同的是,前者与分子振动时偶极矩变化相关,而拉曼效应则是分子极化率改变的结果,被测量的是非弹性的散射辐射。拉曼光谱通常采用激光作为单色光源,将样品分子激发到某一虚态,随后受激分子弛豫跃迁到一个与基态不同的振动能级,此时,散射辐射的频率将与入射频率不同。这种频率变化与基态和终态的振动能级差相当。这种“非弹性散射”光就称之为拉曼散射。频率不变的散射称为弹性散射,即所谓瑞利散射。如果产生的拉曼散射频率低于入射频率,则称之为斯托克散射。反之,则称之为反斯托克散射。实际上,几乎所有的拉曼分析都是测量斯托克散射。
拉曼光谱与红外吸收光谱相似。用散射强度对拉曼位移作图。拉曼位移(以cm-1为单位)为激发光的波数与散射辐射的波数之差。由于功能团或化学键的拉曼位移与它们在红外光谱中的吸收波数相一致,所以谱图的解析也与红外吸收光谱相同。然而,通常在拉曼光谱中出现的强谱带在红外光谱中却成为弱谱带甚至不出现,反之亦然。所以,这两种光谱技术常互为补充。
拉曼光谱的优点在于它的快速、准确,测量时通常不破坏样品(固体、半固体、液体或气体),样品制备简单甚至不需样品制备。谱带信号通常处在可见或近红外光范围,可以有效地和光纤联用。这也意味着谱带信号可以从包封在任何对激光透明的介质,如玻璃、塑料内,或将样品溶于水中获得。现代拉曼光谱仪使用简单,分析速度快(几秒到几分钟),性能可靠。因此,拉曼光谱与其他分析技术联用比其他光谱联用技术从某种意义上说更加简便(可以使用单变量和多变量方法以及校准)。除常规的拉曼光谱外,还有一些较为特殊的拉曼技术。它们是共振拉曼、表面增强拉曼光谱、拉曼旋光、相关-反斯托克拉曼光谱、拉曼增益或减失光谱以及超拉曼光谱等。其中,在药物分析应用相对较多的是共振拉曼和表面增强拉曼光谱法。
共振拉曼光谱法 当激光频率接近或等于分子的电子跃迁频率时,可引起强烈的吸收或共振,导致分子的某些拉曼谱带强度急剧增强数百万倍,这就是共振拉曼效应。
许多药物在紫外-可见光区有强的电子跃迁。某些含发色团化合物的拉曼光谱因共振而增强,而其基体物质的光谱却不会增强。共振拉曼技术与常规拉曼光谱技术不同之处在于要求光源可变,可调谐染料激光器是获得共振拉曼光谱的必要条件。
有些化合物可通过化学反应改变其结构,使之最大吸收峰接近激发光频率,如生成有色化合物,然后再进行共振拉曼光谱测定也是一个提高灵敏度的较有效的方法。
共振拉曼技术由于灵敏度高而特别适用于药物和生物大分子的研究。缺点是由样品本身或由杂质引起的荧光干扰,以及这一光谱技术需要特殊的激光光源和光学设计。
表面增强拉曼光谱法 吸附在极微小金属颗粒表面或其附近的化合物(或离子)的拉曼散射要比该化合物的正常拉曼散射增加103~106倍。这种表面增强拉曼散射(SERS)在银表面上最强,在金或铜的表面上也可观察到。
SERS现象主要由金属表面基质受激而使局部电磁场增强所引起。效应的强弱取决于与光波长相对应的表面粗糙度大小,以及和波长相关的复杂的金属电介质作用的程度。许多SERS基质可以用于药物分析,最常用的包括溶胶、电极、电介质表面金属膜等。
带孤对电子或π电子云的分子呈现的SERS效应最强,其他芳氮或含氧化合物,如芳胺和酚,也具有强的SERS活性,这一效应在其他电负性功能团如羧酸中也能观察到。从少数分子获得大量结构信息的可能性使得SERS可用于解决高灵敏度化学分析的许多问题。在表面增强拉曼光谱中,荧光的干扰可有效地得到抑制。
12.1 1.仪器装置
根据获得光谱的方式,拉曼光谱仪可分为FT拉曼光谱仪和色散型拉曼光谱仪,但所有的现代拉曼光谱仪均包括激光光源、样品装置、滤光系统、光波处理系统(单色器或干涉仪)和检测器等。
(1)激光光源 下表列出几种在药学应用中经常使用的激光。紫外激光有时也有特殊应用,但是由于种种原因在常规分析中很少采用。
表 药学应用中的主要激光

(2)样品装置 可有各种各样的样品放置方式,包括直接的光学界面、显微镜、光纤维探针(不接触或光学浸入)和样品室(包括特殊的样品盛器和自动样品转换器)。样品光路也可被设计成能获得偏振相关拉曼光谱,这种光谱通常包含附加信息。样品装置的选择应根据待测物的具体情况(如样品的状态、体积等)以及测量的速度、激光的安全性和样品图谱的质量要求等决定。
(3)滤光系统 激光波长的散射光(瑞利光)要比拉曼信号强几个数量级,必须在进入检测器前滤除。陷波滤波器几乎被普遍应用于这个目的,它具有滤波效果好和体积小等优点。另外,为防止样品不被外辐射源(例如:房间的灯光、激光等离子体)照射,需要设置适宜的滤波器或者物理屏障。
(4)光波处理系统 光波信号可通过色散或者干涉(傅里叶变换)来处理。任何合格仪器都适用于定性鉴别。然而,选择定量测定用仪器时,应注意色散和线性响应可能在整个波谱范围内并不均衡(例如当使用阶梯光栅分光镜时)。
(5)检测器 硅质CCD是色散仪器中最常用的检测器。这种冷却的阵列检测器允许在低噪声下的快速全光谱扫描。常与通常使用的785nm二极管激光器配合使用。傅里叶变换仪器通常采用单通道锗或铟镓砷化合物(InGaAs)检测器以配合钕:钇-铝-石榴红(Nd:YAG)1064nm的激光器在近红外区使用。
12.2 2.仪器的校正与检定
拉曼仪器的校准包括三个要素:初始波长(X轴)、激光波长以及强度(Y轴)。
仪器供应商应该提供一种由用户可以执行的,对仪器相关参数校正的方法,除另有规定外,使用者应根据仪器所提供的校正方法制订具体的SOP,并严格按照SOP对上述参数进行检定。
特别需要注意到,激光波长变化可影响仪器的波长精度和光度(强度)精度。即使是最稳定的激光器在使用过程中,其输出波长也会有轻微变化。所以,激光波长必须被校正以确保拉曼位移的准确性。可以使用仪器公司提供的拉曼位移标准参考物质进行定期校正。某些仪器可以用一种拉曼内标物与初级光路分离,外在校准装置通过散射辐射可准确地重现这一光路。
推荐使用外部参考标准对仪器进行校正。
12.3 3.样品制备
获得拉曼光谱可以采用下述任一物质态:结晶态、无定形、液体、气体或等离子体。
液体能够在玻璃管或石英管中直接测定。无定形和微晶固体也可充填入玻璃管或石英管中直接测定。为了获得较大的拉曼散射光强度,通常使照射在样品上的入射光与所检测的拉曼散射光之间的夹角为0°、90°和180°。样品池的放置可有多种方式。
除另有规定外,一般用作鉴别的样品不必制样,用作晶型、异构体限度检查或含量测定时,供试品的制备和具体测定方法可按各品种项下的有关规定操作。
表面增强拉曼光谱和显微拉曼光谱的测定需要某些特殊的制样技术。为防止样品分解常采用的一种办法是旋转技术,利用特殊的装置使激光光束的焦点和样品的表面做相对运动,从而避免了样品的局部过热现象。样品旋转技术除能防止样品分解外,还能提高分析的灵敏度。
12.4 4.定性鉴别
拉曼光谱可提供有关样品分子中存在何种功能团的结构信息。所以可用于鉴别试验和结构解析。在相同的测定条件下,绘制供试品与对照品的拉曼光谱进行比对,若两光谱相同,即鉴别为同一化合物。
具有多晶现象的固体药品,由于晶型的不同,可能导致所收集供试品的光谱图与对照品光谱图或与标准光谱集所收载的光谱图不一致,遇此情况,可参照红外分光光度法鉴别的相关内容进行处理。
光谱的形状与所用的仪器型号和性能、激发波长、样品测定状态及吸水程度等因素相关。因此,进行光谱比对时,应考虑各种因素可能造成的影响。
12.5 5.含量测定
拉曼谱带的强度与待测物浓度的关系遵守比尔定律:
Iv= KlcI0
式中 Iv为给定波长处的峰强;
K为仪器和样品的参数;
l为光路长度;
I0为激光强度。
实际工作中,光路长度被更准确地描述为样品体积,这是一种描述激光聚焦和采集光学的仪器变量。上述等式是拉曼定量应用的基础。
12.6 6.影响定量测定的因素
最主要的干扰因素是荧光、样品的热效应和基质或样品自身的吸收。在拉曼光谱中,荧光干扰表现为一个典型的倾斜宽背景。因此,荧光对定量的影响主要为基线的偏离和信噪比下降,荧光的波长和强度取决于荧光物质的种类和浓度。与拉曼散射相比,荧光通常是一种量子效率更高的过程,甚至很少量不纯物质的荧光也可以导致显著的拉曼信号降低。使用较长的波长例如785nm或1064nm的激发光可使荧光显著减弱。然而,拉曼信号的强度与λ-4成比例,λ是激发波长。通过平衡荧光干扰、信号强度和检测器响应可获得最佳信噪比。测量前将样品用激光照射一定时间,固态物质的荧光也可得以减弱。这个过程被称为光致漂白,它是通过降解高吸收物质实现的。光致漂白作用在液体中并不明显,可能是由于液体样品的流动性或荧光物质量较多所致。
样品加热会造成一系列的问题,例如物理状态的改变(熔化)、晶型的转变或样品的烧灼。这是有色的、具强吸收或低热传导的小颗粒物质常出现的问题。样品加热的影响通常是可观察的,表现在一定时间内拉曼光谱或样品的表观变化。除了减少激光通量,有许多种方法可用来降低热效应,例如在测量过程中移动样品或激光,或者通过热接触或液体浸入来改善样品的热传导。
基质或样品本身也可吸收拉曼信号。在长波傅里叶变换拉曼系统中,拉曼信号可以与近红外的泛频吸收重叠。这种影响与系统的光学以及样品的形态有关。装填和颗粒大小的差异而引起的固体散射的可变性与这种效应有关。然而,由于在拉曼光谱中样品的有限穿透深度和相对狭窄的波长范围,所有这些效应的大小都没有近红外光谱严重。
定量拉曼光谱与许多其他的光谱技术不同,它是单光束零背景测量。谨慎地进行样品测定以及使用设计合理的仪器可以使这种变异减到最小,但是并不能全部消除。所以,绝对的拉曼信号强度难以准确测量。变异的潜在来源是样品的不透明性和样品的不均匀性、照射样品的激光功率的变化以及光学几何学或样品位置的变化。这些影响可以通过能重复的或有代表性的样品处置方式予以减小。
由于拉曼信号绝对强度的波动,使用内标是最普通和有效的减少可变性的方法。在激光照射下,加入的内标也产生拉曼光谱,选择其一条合适的拉曼谱带作为参比谱带,将样品的分析谱带强度与内标的参比谱带强度进行比较(通常比较谱带的面积或高度)。由于内标和样品完全处于相同的实验条件下,一些影响因素可以相互抵消。
所选择的内标应满足以下要求:①化学性质比较稳定,不与样品中被测成分或其他成分发生化学反应;②内标拉曼谱带和待测物的拉曼谱带互不干扰;③内标应比较纯,不含有被测成分或其他干扰成分。对于非水溶液,常用的内标为四氯化碳(459cm-1);而对于水溶液,常用的内标是硝酸根离子(1050cm-1)和高氯酸根离子。对于固体样品,有时选择样品中某一拉曼谱带作为自身对照内标谱带。
内标方法有几种变通选择。可以有目的地加入一种内标,该内标应具有与待测物互不干扰的谱带以便检测;在溶液中,也可利用溶剂的独特谱带,因为溶剂随样品不同将相对保持不变;另外,在制剂中,如果赋形剂量大大超过待测组分,则可以使用该赋形剂的峰;在假设激光和样品定位的改变可同等地影响全光谱的前提下,全光谱同样可以用作参比。
样品测定中需考虑的重要因素还有光谱的污染。拉曼散射是一种可以被许多外源影响掩蔽的弱效应。普通的污染源包括样品支持物(容器或基质)和周围光线。通常,这些问题可以通过细致的实验方法来识别和解决。
12.7 7.测定方法验证
对拉曼光谱方法进行验证是必须的,至少应考察准确度、精密度等主要指标,然而,这些指标受诸多可变因素的影响,其中荧光可能是影响方法适用性的主要变量。样品中荧光杂质的存在完全随样品而异。所以,方法必须能适应不同样品体系,必须足以将杂质的影响降到最小。
检测器的线性必须适应可能的信号水平范围。荧光可能使信号基线比验证时高,这时必须设法将荧光减弱或者使验证的方法适应较高的荧光水平。这一要求对方法的精密度、检测限(LOD)和定量限(LOQ)同样适用,因为基线噪声的增加会对这些数值产生影响。
由于荧光使基线漂移可能同样会影响定量,所以使用时,同样需要在不同的光致漂白作用水平进行可接受的定量验证。
必须确定激光是否对样品造成影响。在不同激光功率和暴露时间的条件下,对样品目视检查和仔细审视测得的拉曼光谱测量可以确定样品是否改变(而不是光致漂白作用)。观察的依据是谱带的位置、峰强和谱带宽度是否改变或者背景强度是否有明显的变化。
影响方法精密度的因素还包括样品的位置。样品的形态对于固体或液体都是非常重要的因素,在校正模型中必须严密控制或说明。样品的制备方法或样品试架的形状可能影响测量灵敏度,而且,该灵敏度会随着仪器的激发光和采集光学设置的不同而不同。
13 附录XIX M 化学药品注射剂安全性检查法应用指导原则
本指导原则为化学药品注射剂临床使用的安全性和制剂质量可控性而定。
化学药品注射剂安全性检查包括异常毒性、细菌内毒素(或热原)、降压物质(或组胺物质)、过敏反应等项。根据处方、工艺、用法及用量等设定相应的检查项目并进行适用性研究。
13.1 一、化学药品(包括抗生素、生化药品)安全性检查项目的设定
所用原料系动物来源或微生物发酵液提取物,组分结构不清晰或有可能污染毒性杂质且又缺乏有效的理化分析方法的静脉用注射剂,应考虑设立异常毒性检查项。
所用原料系动物来源或微生物发酵提取物时,组分结构不清晰且有可能污染异源蛋白或未知过敏反应物质的静脉用注射剂,如缺乏相关的理化分析方法且临床发现过敏反应,应考虑设立过敏反应检查项。
所用原料系动物来源或微生物发酵提取物时,组分结构不清晰或有可能污染组胺、类组胺样降血压物质的静脉用注射剂,应考虑设立降压物质或组胺类物质检查项。
2.肌内注射用注射剂
所用原料系动物来源或微生物发酵提取物时,组分结构不清晰或有可能污染毒性杂质且又缺乏有效的理化分析方法的肌内注射用注射剂,应考虑设立异常毒性检查项。
所用原料系动物来源或微生物发酵提取物时,组分结构不清晰或有可能污染异源蛋白或未知过敏反应物质的肌内注射用注射剂,如缺乏相关理化分析方法且临床发现过敏反应,应考虑设立过敏反应检查项。
临床用药剂量较大,生产工艺易污染细菌内毒素的肌内注射用注射剂,应考虑设细菌内毒素检查项。
3.特殊途径的注射剂
椎管内、腹腔、眼内等特殊途径的注射剂,其安全性检查项目一般应符合静脉用注射剂的要求,必要时应增加其他安全性检查项目,如刺激性检查、细胞毒性检查。
注射剂辅料使用面广,用量大,来源复杂,与药品的安全性直接相关。在质量控制中,应根据辅料的来源、性质、用途、用法用量,配合理化分析方法,设立必要的安全性检查项目。
5.其他
原料和生产工艺特殊的注射剂必要时应增加特殊的安全性检查项目,如病毒检查、细胞毒性检查等。
所用原料系中药提取物的注射剂,应按中药注射剂的要求设立相关的安全性检查项目。
13.2 二、安全性检查方法和检查限值确定
检查方法和检查限值可按以下各项目内容要求进行研究。研究确定限值后,至少应进行3批以上供试品的检查验证。
本法系将一定量的供试品溶液注入小鼠体内,规定时间内观察小鼠出现的死亡情况,以判定供试品是否符合规定。供试品的不合格表明药品中混有超过药物本身毒性的毒性杂
检查方法 参照异常毒性检查法(2010年版药典二部附录Ⅺ C)。
设定限值前研究 参考文献数据并经单次静脉注射给药确定该注射剂的急性毒性数据(LD50或LD1及其可信限)。有条件时,由多个实验室或多种来源动物试验求得LD50和LD1数据。注射速度0.1ml/s,观察时间为72小时。如其他给药途径或延长观察时间,应进行相应途径或相应观察时间的急性毒性试验。
设定限值 异常毒性检查的限值应低于该注射剂本身毒性的最低致死剂量,考虑到实验窒间差异、动物反应差异和制剂的差异,建议限值至少应小于LD1可信限下限的1/3(建议采用1/3~1/6)。如难以计算得最低致死量,可采用小于LD50可信限下限的1/4(建议采用1/4~1/8)。如半数致死量与临床体重剂量之比小于20可采用LD50可信限下限的1/4或LD1可信限下限的1/3。静脉注射最大剂量0.8ml/20g仍未见毒性反应或死亡,可以此作为检查限值。
如对动物、给药途径和给药次数、观察指标和时间等方法和限值有特殊要求时应在品种项下另作规定。
本法系利用鲎试剂(或家兔)测定供试品所含的细菌内毒素(或热原)的限量是否符合规定。不合格供试品在临床应用时可能产生热原反应而造成严重的不良后果。
检查方法 参照细菌内毒素检查法(2010年版药典二部附录Ⅺ E)或热原检查法(2010年版药典二部附录Ⅺ D)。
设定限值前研究 细菌内毒素检查应进行干扰试验,求得最大无干扰浓度;热原检查应做适用性研究,求得对家兔无毒性反应、不影响正常体温和无解热作用剂量。
设定限值 细菌内毒素和热原检查的限值根据临床1小时内最大用药剂量计算,细菌内毒素检查限值按规定要求计算,由于药物和适应症(如抗感染、抗肿瘤、心血管药等急重病症用药、儿童老人用药、复合用药、大输液等)的不同,限值可适当严格,至计算值的1/3~1/2,以保证安全用药。热原检查限值可参照临床剂量计算,一般为人用每千克体重每小时最大供试品剂量的2~5倍,供试品注射体积每千克体重一般不少于0.5ml,不超过10ml。
细菌内毒素测定浓度应无干扰反应,热原限值剂量应不影响正常体温。如有干扰或影响,可在品种项下增加稀释浓度、调节pH和渗透压或缓慢注射等排除干扰或影响的特殊规定。
3.降压物质检查
本法系通过静脉注射限值剂量供试品,观察对麻醉猫的血压反应,以判定供试品中所含降压物质的限值是否符合规定。供试品的不合格表明药品中含有限值以上的影响血压反应的物质,临床用药时可能引起急性降压不良反应。
检查方法 参照降压物质检查法(2010年版药典二部附录Ⅺ G)。
设定限值前研究 供试品按一定注射速度静脉注射不同剂量后(供试品溶液与组胺对照品溶液的注射体积一般应相同,通常为0.2~1ml/kg),观察供试品对猫血压反应的剂量反应关系,求得供试品降压物质检查符合规定的最大剂量(最大无降压反应剂量)。
设定限值 一般以临床单次用药剂量的1/5~5倍作为降压反应物质检查剂量限值,急重病症用药尽可能采用高限。特殊情况下,如供试品有一定降压作用,则可按最大无降压反应剂量的1/2~1/4作为限值剂量;供试品原液静脉注射1ml/kg剂量未见降压反应,该剂量可作为给药限值。
本法系将一定浓度的供试品和组胺对照品依次注入离体豚鼠回肠浴槽内,分别观察出现的收缩反应幅度并加以比较,以判定供试品是否符合规定的一种方法。不合格供试品表明含有组胺和类组胺物质,在临床上可能引起血压下降和类似过敏反应等严重的不良反应。
设定限值前研究 在确定限值前,应考察供试品对组胺对照品引起的离体豚鼠回肠收缩反应的干扰(抑制或增强),求得最大无收缩干扰浓度。
若供试品的处方、生产工艺等任何有可能影响试验结果的条件发生改变时,需重新进行干扰试验。
干扰试验 按组胺类物质检查法,依下列顺序准确注入供试品稀释液加对照品稀释液低剂量、对照品稀释液低剂量、供试品稀释液加对照品稀释液高剂量、对照品稀释液高剂量(dSL+T、dSL、dSH+T、dSH),重复一次,如dSL+T及dSH+T所致的反应值与dSL及dSH所致的反应值基本一致,可认为供试品不干扰组胺物质检查;否则该品种不适合设立组胺物质检查项,建议设立降压物质检查项。同时应进行本法与降压物质检查法符合性的研究。
设定限值 除特殊要求外,原则上与降压物质检查限值一致,以临床单次用药剂量的1/5~5倍量和每千克体重0.1μg组胺剂量计算注射剂含组胺类物质检查限值,其计算公式为:限值L=K/M,其中K值为人每千克体重接受的组胺量(0.1μg/kg),M为降压物质检查限值(mg/kg、ml/kg、IU/kg)。供试品剂量应低于最大无收缩干扰剂量。抗肿瘤药、心血管病药等急重病症用药应采用高限。
本法系将一定量的供试品皮下或腹腔注射入豚鼠体内致敏,间隔一定时间后静脉注射供试品进行激发,观察豚鼠出现过敏反应的情况,以此判定供试品是否符合规定。供试品不合格表明注射剂含有过敏反应物质,临床用药时可能使患者致敏或产生过敏反应,引起严重不良反应。
检查方法 参照过敏反应检查法(2010年版药典二部附录Ⅺ K)。
设定限值前研究 测定供试品对豚鼠腹腔(或皮下)和静脉给药的无毒性反应剂量。必要时,可采用注射剂的半成品原辅料进行致敏和激发研究,确定致敏方式和次数,在首次给药后14、21、28天中选择最佳激发时间。
设定限值 致敏和激发剂量应小于该途径的急性毒性反应剂量,适当参考临床剂量。一般激发剂量大于致敏剂量。常用腹腔或鼠鼷部皮下注射途径致敏,每次每只0.5ml,1ml静脉注射激发。如致敏剂量较小,可适当增加致敏次数,方法和限值的特殊要求应在品种项下规定。
本法系比较组胺对照品(S)与供试品(T)引起豚鼠离体回肠收缩的程度,以判定供试品中所含组胺类物质的限度是否符合规定。
对照品溶液的制备 精密称取磷酸组胺对照品适量,按组胺计算,加水溶解并定量稀释制成每1ml中含1.0mg的溶液,分装于适宜的容器内,4~8℃贮存,在确保收缩活性符合要求的前提下,可在3个月内使用。
对照品稀释液的制备 试验当日,精密量取组胺对照品溶液适量,用氯化钠注射液按高、低剂量组(dSH、dSL)配成两种浓度的稀释液,高剂量dSH应不致使回肠收缩达到极限,低剂量dSL所致反应值约为高剂量的一半,调节剂量使可以重复出现。一般组胺高低剂量的终浓度为10-6~10-8g/ml,注入体积0.2~1.0ml为宜。
供试品溶液的制备 按品种项下规定的限量,照对照品稀释液低剂量(dSL)制成适当的浓度。试验时,一般供试品溶液与对照品稀释液的注入体积应相等。
回肠肌营养液的制备 A液:试验当日,取氯化钠160.0g、氯化钾4.0g、氯化钙(按无水物计算)2.0g、氯化镁(按无水物计算)1.0g与磷酸氢二钠(含12个结晶水)0.10g,加注射用水700ml使溶解,再加入注射用水适量,使成1000ml。B液:取硫酸阿托品0.5mg、碳酸氢钠1.0g、葡萄糖(含1个结晶水)0.5g,加适量注射用水使溶解,加A液50.0ml,混合后加注射用水使成1000ml。B液应临用前制备,并在24小时内应用。
检查法 取健康合格的成年豚鼠,雌雄均可,雌者无孕,体重250~350g,禁食24小时,迅速处死,将血排净。立即剖腹取出回肠一段(选用远端肠段,该段最敏感),注意避免因牵拉使回肠受损,必要时仔细分离肠系膜。剪取2~3cm长,用注射器抽取上述溶液B,小心冲洗出肠段的内容物。将肠段下端固定于离体器官恒温水浴装置的浴槽底部,上端用线与肌张力换能器相连;浴槽中事先放入一定量的B液(约10~30ml),通入95% 02和5% CO2的混合气体,维持恒温(34~360℃),用适当方法记录回肠收缩曲线。如果使用杠杆,其长度应能使肠段的收缩放大约20倍。选择lg的预负荷,可根据其灵敏度加以调节。回肠放入浴槽后,静置15~30分钟,方可开始注入药液。每次注入药液前,要用B液冲洗浴槽3次(最好是溢出,而不排空浴槽)。相邻两次给药的间隔时间应一致(约2分钟),每次给药前应在前一次反应恢复稳定后进行。
取对照品稀释液和供试品溶液,照下列次序准确注入浴槽:dSL、dT、dT、dSL、dSH,如dSH所致的反应值大于dSL所致反应值时判定试验有效。如供试品溶液引起回肠收缩,则分别计算dSL、dT所致反应的平均值。若dT所致反应的均值不大于dSL所致反应的均值,即判定供试品组胺类物质检查符合规定;若dT所致反应的均值大于dSL所致反应的均值,即判定供试品组胺类物质检查不符合规定。如供试品不引起回肠收缩,则在供试品溶液中加入组胺对照品高、低剂量,并按下列次序准确注入dSH、dSL+T、dSH+T、dSL,重复一次,若供试品组胺溶液产生的收缩与对应组胺对照液高、低剂量的收缩基本一致,可判定供试品组胺类物质检查符合规定;若供试品组胺溶液产生的收缩与对应组胺对照液高、低剂量产生的收缩不相符,即减少或无收缩,或不能重复出现,则此检查结果无效,应进行供试品的降压物质检查。
14 附录XIX N 抑菌剂效力检查法指导原则
抑菌剂效力检查法系用于测定灭菌、非灭菌制剂中抑菌剂的活性,以评价最终产品的抑菌效力,同时也可用于指导生产企业在研发阶段制剂中抑菌剂浓度的确定。
如果药物本身不具有充分的抗菌活性,那么应根据制剂特性(如水溶液制剂)添加适宜的抑菌剂,以防止制剂在正常贮藏和使用过程中可能发生的微生物污染和繁殖使药物发生变质而对使用者造成危害,尤其是多剂量包装的制剂。
在药品生产过程中,抑菌剂不能用于替代药品生产的GMP管理,不能作为非灭菌制剂降低微生物污染的唯一途径,也不能作为控制多剂量包装制剂灭菌前的生物负载的手段。所有抑菌剂都具有一定的毒性,制剂中抑菌剂的量应为最低有效量。同时,为保证用药安全,最终包装容器中的抑菌剂有效浓度应低于对人体有害的浓度。
在制剂通则中要求具有抗菌活性的制剂,不管是添加的抑菌剂,还是药物本身具有抗菌活性,在药物研发阶段,均应确认其抗菌效力。抑菌剂的抗菌效力在贮存过程中有可能因药物的成分或包装容器等因素影响而提高或降低,因此,应验证最终容器中的抑菌剂效力在效期内不因贮藏条件而降低。本试验方法和抑菌剂抑菌效力判断标准用于包装未启开的成品制剂。
14.1 产品分类
进行本试验的药品分为四类(表1),以便标准的制定和执行。
14.2 培养基
培养基的制备
酪蛋白胨17.0g、磷酸二氢钾2.5g、大豆木瓜蛋白酶消化物3.0g、氯化钠5.0g、葡萄糖2.5g、水1000ml除葡萄糖外,取上述成分混合,微温溶解,调pH值约7.0,煮沸,加入葡萄糖溶解后,摇匀,滤清,调节pH值使灭菌后为7.3±0.2,分装,灭菌。
胰酪胨15.0g、氯化钠5.0g、大豆木瓜蛋白酶水解物5.0g、琼脂15.0g、纯化水1000ml
除琼脂外,取上述成分,混合,微温溶解,调节pH值使灭菌后在25℃的pH值为7.3±0.2,加入琼脂,加热溶化后,摇匀,分装,灭菌。[2]
3.沙氏葡萄糖液体培养基、沙氏葡萄糖琼脂培养基照微生物限度检查法(2010年版药典二部附录Ⅺ J)制备。
抑菌剂效力测定用培养基应进行培养基的适用性检查,包括成品培养基、由脱水培养基或按处方配制的培养基均应检查。
菌种 试验所用的菌株传代次数不得超过5代(从菌种保藏中心获得的冷冻干燥菌种为第0代),并采用适宜的菌种保藏技术进行保存,以保证试验菌株的生物学特性。
铜绿假单胞菌(Pseudmnonas aeruginosa)[CMCC(B)10 104]
大肠埃希菌(Escherichia coli)[CMCC(B) 44 102]
金黄色葡萄球菌(Staphylococcus aureus)[CMCC(B) 26 003]
白色念珠菌(Candida albicans)[CMCC(F) 98 001]
黑曲霉(Aspergillus niger)[CMCC(F) 98 003]
菌液制备 接种大肠埃希菌、金黄色葡萄球菌、铜绿假单胞菌的新鲜培养物至胰酪胨大豆肉汤培养基中,30~35℃培养18~24小时;接种白色念珠菌的新鲜培养物至沙氏葡萄糖液体培养基中,20~25℃培养24~48小时。上述培养物用0.9%无菌氯化钠溶液制成每1ml含菌数为50~100cfu的菌悬液。接种黑曲霉的新鲜培养物至沙氏葡萄糖琼脂斜面培养基中,20~25℃培养5~7天,加入3~5ml含0.05% (ml/ml)聚山梨酯80的0.9%无菌氯化钠溶液,将孢子洗脱。然后,采用适宜方法吸出孢子悬液至无菌试管内,用含0.05%(ml/ml)聚山梨酯80的0.9%无菌氯化钠溶液制成每1ml含孢子数50~100cfu的孢子悬液。
菌液制备后若在室温下放置,应在2小时内使用;若保存在2~8℃,可在24小时内使用。黑曲霉孢子悬液可保存在2~8℃,在验证过的贮存期内使用。
适用性检查 取大肠埃希菌、金黄色葡萄球菌、铜绿假单胞菌各50~100cfu,分别注入无菌平皿中,立即倾注胰酪胨大豆琼脂培养基,每株试验菌平行制备2个平皿,混匀,凝固,置30~35℃培养48小时,计数;取白色念珠菌、黑曲霉各50~100cfu,分别注入无菌平皿中,立即倾注沙氏葡萄糖琼脂培养基,每株试验菌平行制备2个平皿,混匀,凝固,置20~25℃培养72小时,计数;同时,用对应的对照培养基替代被检培养基进行上述试验。
结果判定 若被检培养基上的菌落平均数不小于对照培养基上菌落平均数的70%,且菌落形态大小与对照培养基上的菌落一致,判该培养基的适用性检查符合规定。
14.3 抑菌剂效力测定
菌种 同培养基的适用性检查,若需要,制剂中常见的污染微生物也可作为试验菌株。
菌液制备 接种铜绿假单胞菌、金黄色葡萄球菌、大肠埃希菌的新鲜培养物至胰酪胨大豆肉汤培养基或胰酪胨大豆琼脂培养基中,30~35℃培养18~24小时;接种白色念珠菌于沙氏葡萄糖液体培养基或沙氏葡萄糖琼脂培养基中,20~25℃培养24~48小时。若为琼脂培养物,加入适量的0.9%无菌氯化钠溶液将琼脂表面的培养物洗脱,然后,用适宜方法吸出菌悬液至无菌试管内,加入适量的0.9%无菌氯化钠溶液并采用比浊法制成每1ml含茵数约为108cfu的菌悬液。若为液体培养物,用离心法收集菌体,并用0.9%无菌氯化钠溶液冲洗,采用比浊法制成每1ml含菌数约为108cfu的菌悬液。接种黑曲霉的新鲜培养物至沙氏葡萄糖琼脂培养基中,23~28℃培养5~7天,加入3~5ml含0.05%(ml/ml)聚山梨酯80的0.9%无菌氯化钠溶液,将孢子洗脱,然后,用适宜方法吸出孢子悬液至无菌试管内,加入适量的含0.05%(ml/ml)聚山梨酯80的0.9%无菌氯化钠溶液并采用比浊法制成每1ml含孢子数108cfu的孢子悬液。同时采用平皿法测定1ml菌悬液的菌数。
菌液制备后若在室温下放置,应在2小时内使用;若保存在2~8℃,可在24小时内使用。黑曲霉的孢子悬液可保存在2~8℃,在1周内使用。
供试品接种 抑菌剂效力可能受试验用容器特征的影响,如容器的材质、形状、体积及封口的方式等。因此,只要供试品每个包装容器的装量足够试验用,同时容器便于按无菌操作技术接入试验菌液、混合及取样等,一般应将试验菌直接接种于供试品原包装容器中进行贮存。若因供试品的性状或每个容器装量等因素需将供试品转移至无菌容器时,该容器的材质不得影响供试品的特性(如吸附作用),特别应注意不得影响供试品的pH,pH对抑菌剂的活性影响很大,同时容器的口径大小应便于供试品的进出及混匀。
取包装完整的供试品至少5份,直接接种试验菌,或取适量供试品分别转移至5个适宜的无菌容器中(若试验菌株数超过5株,应增加相应的供试品份数),每一容器接种一种试验菌,1、2、3类供试品中1g或1ml接种菌量为105~106 cfu,4类供试品中1g或1ml接种菌量为103~104 cfu,接种菌液的体积不得超过供试品体积的0.5%~1%,充分混合,使供试品中的试验菌均匀分布。然后将接种的供试品在试验期间置20~25℃,避光贮存,贮存温度的变化应尽可能控制在最小范围,并防止被污染。
存活菌数测定 根据产品类型,在供试品刚接种(0时)及表2规定的间隔时间,分别从上述每个容器中取供试品1ml(g),用pH7.0无菌氯化钠-蛋白胨缓冲液稀释成1: 10、1:102、1: 103等稀释级。采用平皿法或薄膜过滤法(照附录Ⅺ J微生物限度检查法,其中测定细菌用胰酪胨大豆琼脂培养基,测定真菌用沙氏葡萄糖琼脂培养基)测定每份供试品中所含的菌数。菌数测定方法应进行验证,验证方法按微生物限度检查法(2010年版药典二部附录Ⅺ J)中的“计数方法的验证”进行,其中测定细菌用胰酪胨大豆琼脂培养基,测定真菌用沙氏葡萄糖琼脂培养基。
根据菌数测定结果,计算1ml(g)供试品各试验菌所加的菌数及各间隔时间的菌数,并换算成lg值。
结果判断 抑菌剂效力根据各间隔时间的菌数lg值相对于初始值(0时菌数lg值)减少程度进行评价(表2),试验结果按有效数字的修约规则进舍,保留小数点后1位有效数字。结果符合表2要求可判定该产品抑菌效力符合规定。
1类供试品 | |
7天菌数下降不少于1.0 lg,14天菌数下降不少于3.0 lg,14天到28天菌数不增加 | |
与初始值比,7、14、28天菌数均不增加 | |
2类供试品 | |
14天菌数下降不少于2.0 lg.14天到28天菌数不增加 | |
与初始值比,14、28天菌数均不增加 | |
3类供试品 | |
14天菌数下降不少于1.0 lg,14天到28天菌数不增加 | |
与初始值比,14、28天菌数均不增加 | |
4类供试品 | |
与初始值比,14、28天菌数均不增加 | |
注:表中“不增加”是指对前一个测定时间,试验菌增加的数量不超过0.5 lg。
15 附录XIX O 药品微生物检验替代方法验证指导原则
本指导原则是为所采用的试验方法能否替代药典规定的方法用于药品微生物的检验提供指导。
随着微生物学的迅速发展,制药领域不断引入了一些新的微生物检验技术,大体可分为三类:(1)基于微生物生长信息的检验技术,如生物发光技术、电化学技术、比浊法等;(2)直接测定被测介质中活微生物的检验技术,如固相细胞技术法、流式细胞计数法等;(3)基于微生物细胞所含有特定组成成分的分析技术,如脂肪酸测定技术、核酸扩增技术、基因指纹分析技术等。这些方法与传统检查方法比较,或简便快速,或具有实时或近实时监控的潜力,使生产早期采取纠正措施及监控和指导优良生产成为可能,同时新技术的使用也促进了生产成本降低及检验水平的提高。
在控制药品微生物质量中,微生物实验室出于各种原因如成本、生产量、快速简便及提高药品质量等需要而采用非药典规定的检验方法(即替代方法)时,应进行替代方法的验证,确认其应用效果优于或等同于药典的方法。
15.1 微生物检验的类型及验证参数
药品微生物检验方法主要分两种类型:定性试验和定量试验。定性试验就是测定样品中是否存在活的微生物,如无菌检查及控制菌检查。定量试验就是测定样品中存在的微生物数量,如菌落计数试验。
由于生物试验的特殊性,如微生物检验方法中的抽样误差、稀释误差、操作误差、培养误差和计数误差都会对检验结果造成影响,因此,药品质量标准分析方法验证指导原则(2010年版药典二部附录XIX A)不完全适宜于微生物替代方法的验证。药品微生物检验替代方法的验证参数见表1。

尽管替代方法的验证参数与药品质量标准分析方法验证参数有相似之处,但是其具体的内容是依据微生物检验特点而设立的。替代方法验证的实验结果需进行统计分析,当替代方法属于定性检验时,一般采用非参数的统计技术;当替代方法属于定量检验时,需要采用参数统计技术。
进行微生物替代方法的验证时,若替代方法只是针对药典方法中的某一环节进行技术修改,此时,需要验证的对象仅是该项替代技术而不是整个检验方法。如无菌试验若改为使用含培养基的过滤器,然后通过适宜的技术确认活的微生物存在,那么,验证时仅需验证所用的微生物回收系统而不是整个无菌试验方法。
15.2 替代方法验证的一般要求
在开展替代方法对样品检验的适用性验证前,有必要对替代方法有一个全面的了解。首先,所选用的替代方法应具备必要的方法适用性证据,表明在不含样品的情况下,替代方法在不同类型的微生物检验中所具有的专属性、精密度和检测限等参数。这些证据或由替代方法的研发者提供,或由方法使用者完成。
使用者在基本确认替代方法的适用性后,应采用样品按表1规定的参数逐一进行验证,以确认替代方法可否用于该样品的检验。验证至少使用2个批号的样品,每批样品应平行进行至少3次独立实验。
在开展各参数验证时,涉及的菌种除应包括微生物限度检查法(2010年版药典二部附录Ⅺ J)和无菌检查法(2010年版药典二部附录Ⅺ H)中培养基适用性检查规定的菌株外,还应根据替代方法及样品的特点增加相应的菌株。各菌种应分别进行验证。
15.3 样品中微生物定性检验方法的验证
1.专属性
微生物定性检验的专属性是指检测样品中可能存在的特定微生物种类的能力。当替代方法以微生物生长作为判断微生物是否存在时,其专属性验证时应确认所用培养基的促生长试验,还应考虑样品的存在对检验结果的影响。当替代方法不是以微生物生长作为判断指标时,其专属性验证应确认检测系统中的外来成分不得干扰试验而影响结果,如确认样品的存在不会对检验结果造成影响。采用替代方法进行控制菌的检验,还应选择与控制菌具有类似特性的菌株作为验证对象。
2.检测限
微生物定性检验的检测限是指在替代方法设定的检验条件下,样品中能被检出的微生物的最低数量。由于微生物所具有的特殊性质,检测限是指在稀释或培养之前初始样品所含有的微生物数量,而不是指检验过程中某一环节的供试液中所含有的微生物数量。例如,微生物限度检查中规定不得检出沙门菌,对检测限而言,是指每10g样品中能被检出的沙门菌的最低数量。
检测限确定的方法是在样品中接种较低浓度的试验菌(每单位不超过5cfu),然后分别采用药典方法和替代方法对该试验菌进行检验,以检出与否来比较两种方法的差异。试验菌的接种量须根据试验而定,以接种后采用药典方法50%的样品可检出该试验菌为宜。检测限验证至少应重复进行5次。对于同一种试验菌可采用卡方检验(X2)来评价两种方法的检测限是否存在差异。
3.重现性
微生物定性检验的重现性是指相同的样品在正常的实验条件(如实验地点、实验人员、仪器、试剂的批次等)发生变化时,所得检验结果的精密度。重现性可视为微生物检验方法在检验结果上抵抗操作和环境变化的能力。方法使用者应优先测定该验证参数。在样品中接种一定数量的试验菌(接种量应在检测限以上),采用药典方法和替代方法,分别由不同人员,在不同时间,使用不同的试剂(或仪器)进行检验,采用卡方检验(X2)来评价两种方法的重现性是否存在差异。验证过程中,应关注样品的一致性。
4.耐用性
微生物定性检验的耐用性是指当方法参数有小的刻意变化时,检验结果不受影响的能力,为方法正常使用时的可靠性提供依据。方法使用者应优先测定该验证参数。与药典方法比较,若替代方法检验条件较为苛刻,则应在方法中加以说明。替代方法与药典方法的耐用性比较不是必须的,但应单独对替代方法的耐用性进行评价,以便使用者了解方法的关键操作点。
15.4 样品中微生物定量检验方法的验证
微生物定量检验一般都涉及菌落计数。对计数结果进行数据处理时通常需要使用统计的方法。由于菌落计数服从泊松分布,因此采用泊松分布的统计方法对计数结果进行数据处理优于采用正态分布的统计方法。检验者往往习惯采用正态分布的统计方法,因此也可以通过对数转换或平方根加1的方法将原始数据转换为正态分布数据后再进行统计分析。两种统计方法都适用于微生物数据的统计分析。
1.准确度
微生物定量检验的准确度是指替代方法的检验结果与药典方法检验结果一致的程度。准确度的确认应在检测的范围内,通常用微生物的回收率(%)来表示。
检测范围内的准确度都应符合要求,准确度验证的方法是:制备试验菌的菌悬液,菌悬液的浓度应选择为能够准确计数的最高浓度,然后系列稀释至较低浓度(如小于10 cfu/ml)。例如,菌落计数平皿法的替代方法,在制备高浓度菌悬液时,其浓度可以是103cfu/ml,并系列稀释至100 cfu/ml。每个试验菌应至少选择5个菌浓度进行准确度确认,替代方法的检验结果不得少于药典方法检验结果的70%,也可以采用合适的统计学方法表明替代方法的回收率至少与药典方法一致。当替代方法的回收率高于药典方法时,有必要结合专属性项下的有关内容对准确度进行评价。
2.精密度
微生物定量检验的精密度是指在检验范围内,对同一个均匀的样品多次重复取样测定,其检验结果的一致程度,通常采用标准偏差或相对标准偏差来表示,也可以采用其他适宜的方式。
精密度验证的方法是:制备试验菌的菌悬液,菌悬液的浓度应选择为能够准确读数的最高浓度,然后系列稀释至较低浓度(如小于10 cfu/ml)。每个试验菌选择其中至少5个浓度的菌悬液进行检验。每一个浓度至少应进行10次重复检验,以便能够采用统计分析方法得到标准偏差或相对标准偏差。一般情况下,可以接受的相对标准偏差(RSD)应不大于35%。不考虑特殊的检验结果,替代方法的相对标准偏差(RSD)应不大于药典方法。例如,药典菌落计数平皿法其可接受的相对标准偏差(RSD)与含菌浓度的关系见表2。
表2 不同含菌浓度下预期的相对标准偏差
cfu/皿 | 预期RSD |
<10 | <35% |
10~30 | <25% |
30~300 | <15% |
3.专属性
微生物定量检验的专属性是指通过检测适宜的试验菌,以证明检验方法与其设定目的相适应的能力。例如,菌落计数平皿法其设定目的在于检出一定数量的微生物,则其专属性验证应证明当样品中存在一定数量的试验菌时,通过平皿法检验,能够检出试验菌,而样品的存在不会对结果造成影响。专属性验证时,应能够设计出可能使替代方法出现假阳性的实验模型来挑战替代方法,从而确认替代方法的适用性。当替代方法不依赖微生物生长出菌落或出现混浊就可以定量时(如不需要增菌或在1~50cfu范围内就可直接测定菌数的定量方法),以上验证方式就显得更为重要。
4.定量限
微生物定量检验的定量限是指样品中能被准确定量测定的微生物最低数量。由于无法得到含有已知微生物数量的实验样品,因此,在定量限验证时,应选择在检验范围内至少5个菌浓度,每个浓度重复取样测定不少于5次,替代方法的定量限不得大于药典方法。需要注意的是,由于细菌计数和菌落数服从泊松分布,可能存在计数结果的误差,因此替代方法的定量限仅需证实在相近的低限度下其灵敏度至少相当于药典方法。
定量限验证的方法是:在检验范围的低限制备5份不同含菌浓度的菌悬液,每份菌悬液分别用药典方法和替代方法进行不少于5次检验,采用统计方法比较替代方法的检验结果与药典方法结果的差异,从而评价替代方法的定量限。
5.线性
微生物定量检验的线性是指在一定范围内,检验结果与样品中微生物数量成比例关系的程度。线性验证时必须覆盖能够准确测定的所有浓度范围。每株试验菌应选择至少5个浓度,每个浓度至少测定5次。根据以上实验数据,以检验结果为因变量,以样品中微生物的预期数量为自变量进行线性回归分析,计算相关系数r。当相关系数不能准确评估线性时,只能确定简单大约的关系值。替代方法的相关系数不得低于0.95。
6.范围
微生物定量检验的范围是指能够达到一定的准确度、精密度和线性,检验方法适用的高低限浓度或数量的区间。
7.重现性
微生物定量检验的重现性是指相同的样品在正常的实验条件(如实验地点、实验人员、仪器、试剂的批次等)发生变化时,所得检验结果的精密度。重现性可视为微生物检验方法在检验结果上抵抗操作和环境变化的能力。方法使用者应优先测定该验证参数。在样品中接种一定数量的试验菌(接种量应在定量限以上),采用药典方法和替代方法,分别由不同人员,在不同时间,使用不同的试剂(或仪器)进行检验,对榆验结果进行统计分析,以相对标准偏差(RSD)来评价两种方法的重现性差异。验证过程中,应关注样品的一致性。
8.耐用性
微生物定量检验的耐用性是指当方法参数有小的刻意变化时,检验结果不受影响的能力,为方法正常使用时的可靠性提供依据。方法使用者应优先测定该验证参数。与药典方法比较,若替代方法检验条件较为苛刻,则应在方法中加以说明。替代方法与药典方法的耐用性比较不是必须的,但应单独对替代方法的耐用性进行评价,以便使用者了解方法的关键操作点。
16 附录XIX P 微生物限度检查法应用指导原则
为更好应用微生物限度检查法(2010年版药典二部附录Ⅺ J),特制定本指导原则。
微生物限度检查法可用于判断非规定灭菌制剂及原料、辅料是否符合药典的规定,也可用于指导制剂、原料、辅料的微生物质量标准的制定,及指导生产过程中间产品微生物质量的监控。本指导原则将对标准和方法中的特定内容及标准的应用做进一步的说明。
1.微生物限度检查过程中,如需要使用表面活性剂、灭活剂及中和剂,在确定其能否适用于所检样品及其用量时,除应证明该试剂对所检样品的处理有效外,还须确认该试剂不影响样品中可能污染的微生物的检出(即无毒性),因此无毒性确认试验的菌株不能仅局限于验证试验菌株,而应当包括产品中可能污染的微生物。
2.供试液制备方法、抑菌成分的消除方法及细菌、霉菌及酵母菌计数方法应尽量选择微生物限度检查法中操作简便、快速的方法,同时,所选用的方法应避免损伤供试品中污染的微生物。对于抑菌作用较强的供试品,在供试品溶液性状允许的情况下,应尽量选用薄膜过滤法进行试验。
3.微生物限度检查法(2010年版药典二部附录Ⅺ J)收载的离心沉淀法仅适用于制备细菌计数或控制菌(细菌)检查用的供试液,规定的500转/分钟、不超过3分钟只用于去除供试液中的沉淀物。采用该方法时,供试液中的样品颗粒大小、黏稠度及污染的微生物大小、转速等直接影响着样品中微生物的回收,易造成检验结果不能真实反映供试品的污染情况。因此,供试液制备时尽量避免使用该方法,更不宜采用高速离心沉降集菌。
4.对照培养基系指按培养基处方特别制备、质量优良的培养基,用于培养基适用性检查。由中国药品生物制品检定所研制及分发。
5.进行验证试验时,若因没有适宜的方法消除供试品中的抑菌作用而导致微生物回收的失败,应采用能使微生物生长的更高稀释级供试液进行方法验证试验。此时更高稀释级供试液的确认要从低往高的稀释级进行,但最高稀释级供试液选择应根据供试品应符合的微生物限度标准和菌数报告规则,如供试品应符合的微生物限度标准是每1g供试品细菌数不得过1000cfu,那么最高稀释级是1:10-3。
若采用允许的最高稀释级供试液进行验证试验还存在1株或多株试验菌的回收率达不到要求,那么应选择回收情况最接近要求的方法进行供试品的检测。如某种产品对某试验
菌有较强的抑菌性能,采用薄膜过滤法的回收率为40%,而采用培养基稀释法的回收率为30%,那么应选择薄膜过滤法进行该供试品的检测。在此情况下,生产单位或研制单位应根据原辅料的微生物质量、生产工艺及产品特性进行产品的风险评估,以保证检验方法的可靠性,从而保证产品质量。
6.微生物限度检查法中控制菌检查法没有规定进一步确证疑似致病菌的方法。若供试品检出疑似致病菌,确证的方法应选择已被认可的菌种鉴定方法,如细菌鉴定一般依据《伯杰氏细菌鉴定手册》。
7.在药品的生产、贮存、销售及新药标准制订、进口药品标准复核、考察药品质量、仲裁中,除在品种项下及制剂通则项下另有规定外,其微生物限度均以药典的“药品微生物限度标准”(2010年版药典二部附录Ⅺ J)为依据。
8.对于《中国药典》2010年版二部化学药制剂通则项下有微生物限度要求的制剂,微生物限度为必检项目;对于只有原则性要求的制剂(如:丸剂、口服片剂、胶囊剂、颗粒剂),应对其被微生物污染的风险进行评估。在保证产品对患者安全的前提下,通过回顾性验证或在线验证积累的微生物污染数据表明每批均符合微生物限度标准的要求,那么可不进行批批检验,但必须保证每批最终产品均符合微生物限度标准规定。上述固体制剂若因制剂本身及工艺的原因导致产品易受微生物污染,应在品种项下列出微生物限度检查项及微生物限度标准,如生化类制剂。
9.用于手术、烧伤及严重创伤的局部给药制剂应符合无菌检查法要求。对用于创伤程度难以判断的局部给药制剂,若没有证据证明药品不存在安全性风险,那么该药品应符合无菌检查法要求。
10.制定药品的微生物限度标准时,除了依据“药品微生物限度标准”(2010年版药典二部附录Ⅺ J)外,还应综合考虑原料来源、性质、生产工艺条件、给药途径及微生物污染对患者的潜在危险等因素,提出合理安全的微生物限度标准,因此,必要时,特殊品种为保证其疗效、稳定性及避免对患者的潜在危害性,应制定更严格的微生物限度标准,并在品种项下规定,如吸入粉雾剂,从使用者的安全性考虑,应按无菌产品的要求进行控制。
17 附录XIX Q 药品微生物实验室质量管理指导原则
药品微生物实验室质量管理[2]指导原则用于指导药品微生物检验实验室的质量控制。
药品微生物的检验结果受很多因素的影响,如样品中微生物可能分布不均匀、微生物检验方法的误差较大等。因此,在药品微生物检验中,为保证检验结果的可靠性,必须使用经验证的检测方法并严格按照药品微生物实验室质量管理指导原则要求[2]进行试验。
药品微生物实验室质量管理指导原则[2]包括以下几个方面:人员、培养基、试剂、菌种、环境、设备、样品、检验方法、污染废弃物处理、检测结果质量保证和检测过程质量控制、实验记录、结果的判断、检测报告、文件[2]等。
17.1 人员
从事药品微生物试验工作的人员应具备微生物学或相近专业知识的教育背景。
实验人员应依据所在岗位和职责接受相应的培训,在确认他们可以承担某一试验前,他们不能独立从事该项微生物试验。应保证所有人员在上岗前接受胜任工作所必需的设备操作、微生物检验技术等方面的培训,如无菌操作、培养基制备、消毒、灭菌、注平板、菌落计数、菌种的转种、传代和保藏、微生物检查方法及鉴定基本技术等,经考核合格后方可上岗。
实验人员应经过实验室生物安全方面的培训,保证自身安全,防止微生物在实验室内部污染。
实验室应制定所有级别实验人员的继续教育计划,保证知识与技能不断的更新。[2]
检验人员必须熟悉相关检测方法、程序、检测目的和结果评价。微生物实验室的管理者其专业技能和经验水平应与他们的职责范围相符,如:管理技能、实验室安全、试验安排、预算、实验研究、实验结果的评估和数据偏差的调查、技术报告书写等。
实验室应通过参加内部质量控制、能力验证或使用标准菌株等方法客观评估检验人员的能力,必要时对其进行再培训并重新评估。当使用一种非经常使用的方法或技术时,有必要在检测前确认微生物检测人员的操作技能。
所有人员的培训、考核内容和结果均应记录归档。
17.2 培养基
培养基是微生物试验的基础,直接影响微生物试验结果。适宜的培养基制备方法、贮藏条件和质量控制试验是提供优质培养基的保证。
1.培养基的制备
微生物实验室使用的[2]培养基可按处方配制,也可使用按处方生产的符合规定的脱水培养基。
在制备培养基时,应选择质量符合要求的脱水培养基或单独配方组分进行配制。脱水培养基应附有处方和使用说明,配制时应按使用说明上的要求操作以确保培养基的质量符合要求,不得使用结块或颜色发生改变的脱水培养基。脱水培养基或单独配方组分应在适当的条件下贮藏,如低温、干燥和避光,所有的容器应密封,尤其是盛放脱水培养基的容器。商品化的成品培养基除了应附有处方和使用说明外,还应注明有效期、贮藏条件、适用性检查试验的质控菌和用途。
为保证培养基质量的稳定可靠,各脱水培养基或各配方组分应准确称量,并要求有一定的精确度。配制培养基最常用的溶剂是纯化水,特殊情况下,可能需要用去离子水和蒸馏水。应记录各称量物的重量和水的使用量。
配制培养基所用容器不得影响培养基质量,一般为玻璃容器。[2]培养基配制所用容器和配套器具应洁净,可用纯化水冲洗玻璃器皿以消除清洁剂和外来物质的残留。对热敏感的培养基如糖发酵培养基其分装容器一般应预先进行灭菌,以保证培养基的无菌性。
脱水培养基应完全溶解于水中,再行分装与灭菌。配制时若需要加热助溶,应注意不要过度加热,以避免培养基颜色变深。如需要添加其他组分时,加入后应充分混匀。
应按照生产商提供或使用者验证的参数进行培养基的灭菌。商品化的成品培养基必须附有所用灭菌方法的资料。培养基灭菌一般采用湿热灭菌技术,特殊培养基可采用薄膜过滤除菌。
培养基若采用不适当的加热和灭菌条件,有可能引起颜色变化、透明度降低、琼脂凝固力或pH的改变。因此,培养基应采用验证的灭菌程序灭菌,培养基灭菌方法和条件,应通过无菌性试验和促生长试验进行验证。此外,对高压灭菌器的蒸汽循环系统也要加以验证,以保证在一定装载方式下的正常热分布。温度缓慢上升的高压灭菌器可能导致培养基的过热,过度灭菌可能会破坏绝大多数的细菌和真菌培养基促生长的质量。灭菌器中培养基的容积和装载方式也将影响加热的速度。因此,应根据灭菌培养基的特性,进行全面的灭菌程序验证。
应确定每批培养基灭菌后的pH值(冷却至室温25℃测定)。若培养基处方中未列出pH值的范围,除非经验证表明培养基的pH值允许的变化范围很宽,否则,pH值的范围不能超过规定值±0.2。
制成平板或分装于试管的培养基应进行下列检查:容器和盖子不得破裂,装量应相同,尽量避免形成气泡,固体培养基表面不得产生裂缝或涟漪,在冷藏温度下不得形成结晶,不得污染微生物等。应检查和记录批数量、有效期及培养基的无菌检查。
自配的培养基应标记名称、批号、配制日期、配置人[2]等信息,并在已验证的条件下贮藏。商品化的成品培养基标签上应标有名称、批号、生产日期、失效期及培养基的有关特性,生产商和使用者应根据培养基使用说明书上的要求进行贮藏,所采用的贮藏和运输条件应使成品培养基最低限度的失去水分并提供机械保护。
培养基灭菌后若贮藏在高压灭菌器中,质量可能会受影响,一般不提倡这种存放法。琼脂培养基不得在0℃或0℃以下存放,因为冷冻可能破坏凝胶特性。培养基应避光保存,若要长期保存,应置于密闭容器中以防止水分流失。琼脂平板最好现配现用,如置冰箱保存,一般不超过1周,且应密闭包装,若延长保存期限,保存期需经验证确定。
固体培养基灭菌后的再融化只允许1次,以避免因过度受热造成培养基质量下降或微生物污染。培养基的再融化一般采用水浴或流通蒸汽加热。若采用其他溶解方法,应对其进行评估,确认该溶解方法不影响培养基质量。[2]融化的培养基应置于45~50℃的水浴中,不得超过8小时。倾注培养基时,应擦干培养基容器外表面的水分,避免容器外壁的水滴进入培养基中造成污染。
使用过的培养基(包括失效的培养基)应按照国家污染废物处理相关规定进行。
3.质量控制试验
实验室应对试验用培养基建立质量控制程序,以确保所用培养基质量符合相关检测的需要。
实验室配制或商品化的成品培养基的质量依赖于其制备过程,采用不适宜方法制备的培养基将影响微生物的生长或复苏,从而影响试验结果的可靠性。
所有配制好的培养基均应进行质量控制试验。实验室配制的培养基的常规监控项目是pH、适用性检查试验,定期的稳定性检查以确定有效期。培养基在有效期内应依据适用性检查试验确定培养基质量是否符合要求。有效期的长短将取决于在一定存放条件下(包括容器特性及密封性)的培养基其组成成分的稳定性。
除药典附录另有规定外,在实验室中,若采用已验证的配制和灭菌程序制备培养基且过程受控,那么同一批脱水培养基的适用性检查试验可只进行1次。如果培养基的制备过程未经验证,那么每一批培养基均要进行适用性检查试验,试验的菌种可根据培养基的用途从相关附录中进行选择,也可增加从生产环境及产品中常见的污染菌株。
培养基的质量控制试验若不符合规定,应寻找不合格的原因,以防止问题重复出现。任何不符合要求的培养基均不能使用。
用于环境监控的培养基须特别防护,最好要双层包装和终端灭菌,如果不能采用终端灭菌的培养基,那么在使用前应进行100%的预培养以防止外来的污染物带到环境中及避免出现假阳性结果。
17.3 试剂
微生物实验室应有试剂接收、检查和贮藏的程序,以确保所用试剂质量符合相关检查要求。
实验用的关键试剂,在开启和贮藏过程中,应对每批试剂的适用性进行验证。实验室应对试剂进行管理控制,保存和记录相关资料。
实验室应标明所有试剂、试液及溶液的名称、制备依据、适用性、浓度、效价、贮藏条件、制备日期、有效期及制备人。[2]
17.4 菌种
试验过程中,生物样本可能是最敏感的,因为它们的活性和特性依赖于合适的试验操作和贮藏条件。实验室菌种的处理和保藏的程序应标准化,使尽可能减少菌种污染和生长特性的改变。按统一操作程序制备的菌株是微生物试验结果一致性的重要保证。
药品微生物检验用的试验菌应来自认可的国内或国外菌种保藏机构的标准菌株,或使用与标准菌株所有相关特性等效的可溯源的[2]商业派生菌株。
标准菌株的复活或培养物的制备应按供应商提供的说明或按已验证的方法进行。从国内或国外菌种保藏机构获得的标准菌株经过复活并在适宜的培养基中生长后,即为标准储备菌株。标准储备菌株应进行纯度和特性确认。标准储备菌株保存时,可将培养物等份悬浮于抗冷冻的培养基中,并分装于小瓶中,建议采用低温冷冻干燥、液氮贮存、超低温冷冻(低于- 30℃)等方法保存。低于-70℃或低温冷冻干燥方法可以延长菌种保存时间。标准储备菌株可用于制备每月或每周1次转种的工作菌株。冷冻菌种一旦解冻转种制备工作菌株后,不得重新冷冻和再次使用。
工作菌株的传代次数应严格控制,不得超过5代(从菌种保藏机构获得的标准菌株为第0代),以防止过度的传代增加菌种变异的风险。1代是指将活的培养物接种到微生物生长的新鲜培养基中培养,任何亚培养的形式均被认为是转种或传代1次。必要时,实验室应对工作菌株的特性和纯度进行确认。
工作菌株不可替代标准菌株,标准菌株的商业衍生物仅可用作工作菌株。标准菌株如果经过确认试验证明已经老化、退化、变异、污染等或该菌株已无使用需要时,应及时灭菌销毁。[2]
实验室必须建立和保存其所有菌种的进出、收集、贮藏、确认试验以及销毁的记录,应有菌种管理的程序文件(从标准菌株到工作菌株),该程序包括:标准菌种的申购记录;从标准菌株到工作菌株操作及记录;菌种必须定期转种传代,并做纯度、特性等实验室所需关键指标的确认,并记录;每支菌种都应注明其名称、标准号、接种日期、传代数;菌种生长的培养基和培养条件;菌种保藏的位置和条件;其他需要的程序。
{
17.5 环境
微生物实验室应具有进行微生物检测所需的适宜、充分的设施条件。实验环境应保证不影响检验结果的准确性。工作区域与办公区域应分开。
微生物实验室应专用,并与其他领域分开尤其是生产领域。
1.实验室的布局和运行
微生物实验室的布局与设计应充分考虑到试验设备安装、良好微生物实验室操作规范和实验室安全的要求。实验室布局设计的基本原则是既要最大可能防止微生物的污染,又要防止检验过程对环境和人员造成危害,同时还应考虑活动区域的合理规划及区分,避免混乱和污染,以提高微生物实验室操作的可靠性。
微生物实验室的设计和建筑材料应考虑其适用性,以利清洁、消毒、灭菌并减少污染的风险。洁净或无菌室应配备独立的空气机组或空气净化系统,以满足相应的检验要求,包括温度和湿度的控制,压力、照度和噪声等都应符合工作要求。空气过滤系统应定期维护和更换,并保存相关记录。微生物实验室应划分成相应的洁净区域和活菌操作区域,同时应根据试验目的,在时间或空间上有效分隔不相容的试验活动,将交叉污染的风险降低到最低。
活菌操作区应该配备生物安全柜,以避免危害性的生物因子对实验人员和实验环境造成的危害。一般情况下,药品微生物检验的实验室应有符合无菌检查法(2010年版药典二部附录Ⅺ H)和微生物限度检查法(2010年版药典二部附录Ⅺ J)要求的、用于具有开展无菌检查、微生物限度检查、无菌采样等检测活动的、独立设置的洁净室(区)或隔离系统,并为上述检验配备相应的阳性菌实验室、培养室、试验结果观察区、培养基及实验用具准备(包括灭菌)区、样品接收和贮藏区、标准菌株贮藏区、污染物处理区和文档处理区等辅助区域,同时,应对上述区域明确标识。
微生物实验的各项工作应在专属的区域进行,以降低交叉污染、假阳性结果和假阴性结果出现的风险。一些样品若需要证明微生物的生长或进一步分析培养物的特性,如再培养、染色、微生物鉴定或其他确定试验均应在实验室的活菌操作区进行。任何出现微生物生长的培养物不得在实验室无菌区域内打开。对染菌的样品及培养物应有效隔离以减少假阳性结果的出现。病原微生物的分离鉴定工作应在二级生物安全实验室进行。}[2]
{实验室应对进出洁净区域的人和物建立控制程序和标准操作规程,对可能影响检验结果的工作(如洁净度验证及监测、消毒、清洁维护等)能够有效地控制、监测并记录。微生物实验室使用权限应限于经授权的工作人员,实验人员应了解洁净区域的正确进出的程序,包括更衣流程;该洁净区域的预期用途、使用时的限制及限制原因;适当的洁净级别。
2.环境监测
微生物实验室应按相关国家标准制定完整的洁净室(区)和隔离系统的验证和环境监测标准操作规程,环境监测项目和监测频率及对超标结果处理应有书面程序。监测项目应涵盖到位,包括对空气悬浮粒子、浮游菌、沉降菌、表面微生物及物理参数(温度、相对湿度、换气次数、气流速度、压差、噪声等)的有效地控制和监测。
微生物实验室应有制定清洁、消毒和卫生的标准操作规程,规程中应涉及环境监测结果。
实验室在使用前和使用后应进行消毒,并定期监测消毒效果,要有足够洗手和手消毒设施。应有对有害微生物发生污染的处理规程。
所用的消毒剂种类应满足洁净实验室相关要求并定期更换。理想的消毒剂既能杀死广泛的微生物、对人体无毒害、不会腐蚀或污染设备,又应有清洁剂的作用、性能稳定、作用快、残留少、价格合理。所用消毒剂和清洁剂的微生物污染状况应进行监测,并在规定的有效期内使用,A级和B级洁净区应当使用无菌的或经无菌处理的消毒剂和清洁剂。}[2]
17.6 设备
微生物实验室应配备与检验能力和工作量相适应的仪器设备,其类型、测量范围和准确度等级应满足检验所采用标准的要求,设备的安装和布局应便于操作,易于维护、清洁和校准,并保持清洁和良好的工作状态。用于试验的每台仪器、设备应该有唯一标识。
仪器设备应有合格证书,[2]实验室在仪器设备完成相应的检定、校准、验证、确认其性能,并形成相应的操作、维护和保养的标准操作规程后方可正式使用,仪器设备使用和日常监控要有记录。
1.设备的维护
为保证仪器设备处于良好工作状态,应定期对其进行维护和性能验证,并保存相关记录。仪器设备若脱离实验室或被检修,恢复使用前应对其检查或校准,以保证性能符合要求。[2]
微生物实验室所用的仪器应根据日常使用的情况进行定期的校准,并记录。校准的周期和校验的内容根据仪器的类型和设备在实验室产生的数据的重要性的不同而不同。重要的仪器设备,如培养箱、冰箱等,应由专人负责,保证其运行状态正常和受控,同时应有相应的备用设备以保证试验菌株和微生物培养的连续性,特殊设备如高压灭菌器、隔离器、生物安全柜等实验人员应经培训后持证上岗。[2]对于培养箱、冰箱、高压灭菌锅等影响实验准确性的关键设备应在其运行过程中对关键参数(如温度、压力)进行连续观测和记录,有条件的情况下尽量使用自动记录装置。如果发生偏差,应评估对以前的检测结果造成的影响并采取必要的纠正措施。对于一些容易污染微生物的仪器设备如水浴锅、培养箱、冰箱和生物安全柜等应定期进行清洁和消毒。
对试验需用的无菌器具应实施正确的清洗、灭菌措施,并形成相应的标准操作规程,无菌器具应有明确标识并与非无菌器具加以区别。
{实验室的某些设备(例如培养箱、高压灭菌器和玻璃器皿等)应专用,除非有特定预防措施,以防止交叉污染。
微生物实验室所用的仪器应根据日常使用的情况进行定期的校准,并记录。校准的周期和校验的内容根据仪器的类型和设备在实验室产生的数据重要性不同而不同。仪器上应有标签说明校准日期、维修日期和重新校准日期。
温度测量装置
温度不但对实验结果有直接的影响,而且还对仪器设备的正常运转和正确操作起关键因素。相关的温度测量装置如培养箱和高压灭菌器中的温度计、热电耦和铂电阻温度计,应具有可靠的质量并进行校准以确保所需的精确度,温度设备的校准应遵循国家或国际标准。
温度测量装置可以用来监控冰箱、超低温冰箱、培养箱、水浴锅等设备的温度,应在使用前验证此类装置的性能。
称量设备
天平和标准砝码应定期进行校准,天平使用过程应采用标准砝码进行校准。每次使用完后应及时清洁,必要时用非腐蚀消毒剂进行消毒。
容量测定设备
微生物实验室对容量测定设备如自动分配仪、移液枪、移液管等应进行检定,以确保仪器准确度。对于已经校准或检定证明符合使用要求的玻璃器具可以不进行检定。标有各种使用体积的仪器需要对使用时的体积进行精密度的检查,并且还要测定其重现性。
对于一次性使用的容量设备,实验室应该从公认的和具有相关质量保证系统的公司购买。对仪器适用性进行初次验证后,要对其精密度随时进行检查。必要时应该对每批定容设备进行适用性检查。
应由有资质的人员进行生物安全柜、层流超净工作台及高效过滤器的安装与更换,要按照确认的方法进行现场生物和物理的检测,并定期进行再验证。
实验室生物安全柜和层流超净工作台的通风应符合微生物风险级别及符合安全要求。应定期对生物安全柜、层流超净工作台进行监测以确保其性能符合相关要求。实验室应保存检查记录和性能测试结果。
其他设备
悬浮粒子计数器、浮游菌采样器应定期进行校准;pH计、传导计和其他类似仪器的性能应定期或在每次使用前确认;若湿度对实验结果有影响,湿度计应按国家或国际标准进行校准;当所测定的时间对检测结果有影响时,应使用校准过的计时仪或定时器;使用离心机时,应评估离心机每分钟的转数,若离心是关键因素,离心机应该进行校准。}[2]
{
17.7 样品
1.样品采集
试验样品的采集,应遵循随机抽样的原则,并在受控条件下进行抽样,如有可能,抽样应在具有无菌条件的特定抽样区域中进行。抽样时,须采用无菌操作技术进行取样,防止样品受到微生物的污染而导致假阳性的结果。抽样的任何消毒过程(如抽样点的消毒)不能影响样品中微生物的检出。
抽样的容器应贴有唯一性的标识,注明样品名称、批号、抽样日期、采样容器、抽样人等。抽样应由经过培训的人员使用无菌设备在无菌条件下进行无菌操作。抽样环境状况应监测并记录,同时还需记录采样时间。}[2]
{
2.样品储存和运输
待检样品应在合适的条件下贮藏并保证其完整性,尽量减少污染的微生物发生变化。样品在运输过程中,应保持原有(规定)的储存条件或采取必要的措施(如冷藏或冷冻)。应明确规定和记录样品的贮藏和运输条件。
实验室在收到样品后应根据有关规定尽快对样品进行检查,并记录被检样品所有相关信息,如:接收日期及时间、接收
时样品的状况、采样操作的特征(包括采样日期和采样条件等)、贮藏条件。
如果样品存在数量不足、包装破损、标签缺失、温度不适等,实验室应在决定是否检测或拒绝接受样品之前与相关人员沟通。样品的包装和标签有可能被严重污染,因此搬运和储存样品时应小心以避免污染的扩散,容器外部的消毒应不影响样品的完整性。样品的任何状况在检验报告中应有说明。
选择具有代表性的样品,根据有关的国家或国际标准,或者使用经验证的实验方法,尽快进行检验。
实验室应按照书面管理程序对样品进行保留和处置。如果实验用的是已知被污染的样品,应该在丢弃前进行灭菌。检验方法
药品微生物检验时,应根据检验目的选择适宜的方法进行样品检验。
药典方法或标准中规定的方法是经过验证的,当进行样品检验时,应进行方法适用性确认。
如果检验方法不是药典或标准中规定的方法,使用前应进行替代方法的验证,确认其应用效果优于或等同于药典方法。替代方法的验证按药品微生物检验替代方法验证指导原则(2010年版药典二部附录XIX O)进行。
实验室对所用商业检测系统如试剂盒等应保留确认数据,这些确认数据可由制造者提供或由第三方机构评估,必要时,实验室应对商业检测系统进行确认。}[2]
{
17.8 污染废弃物处理
实验室应有妥善处理废弃样品、过期(或失效)培养基和有害废弃物的设施和制度,旨在减少检查环境和材料的污染。污染废弃物的最终处理必须符合国家环境和健康安全规定。实验室还应针对类似于带菌培养物溢出的意外事件制定处理规程。如:活的培养物洒出必须就地处理,不得使培养物污染扩散。}[2]
{
1.内部质量控制
为保证实验室在每个工作日检测结果的连贯性和与检测标准的一致性,实验室应制定对所承担的工作进行连续评估的程序。
实验室应定期对实验环境的洁净度、培养基的适用性、灭菌方法、菌株纯度和活性(包括性能)、试剂的质量等进行监控并详细记录。
实验室应定期对检测人员进行技术考核。可以通过加标试样的使用、平行实验和参加能力验证等方法使每个检测人员所检测项目的可变性处于控制之下,以保证检验结果的一致性。
2.外部质量评估
实验室应参加与检测范围相关的国家能力验证或实验室之间的比对实验来评估检测水平,通过参加外部质量评估来评定检测结果的偏差。}[2]
17.9 实验记录
实验结果的可靠性依赖于试验严格按照标准操作规程进行,而标准操作规程应指出如何进行正确的试验操作。实验记录应包含所有关键的实验细节,以便确认数据的完整性。实验室原始记录至少应包括以下内容:实验日期、检品名称、实验人员姓名、标准操作规程编号或方法、实验结果、偏差(存在时)、实验参数(所使用的设备、菌种、培养基和批号以及培养温度等)、主管/复核人签名。
实验记录上还应显示出检验标准的选择,如果使用的是药典标准,必须保证是现行有效的标准。
试验所用的每一个关键的实验设备均应有记录,设备日志或表格应设计合理,[2]以满足试验记录的追踪性,设备温度(水浴、培养箱、灭菌器)必须记录,且具有追溯性。
实验记录写错时,用单线划掉并签字。原来的数据不能抹去或被覆盖。
所有实验室记录应以文件形式保存并防止意外遗失,正规的记录应存放在特定的地方并有登记。
{
17.10 结果的判断和检测报告
由于微生物试验的特殊性,在实验结果分析时,对结果应进行充分和全面的评价。所有影响结果观察的微生物条件和因素应完全考虑,包括与规定的限度或标准有很大偏差的结果;微生物在原料、辅料或试验环境中存活的可能性;及微生物的生长特性等。特别要了解}[2]实验结果与标准的差别
是否有统计学意义。
若发现实验结果不符合药典各品种项下要求或另外建立的质量标准,应进行原因调查。引起微生物污染结果不符合标准的原因主要有两个:试验操作错误或产生无效结果的试验环境条件;产品本身的微生物污染总数超过规定的限度或检出控制菌。
异常结果出现时,应进行偏差调查。偏差调查时[2]应考虑实验室环境、抽样区的防护条件、样品在该检验条件下以往检验的情况、样品本身具有使微生物存活或繁殖的特性等情况。此外,回顾试验过程,也可评价该实验结果的可靠性及实验过程是否恰当。如果试验操作被确认是引起实验结果不符合的原因,那么应制定改错方案以解决问题,按照正确的操作方案进行实验,在这种情况下,对试验过程及试验操作应特别认真地进行监控。
如果依据分析调查结果发现试验有错误而判实验结果无效,那么这种情况必须记录。实验室也必须认可复试程序,如果需要,可按相关规定重新抽样,但抽样方法不能影响不符合规定结果的分析调查。
{微生物实验室检测报告应该符合检测方法的要求。实验室应准确、清晰、明确和客观地报告每一项或每一份检测的结果。
17.11 文件
文件应当充分表明试验是在实验室里按可控的检查法进行的,一般包括以下方面:人员培训与资格确认;设备验收、验证、检定(或校准期间核查)和维修;设备使用中的运行状态(设备的关键参数);培养基制备、贮藏和质量控制;菌种管理;检验规程中的关键步骤;数据记录与结果计算的确认;质量责任人对试验报告的评估;数据偏离的调查。
18 附录XIX R 国家药品标准物质制备指导原则
(附录XIX R 国家药品标准物质制备指导原则 由《中华人民共和国药典》(2010年版 第二增补本)新增)
本指导原则用于规范和指导国家药品标准物质的制备,保证国家药品标准的执行。
18.1 一、国家药品标准物质品种的确定
18.2 二、候选国家药品标准物质原料的选择
1.原料的选择应满足适用性、代表性及可获得性的原则。
2.原料的性质应符合使用要求。
3.原料的均匀性、稳定性及相应特性量值范围应适合该标准物质的用途。
18.3 三、候选国家药品标准物质的制备
1.根据候选药品标准物质的理化性质,选择合理的制备方法和工艺流程,防止相应特性量值的变化,并避免被污染。
2.对不易均匀的候选药品标准物质,在制备过程中除采取必要的均匀措施外,还应进行均匀性初检。
3.对相应特性量值不稳定的候选药品标准物质,在制备过程中应考察影响稳定性的因素,采取必要的措施保证其稳定性,并选择合适的储存条件。
4.当候选药品标准物质制备量大时,为便于保存可采取分级分装。
5.候选药品标准物质供应者须具备良好的实验条件和能力,并应提供以下资料。
(1)试验方法、量值、试验重复次数、必要的波谱及色谱等资料;
(2)符合稳定性要求的储存条件(温度、湿度和光照等);
(3)候选药品标准物质引湿性研究结果及说明;
(4)加速稳定性研究结果;
(5)有关物质的鉴别及百分比,国家药品标准中主组分的相对响应因子等具体资料;
18.4 四、候选国家药品标准物质的标定
候选药品标准物质按以下要求进行标定,必要时应与国际标准物质进行比对。
18.4.1 1.化学结构或组分的确证
(1)验证已知结构的化合物需要提供必要的理化参数及波谱数据,并提供相关文献及对比数据。如无文献记载,应提供完整的结构解析过程。
(2)对于不能用现代理化方法确定结构的药品标准物质,应选用适当的方法对其组分进行确证。
18.4.2 2.理化性质检查
应根据药品标准物质的特性和具体情况确定理化性质检验项目,如性状、熔点、比旋度、晶型以及干燥失重、引湿性等。
18.4.3 3.纯度及有关物质检查
应根据药品标准物质的使用要求确定纯度及有关物质的检查项,如反应中间体、副产物及相关杂质等。
18.4.4 4.均匀性检验
凡成批制备并分装成最小包装单元的候选药品标准物质,必须进行均匀性检验。对于分级分装的候选药品标准物质,凡由大包装分装成最小包装单元时,均应进行均匀性检验。
18.4.5 5.定值
符合上述要求后,方可进行定值。
定值的测量方法应经方法学考察证明准确可靠。应先研究测量方法、测量过程和样品处理过程所固有的系统误差和随机误差,如溶解、分离等过程中被测样品的污染和损失;对测量仪器要定期进行校准,选用具有可溯源的基准物;要有可行的质量保证体系,以保证测量结果的溯源性。
18.4.5.1 (1)定值原则
在测定一个候选化学标准品/对照品含量时,水分、有机溶剂、无机杂质和有机成分测定结果的总和应为100%。
18.4.5.2 (2)选用下列方式对候选药品标准物质定值
①采用高准确度的绝对或权威测量方法定值测量时,要求两个以上分析者在不同的实验装置上独立地进行操作。
研究不同原理的测量方法的精密度,对方法的系统误差进行估计,采取必要的手段对方法的准确度进行验证。
③多个实验室协作定值
参加协作标定的实验室应具有候选药品标准物质定值的必备条件及相关实验室资质。每个实验室应采用规定的测量方法。协作实验室的数目或独立定值组数应符合统计学的要求。
18.5 五、候选国家药品标准物质的稳定性考察
1.候选药品标准物质应在规定的储存或使用条件下,定期进行相应特性量值的稳定性考察。
2.稳定性考察的时间间隔可以依据先密后疏的原则。在考察期间内应有多个时间间隔的监测数据。
(1)当候选药品标准物质有多个特性量值时,应选择易变的和有代表性的特性量值进行稳定性考察;
(2)选择不低于定值方法精密度和具有足够灵敏度的测量方法进行稳定性考察;
19 附录XIX S 药用辅料功能性指标研究指导原则
(附录XIX S 药用辅料功能性指标研究指导原则 由《中华人民共和国药典》(2010年版 第三增补本)新增)
药用辅料系指生产药品和调配处方时使用的赋形剂和附加剂,是除活性成分以外,在安全性方面已进行了合理的评估,且包含在药物制剂中的物质。药用辅料按用途可以分为多个类别(见附录Ⅱ 药用辅料),为保证药用辅料在制剂中发挥其赋形作用和保证质量的作用,在药用辅料的正文中设置适宜的功能性指标(functionality-related characteristics,FRCs)十分必要。功能性指标的设置是针对特定用途的,同一辅料按功能性指标不同可以分为不同的规格,使用者可根据用途选择适宜规格的药用辅料以保证制剂的质量。
本指导原则将按药用辅料的用途介绍常用的功能性指标研究和建立方法。药用辅料功能性指标主要针对一般的化学手段难以评价功能性的药用辅料,如稀释剂等十二大类;对于纯化合物或功能性可以通过相应的化学手段评价的辅料,如pH调节剂、渗透压调节剂、抑菌剂、螯合剂、络合剂、矫味剂、着色剂、增塑剂、抗氧剂、抛射剂等,不在本指导原则中列举其功能性评价方法。
19.1 一、稀释剂
稀释剂也称填充剂,指制剂中用来增加体积或重量的成分。常用的稀释剂包括淀粉、蔗糖、乳糖、预胶化淀粉、微晶纤维素、无机盐类和糖醇类等。在药物剂型中稀释剂通常占有很大比例,其作用不仅保证一定的体积大小,而且减少主药成分的剂量偏差,改善药物的压缩成型性。稀释剂类型和用量的选择通常取决于它的物理化学性质,特别是功能性指标。稀释剂可以影响制剂的成型性和制剂性能(如粉末流动性、湿法颗粒或干法颗粒成型性、含量均一性、崩解性、溶出度、片剂外观、片剂硬度和脆碎度、物理和化学稳定性等)。一些稀释剂(如微晶纤维素)常被用作干黏合剂,因为它们在最终压片的时候能赋予片剂很高的强度。
稀释剂功能性指标包括:(1)粒径和粒径分布(2010年版药典二部附录ⅨE);(2)粒子形态(2010年版药典二部附录Ⅸ E);(3)松密度/振实密度/真密度;(4)比表面积;(5)结晶性(2010年版药典二部附录Ⅸ D和2010年版药典二部附录Ⅸ F);(6)水分(2010年版药典二部附录Ⅷ L和2010年版药典二部附录Ⅷ M);(7)流动性;(8)溶解度;(9)压缩性;(10)吸湿性(2010年版药典二部附录XIX J)等。
19.2 二、黏合剂
黏合剂是指一类使无黏性或黏性不足的物料粉末聚集成颗粒,或压缩成型的具黏性的固体粉末或溶液。黏合剂在制粒溶液中溶解或分散,有些黏合剂为干粉。随着制粒溶液的挥发,黏合剂使颗粒的各项性质(如粒度大小及其分布、形态、含量均一性等)符合要求。湿法制粒通过改善颗粒一种或多种性质,如流动性、操作性、强度、抗分离性、含尘量、外观、溶解度、压缩性或者药物释放,使得颗粒的进一步加工更为容易。
黏合剂可以被分为:(1)天然高分子材料;(2)合成聚合物;或者(3)糖类。聚合物的化学属性,包括结构、单体性质和聚合顺序、功能基团、聚合度、取代度和交联度将会影响制粒过程中的相互作用。同一聚合物由于来源或合成方法的不同,它们的性质可能显示出较大的差异。常用黏合剂包括淀粉浆、纤维素衍生物、聚维酮、明胶和其他一些黏合剂。黏合剂通过改变微粒内部的黏附力生成了湿颗粒(聚集物)。它们可能还会改变界面性质、黏度或其他性质。在干燥过程中,它们可能产生固体桥,赋予干颗粒一定的机械强度。
黏合剂的功能性指标包括:(1)表面张力;(2)粒径、粒径分布(检查法见2010年版药典二部附录Ⅸ E);(3)溶解度;(4)黏度(检查法见附录ⅥG);(5)堆密度和振实密度;(6)比表面积等。
19.3 三、崩解剂
崩解剂是加入到处方中促使制剂迅速崩解成小单元并使药物更快溶解的成分。当崩解剂接触水分、胃液或肠液时,它们通过吸收液体膨胀溶解或形成凝胶,引起制剂结构的破坏和崩解,促进药物的溶出。不同崩解剂发挥作用的机制主要有四种:膨胀、变形、毛细管作用和排斥作用。在片剂处方中,崩解剂的功能最好能具两种以上。崩解剂的功能性取决于多个因素,如它的化学特性、粒径及分布以及粒子形态,此外还受一些重要的片剂因素的影响,如硬度和孔隙率。
崩解剂包括天然的、合成的或化学改造的天然聚合物。常用崩解剂包括:干淀粉、羧甲基淀粉钠、低取代羟丙基纤维素、交联羧甲基纤维素钠、交联聚维酮、泡腾崩解剂等。崩解剂可为非解离型或为阴离子型。非解离态聚合物主要是多糖,如淀粉、纤维素、支链淀粉或交联聚维酮。阴离子聚合物主要是化学改性纤维素的产物等。离子聚合物应该考虑其化学性质。胃肠道pH的改变或者与离子型原料药(APIs)形成复合物都将会影响崩解性能。
与崩解剂功能性相关的性质包括:(1)粒径及其分布(检查法见2010年版药典二部附录Ⅸ E);(2)水吸收速率;(3)膨胀率或膨胀指数;(4)粉体流动性;(5)水分;(6)泡腾量等。
19.4 四、润滑剂
润滑剂的作用为减小颗粒间、颗粒和固体制剂制造设备如片剂冲头和冲模的金属接触面之间的摩擦力。
润滑剂可以分为界面润滑剂、流体薄膜润滑剂和液体润滑剂。界面润滑剂为两亲性的长链脂肪酸盐(如硬脂酸镁)或脂肪酸酯(如硬脂酰醇富马酸钠),可附着于固体表面(颗粒和机器零件),减小颗粒间或颗粒、金属间摩擦力而产生作用。表面附着受底物表面的性质影响,为了最佳附着效果,界面润滑剂颗粒往往为小的片状晶体;流体薄膜润滑剂是固体脂肪(如氢化植物油,1型),甘油酯(甘油二十二烷酸酯和二硬脂酸甘油酯),或者脂肪酸(如硬脂酸),在压力作用下会熔化并在颗粒和压片机的冲头周围形成薄膜,这将有利于减小摩擦力。在压力移除后流体薄膜润滑剂重新固化;液体润滑剂是在压紧之前可以被颗粒吸收,而压力下可自颗粒中释放的液体物质,也可用于减小制造设备的金属间摩擦力。
常用润滑剂包括:硬脂酸镁、微粉硅胶、滑石粉、氢化植物油、聚乙二醇类、月桂醇硫酸钠。
润滑剂的主要功能性指标包括:(1)粒径及其分布(检查法见2010年版药典二部附录Ⅸ E);(2)表面积;(3)水分(检查法见2010年版药典二部附录Ⅷ L和2010年版药典二部附录Ⅷ M);(4)多晶型(检查法见2010年版药典二部附录Ⅸ D和2010年版药典二部附录Ⅸ F);(5)纯度(例如硬脂酸盐:棕榈酸盐比率);(6)熔点或熔程等;(7)粉体流动性。
19.5 五、助流剂和抗结块剂
助流剂和抗结块剂的作用是提高粉末流速和减少粉末聚集结块。助流剂和抗结块剂通常是无机物质细粉。它们不溶于水但是不疏水。其中有些物质是复杂的水合物。常用助流剂和抗结块剂包括:滑石粉、微粉硅胶等无机物质细粉。
助流剂可吸附在较大颗粒的表面,减小颗粒间黏着力和内聚力,使颗粒流动性好。此外,助流剂可分散于大颗粒之间,减小摩擦力。抗结块剂可吸收水分以阻止结块现象中颗粒桥的形成。
助流剂和抗结块剂的功能性指标包括:(1)粒径及其分布(检查法见2010年版药典二部附录Ⅸ E);(2)表面积;(3)吸收率等。
19.6 六、空心胶囊
胶囊作为药物粉末和液体的载体可以保证剂量的准确和运输的便利。空心胶囊应与内容物相容。空心胶囊通常包括两个部分(即胶囊帽和胶囊体),都是圆柱状,其中稍长的称为胶囊体,另一个称为胶囊帽。胶囊帽和胶囊体紧密结合以闭合胶囊。软胶囊是由沿轴缝合或无缝合线的单片构成。
根据原料不同空心胶囊可分为明胶空心胶囊和其他胶囊。明胶空心胶囊由源于猪、牛、或鱼的明胶制备;其他类型胶囊由非动物源的纤维素、多糖等制备。空心胶囊也含其他添加剂如增塑剂、着色剂、遮光剂和抑菌剂。应尽量少用或不用抑菌剂,空心胶囊所用添加剂的种类和用量应符合国家食用或药用相关标准和要求。
空心胶囊可装填固体、半固体和液体制剂。传统的空心胶囊应在37℃生物液体如胃肠液里迅速溶化或崩解。空心胶囊中可以引入肠溶材料和控释的聚合物,控制胶囊内容物的释放。
水分随着胶囊类型而变化,水分对胶囊脆度有显著的影响。平衡水分对剂型稳定性有关键作用,因为水分子可在胶囊内容物和胶囊壳之间迁移。透气性是假重要的一个指标,因为羟丙甲纤维素胶囊有开放结构,因而通常其胶囊透气性比一般胶囊更大。明胶胶囊贮藏于较高的温度和湿度(如40℃/75% RH)下可产生交联,而羟丙甲纤维素胶囊不会产生交联。粉末内容物里的醛类物质因为能够使明胶交联而延长崩解时间。明胶胶囊在0.5%盐酸条件和36~38℃但不低于30℃的条件下应该能够在15分钟内崩解。羟丙甲纤维素胶囊在30℃以下也能崩解。
胶囊壳的功能性指标包括:(1)水分(见2010年版药典二部附录Ⅷ L和2010年版药典二部附录Ⅷ M);(2)透气性;(3)崩解性(见2010年版药典二部附录Ⅹ B和2010年版药典二部附录Ⅹ C);(4)脆碎度;(5)韧性;(6)冻力强度;(7)松紧度等。
19.7 七、包衣材料
包衣可以掩盖药物异味、改善外观、保护活性成分、调节药物释放。包衣材料包括天然、半合成和合成材料。它们可能是粉末或者胶体分散体系(胶乳或伪胶乳),通常制成溶液或者水相及非水相体系的分散液。蜡类和脂类在其熔化状态时可直接用于包衣,而不使用任何溶剂。
包衣材料的功能性研究应针对:(1)溶解性,如肠溶包衣材料不溶于酸性介质而溶于中性介质;(2)成膜性;(4)黏度;(5)取代基及取代度;(6)抗拉强度;(7)透气性;(8)粒度等。
19.8 八、润湿剂和(或)增溶剂
增溶剂包含很多种不同的化学结构和等级。典型的增溶剂为阴离子型非解离型表面活性剂,在水中自发形成的胶柬形态和结构,起到增溶作用。增溶机理常常与难溶性药物和增溶剂自组装体(如胶束)形成的内核间的相互作用力有关。还有一些类型的增溶剂利用与疏水性分子相互作用的聚合物链的变化,将难溶性药物溶入聚合物链中从而增加药物的溶解度。
增溶剂包括固态、液态或蜡质材料。它们的化学结构决定其物理特性。然而增溶剂的物理特性和功效取决于表面活性特性和亲水亲油平衡值(HLB)(检查法见2010年版药典二部附录Ⅶ H)。HLB值低的可以用作乳化剂,而HLB值高的可以作为增溶剂。例如,十二烷基硫酸钠(HLB值为40)是亲水性的,易溶于水,一旦在水中分散,即自发形成胶束。增溶剂特殊的亲水和亲油特性可以由其临界胶束浓度(CMC)来表征。
增溶剂往往可以作为润湿剂。常用润湿剂和(或)增溶剂包括肥皂类、硫酸化物、磺酸化物、吐温类、卖泽类、聚氧乙烯脂肪醇醚类以及聚维酮等。
与润湿剂/增溶剂有关的性能指标包括:(1) HLB值;(2)黏度;(3)组成,检查法可参考2010年版药典二部附录Ⅳ、2010年版药典二部附录Ⅵ A、2010年版药典二部附录Ⅵ G、附录ⅥH、录Ⅵ H、2010年版药典二部附录Ⅶ H、2010年版药典二部附录Ⅷ Q和2010年版药典二部附录Ⅸ E等;(4)临界胶束浓度等;(5)表面张力。
19.9 九、栓剂基质
栓剂基质为制造直肠栓剂和阴道栓剂的基质。常用栓剂基质包括:油脂性基质,如可可豆脂、半合成椰油酯、半合成或全合成脂肪酸甘油酯等;水溶性基质,如甘油明胶、聚乙二醇、泊洛沙姆等。
栓剂应在略低于体温(37℃)下融化或溶解而释放药物,如果药物溶于基质中,其释放机制为溶蚀或扩散分配机制,如果药物悬浮于基质中则通过溶蚀和溶出机制释放药物。高熔点脂肪栓剂基质在体温条件下应融化。水溶性基质应能够溶解或分散于水性介质中,药物释放机制是溶蚀和溶出机制。栓剂基质最重要的物理性质便是它的融程。一般来说,栓剂基质的融程在27~45℃。然而,单一栓剂基质的融程较窄,通常在2~3℃之间。基质融程的选择应考虑其他处方成分对最终产品融程的影响。
高熔点亲脂性栓剂基质是半合成的长链脂肪酸甘油三酯的混合物,包括单甘油酯、双甘油酯,也可能存在乙氧化脂肪酸。根据基质的融程、羟值、酸值、碘值、凝固点和皂化值,可将基质分为不同的级别。
亲水性栓剂基质通常是亲水性半固体材料的混合物,在室温条件下为固体,而当用于病人时,药物会通过基质的熔融、溶蚀和溶出机制而释放出来。相对于高熔点栓剂基质,亲水性栓剂基质有更多羟基和其他亲水性基团。聚乙二醇为一种亲水性基质,具有合适的融化和溶解行为。
因此,栓剂基质的功能性指标可参考2010年版药典二部附录Ⅰ D、2010年版药典二部附录Ⅵ C和2010年版药典二部附录Ⅵ D、2010年版药典二部附录Ⅶ H等。
19.10 十、助悬剂和(或)增稠剂
在药物制剂中,助悬剂和(或)增稠剂用于稳定分散系统(例如混悬剂或乳剂),其机制为减少溶质或颗粒运动的速率,或降低液体制剂的流动性。
助悬剂、增稠剂稳定分散体系或增稠效应有多种机制。常见的是大分子链或细黏土束缚溶剂导致黏度增加和层流中断。其余包括制剂中的辅料分子或颗粒形成三维结构的凝胶,和大分子或矿物质吸附于分散颗粒或液滴表面产生的立体作用。每种机制(黏度增加,凝胶形成或立体稳定性)是辅料流变学特性的体现,由于辅料的分子量大和粒径较大,其流变学的性质为非牛顿流体。此类辅料的分散体表现出一定的黏弹性。
助悬剂或增稠剂可以是低分子也可以是大分子或矿物质。低分子助悬剂或增稠剂如甘油、糖浆。大分子助悬剂或增稠剂包括(a)亲水性的碳水化合物高分子[阿拉伯胶、琼脂、海藻酸、羧甲基纤维素、角叉(菜)胶、糊精、结冷胶、瓜尔豆胶、羟乙基纤维素、羟丙基纤维素、羟丙甲纤维素、麦芽糖糊精、甲基纤维素、果胶、丙二醇海藻酸、海藻酸钠、淀粉、西黄芪胶和黄原胶树胶]和(b)非碳水化合物亲水性大分子,包括明胶、聚维酮、卡波姆、聚氧乙烯和聚乙烯醇。矿物质助悬剂或增稠剂包括硅镁土、皂土(斑脱土)、硅酸镁铝、二氧化硅等。单硬脂酸铝,按功能分类既非大分子也非矿物质类助悬剂或增稠剂。它主要包含不同组分比例的单硬脂酸铝和单棕榈酸铝。
助悬剂和增稠剂的功能性指标为黏度(2010年版药典二部附录Ⅵ G)等。
19.11 十一、软膏基质
软膏是黏稠的用于体表不同部位的半固体外用制剂。软膏基质是其主要组成成分并决定其物理性质。软膏基质可作为药物的外用载体并可作为润湿剂和皮肤保护剂。
软膏基质分为(a)油性基质:不溶于水,无水、不吸收水,难以用水去除(如凡士林);(b)吸收性软膏基质:无水,但能够吸收一定量的水,不溶于水而且不易用水去除(如羊毛脂);(c)乳剂型基质:通常是水包油或油包水型,其中含水,能够吸收水分,在水中也无法溶解(如乳膏);(d)水溶性软膏基质:本身无水,可以吸水,能溶于水,可用水去除(如聚乙二醇)。被选择的软膏基质应惰性、化学稳定。
黏度和熔程是乳膏基质的重要功能性指标,可参见2010年版药典二部附录Ⅵ G和2010年版药典二部附录Ⅵ C。