病理学/麻风

跳转到: 导航, 搜索

医学电子书 >> 《病理学》 >> 传染病 >> 麻风
病理学

病理学目录

麻风(leprosy)是由麻风杆菌引起的一种慢性传染病,主要病变在皮肤周围神经临床表现为麻木性皮肤损害、神经粗大,严重者甚至肢端残废。本病在世界上流行甚广,我国则流行于广东、广西、四川、云南以及青海等省、自治区。建国后由于积极防治,本病已得到有效的控制,发病率显着下降。

【病因及传染途径

本病由麻风分支杆菌感染引起,从染色特性而论,麻风菌结核杆菌一样,是一种抗酸菌。麻风菌的形态和结核菌相似,但较粗短,人工培养迄今尚未成功。本病的传染途径尚未十分明了,其传染源为瘤型和界限类患者,患者的鼻、口分泌液、汗液、泪液、乳汁、精液阴道分泌物均含麻风菌,通常认为主要传染方式是藉上述分泌液或患者皮肤病变的微小伤口(甚至无破损的病变皮肤)排出的菌感染他人,一般系通过长期的直接接触,但间接接触(通过衣服、用具)可能也起一定作用。麻风杆菌侵入体内后,先潜伏于周围神经的鞘膜细胞或组织内的巨噬细胞内,受染后是否发病以及发展为何种病理类型,取决于机体的免疫力。对麻风杆菌的免疫反应细胞免疫为主,患者虽亦有特异性抗体的产生,但抗体对抑制和杀灭麻风杆菌似不起重要作用。在细胞免疫力强的状态下,麻风杆菌将被巨噬细胞消灭而不发病,反之,麻风杆菌得以繁殖,引起病变。本病的潜伏期长达2~4年,但也有在感染数月后发病者。

麻风杆菌不能体外培养,使该菌表型鉴定困难。最近,用麻风杆菌特异核酸探针以点印迹杂交可分析活检组织中的麻风杆菌。PCR技术已被迅速应用于麻风病的诊断。

【病理变化】

由于患者对麻风杆菌感染的细胞免疫力不同,病变组织乃有不同的组织反应。据此而将麻风病变分为下述两型和两类:

1.结核样型麻风(tuberculoid leprosy) 本型最常见,约占麻风患者的70%,因其病变与结核性肉芽肿相似,故称为结核样麻风。本型特点是患者有较强的细胞免疫力,因此病变局限化,病灶内含菌极少甚至难以发现。病变发展缓慢,传染性低。主要侵犯皮肤及神经,绝少侵入内脏

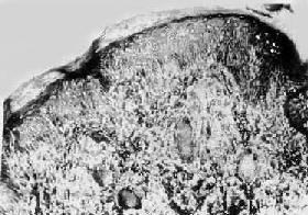
(1)皮肤:病变多发生于面、四肢、肩、背和臀部皮肤,呈境界清晰、形状不规则的斑疹或中央略下陷、边缘略高起的丘疹。镜下,病灶为类似结核病的肉芽肿,散在于真皮浅层,有时病灶和表皮接触。肉芽肿成分主要为类上皮细胞,偶有Langhans巨细胞,周围有淋巴细胞浸润(图18-17)。病灶中央极少有干酪样坏死抗酸染色一般不见抗酸菌。因病灶多围绕真皮小神经和皮肤附件,故引起局部感觉减退和闭汗。病变消退时,局部仅残留少许淋巴细胞或纤维化,最后,炎性细胞可完全消失。

结核样型麻风


图18-17 结核样型麻风

真皮内有主由类上皮细胞构成的结节状病灶,其中可见Langhans细胞,颇似结核结节,但中央无干酪样坏死

(2)周围神经:最常侵犯耳大神经尺神经桡神经、腓神经及胫神经,多同时伴有皮肤病变,纯神经麻风而无皮肤病损者较少见。神经变粗,镜下有结核样病灶及淋巴细胞浸润。和皮肤病变不同的是神经的结核样病灶往往有干酪样坏死,坏死可液化形成所谓“神经脓肿”。病变愈复时类上皮细胞消失,病灶纤维化,神经的质地因而变硬。神经的病变除引起浅感觉障碍外,还伴有运动及营养障碍。严重时出现鹰爪手(尺神经病变使掌蚓状肌麻痹,使指关节过度弯曲、掌指关节过度伸直所致)、垂腕、垂足、肌肉萎缩、足底溃疡以至指趾萎缩或吸收、消失。在有效的防治措施下,上述肢体改变已不复见到。

2.瘤型麻风(lepromatous leprosy) 本型约占麻风患者的20%,因皮肤病变常隆起于皮肤表面,故称瘤型。本型的特点是患者对麻风杆菌的细胞免疫缺陷,病灶内有大量的麻风杆菌,传染性强,除侵犯皮肤和神经外,还常侵及鼻粘膜淋巴结、肝、脾以及睾丸。病变发展较快。

(1)皮肤:初起的病变为红色斑疹,以后发展为高起于皮肤的结节状病灶,结节境界不清楚,可散在或聚集成团块,常溃破形成溃疡。多发生于面部、四肢及背部。面部结节呈对称性,耳垂、鼻、眉弓皮肤结节使面容改观,形成狮容(facies leontina)。

镜下,病灶为由多量泡沫细胞(foamy cell)组成的肉芽肿,夹杂有少量淋巴细胞。泡沫细胞来源于巨噬细胞,在吞噬麻风杆菌后,麻风杆菌的脂质聚集于巨噬细胞浆内,乃使后者呈泡沫状。抗酸染色可见泡沫细胞内含多量麻风杆菌,甚至聚集成堆,形成所谓麻风球(globus leprosus)。病灶围绕小血管和附件,以后随病变发展而融合成片,但表皮与浸润灶之间有一层无细胞浸润的区域(图18-18),这是结核样型麻风所没有的。由于患者对麻风杆菌的细胞免疫缺陷,病灶内不出现类上皮细胞,淋巴细胞也很少。经治疗病变消退时,麻风杆菌数量减少,形态也由杆状变为颗粒状,泡沫细胞减少或融合成空泡,纤维组织增生。最后病灶消退仅留瘢痕

瘤型麻风


图18-18 瘤型麻风

表皮萎缩变薄,真皮内有泡沫细胞的弥漫浸润,后者与表皮层间有一薄层无细胞浸润区相隔

(2)周围神经:受累神经也变粗,镜下,神经纤维间的神经束衣内有泡沫细胞和淋巴细胞浸润,抗酸染色可在泡沫细胞和Schwann细胞内查得多量麻风杆菌。晚期,神经纤维消失而被纤维瘢痕所代替。神经病变的临床表现和结核样型相似。

(3)粘膜:鼻、口腔,甚至喉和阴道粘膜均可受累,尤以鼻粘膜最常发生病变。

(4)脏器:肝、脾、淋巴结和睾丸等脏器常被瘤型麻风波及,可伴有肝、脾和淋巴结的肿大。镜下皆见泡沫细胞浸润。睾丸的曲细精管如有泡沫细胞浸润,可使精液含有麻风菌而通过性交传染他人。

3.界限类麻风(borderline leprosy) 本型患者免疫反应介于瘤型和结核样型之间,病灶中同时有瘤型和结核样型病变,由于不同患者的免疫反应强弱不同,有时病变更偏向结核型或更偏向瘤型。在瘤型病变内有泡沫细胞和麻风菌。

4.未定类麻风 本类是麻风病的早期改变,病变非特异性,只在皮肤血管周围或小神经周围有灶性淋巴细胞浸润。抗酸染色不易找到麻风菌。多数病例日后转变为结核样型。少数转变为瘤型。

麻风的早期诊断和分型有赖于活体组织检查。及时的有效治疗可治愈。

参看

32 肺外器官结核病 | 伤寒 32
关于“病理学/麻风”的留言: Feed-icon.png 订阅讨论RSS

目前暂无留言

添加留言

更多医学百科条目

个人工具
名字空间
动作
导航
推荐工具
功能菜单
工具箱